LEMON Manuals: Even more car manuals for everyone: 1960-2025
Home >> Chevrolet >> 2019 >> Traverse Premier, FWD >> Repair and Diagnosis >> Accessories & Equipment >> Anti-Theft Systems >> Remote Functions System >> Schematic Wiring Diagrams >> Remote Function Wiring Schematics >> Keyless Entry - Passive and Keyless Start
April 5, 2026: LEMON Manuals is launched! Read the announcement.

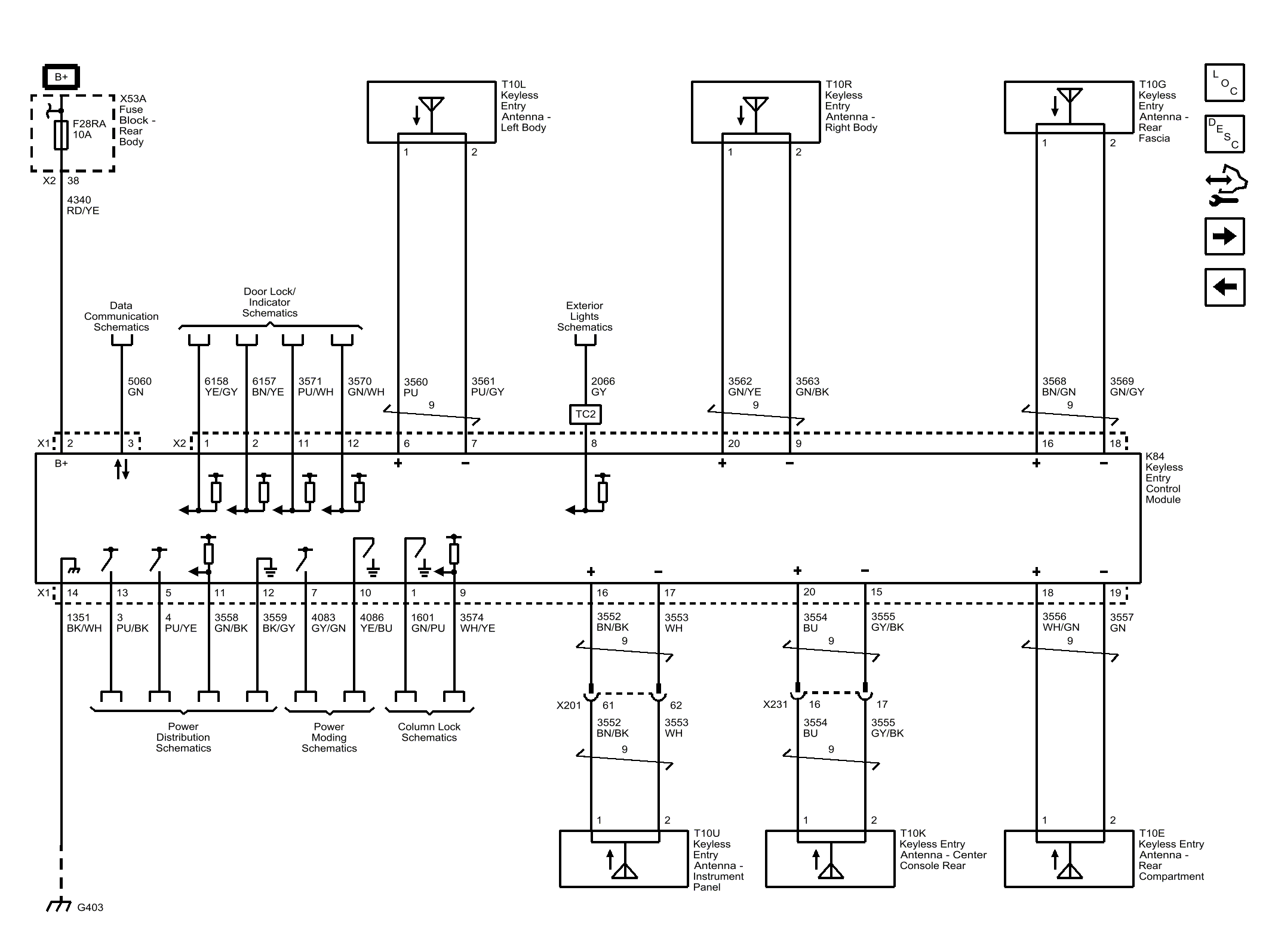
Keyless Entry - Passive and Keyless Start

GM4919614Courtesy of GENERAL MOTORS COMPANY