LEMON Manuals: Even more car manuals for everyone: 1960-2025
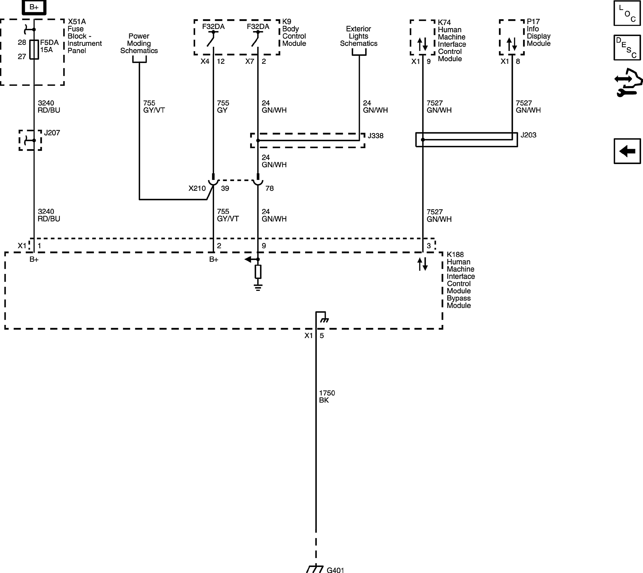
Home >> Chevrolet >> 2020 >> Impala LT >> Repair and Diagnosis (Single Page) >> Accessories & Equipment >> Collision/Avoidance >> Image Display Cameras >> Wiring Schematic Diagrams >> Image Display Camera Wiring Schematics >> Power, Ground, Serial Data, Human Machine Interface Control Module Bypass Module
April 5, 2026: LEMON Manuals is launched! Read the announcement.

Power, Ground, Serial Data, Human Machine Interface Control Module Bypass Module

GM5373973