LEMON Manuals: Even more car manuals for everyone: 1960-2025
Home >> Chevrolet >> 2025 >> Traverse Z71 >> Repair and Diagnosis >> Accessories & Equipment >> Anti-Theft Systems >> Keyless Entry System And Remote Functions >> Schematic Wiring Diagrams >> Remote Function Wiring Schematics >> Keyless Entry - Passive and Keyless Start
April 5, 2026: LEMON Manuals is launched! Read the announcement.

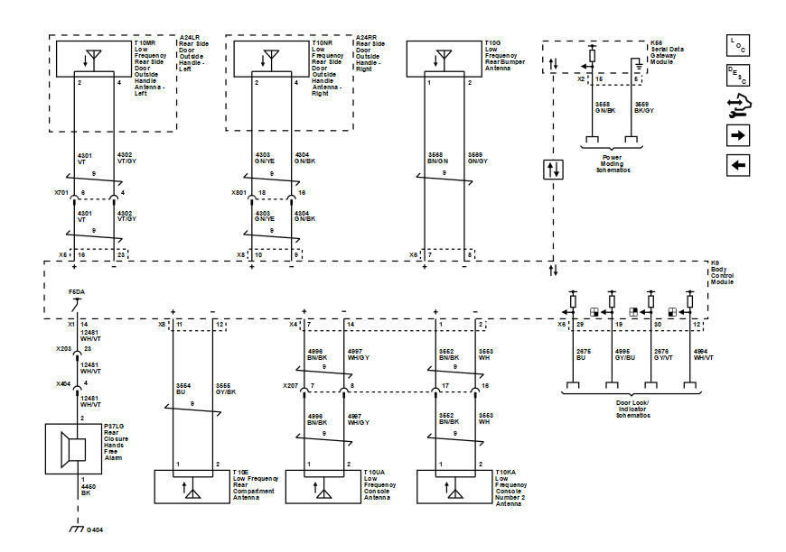
Keyless Entry - Passive and Keyless Start

GM6522669Courtesy of GENERAL MOTORS COMPANY