LEMON Manuals: Even more car manuals for everyone: 1960-2025
Home >> Chrysler >> 1982 >> Imperial >> Repair and Diagnosis >> Engine Performance >> Engine Control Systems >> Combustion Control Computer >> Diagnosis & Testing >> System Visual Check >> Inside The Air Cleaner
April 5, 2026: LEMON Manuals is launched! Read the announcement.

Inside The Air Cleaner

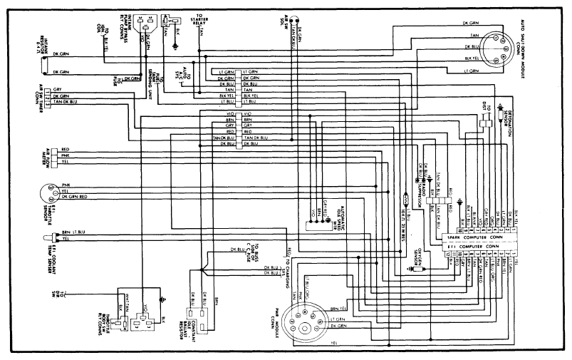
  1. Proper wires connected to control pump, fuel pressure switch, and fuel flowmeter. See Figure (wiring diagram) for wire identification and routing.
  2. Power module ground wire connected to support plate screw. Fuel lines and pressure switch connected tight and not leaking.
  3. No wires are cut or chafed by clips or hardware. Air cleaner cover tightly sealed.
    NOTE: The EFI system measures air to calculate fuel flow and will not operate if the air cleaner cover is removed. Ensure that cover is sealed except when observing fuel flow during cranking.