LEMON Manuals: Even more car manuals for everyone: 1960-2025
Home >> Chrysler >> 1982 >> Imperial >> Repair and Diagnosis >> Engine Performance >> Tune-Up >> Electronic Spark Control System >> Description >> Notes
April 5, 2026: LEMON Manuals is launched! Read the announcement.

Electronic Spark Control System: Description: Notes

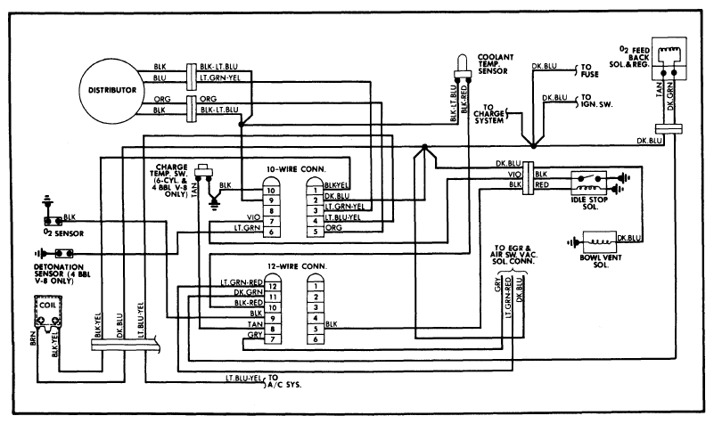
The Electronic Spark Control (ESC) system is governed by a Spark Control Computer, 7 engine sensors, a specially-calibrated carburetor and, on most models, a dual pick-up distributor. V8 models with electronic fuel injection (318" EFI) have a single pick-up distributor. The ESC system is designed to burn a lean air/fuel mixture, with a minimum of emissions. See Figure.

NOTE: For a diagram of 10-wire and 12-wire connectors for the ignition and electronic fuel injection systems of 318" V8 EFI, see Chrysler Electronic Fuel Injection Articles in Fuel Systems Section.