LEMON Manuals: Even more car manuals for everyone: 1960-2025
Home >> Chrysler >> 1995 >> LHS >> Repair and Diagnosis >> Brakes >> Traction Control >> Anti-Lock Brake System >> Connector Identification
April 5, 2026: LEMON Manuals is launched! Read the announcement.

Connector Identification

CONNECTOR IDENTIFICATION DIRECTORY

Connector Figure
ABS Relay 8
Brake Fluid Level Switch No. 1 9
Brake Fluid Level Switch No. 2 10
CCD Data Link 11
Controller Anti-Lock Brake (CAB) 12
Electronic Message Center 13
Mechanical Message Center 14
Pedal Travel Sensor 15
Pump/Motor (Harness End) 16
Pump/Motor Relay 17
Traction Control System Switch 18
Wheel Speed Sensors 19
Fig 1: ABS Relay Connector Terminals
G93F40860Courtesy of CHRYSLER CORP.
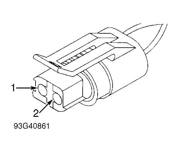
Fig 2: Brake Fluid Level Switch No. 1 Connector Terminals
G93G40861Courtesy of CHRYSLER CORP.
Fig 3: Brake Fluid Level Switch No. 2 Connector Terminals (Mark IV With LTCS)
G93H40862Courtesy of CHRYSLER CORP.
Fig 4: CCD Data Link Connector Terminals
G93I40863Courtesy of CHRYSLER CORP.
Fig 5: Controller Anti-Lock Brake (CAB) Connector Terminals
G93J40864Courtesy of CHRYSLER CORP.
Fig 6: Electronic Message Center Connector Terminals
G93A40865Courtesy of CHRYSLER CORP.
Fig 7: Mechanical Message Center Connector Terminals
G94E31686Courtesy of CHRYSLER CORP.
Fig 8: Pedal Travel Sensor Connector Terminals
G93C40867Courtesy of CHRYSLER CORP.
Fig 9: ABS Pump/Motor Connector Terminals (Harness End)
G93D40868Courtesy of CHRYSLER CORP.
Fig 10: Pump/Motor Relay Connector Terminals
G93E40869Courtesy of CHRYSLER CORP.
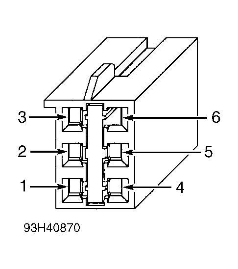
Fig 11: Traction Control System Switch Connector Terminals (Mark IV With LTCS)
G93H40870Courtesy of CHRYSLER CORP.
Fig 12: Wheel Speed Sensor Connector Terminals
G93I40871Courtesy of CHRYSLER CORP.