LEMON Manuals: Even more car manuals for everyone: 1960-2025
Home >> Chrysler >> 1998 >> Sebring Convertible L4-2.4L VIN X >> Repair and Diagnosis >> Powertrain Management >> Computers and Control Systems >> Relays and Modules - Computers and Control Systems >> Body Control Module >> Diagrams >> Electrical Diagrams >> Wiring Diagrams
April 5, 2026: LEMON Manuals is launched! Read the announcement.

Wiring Diagrams

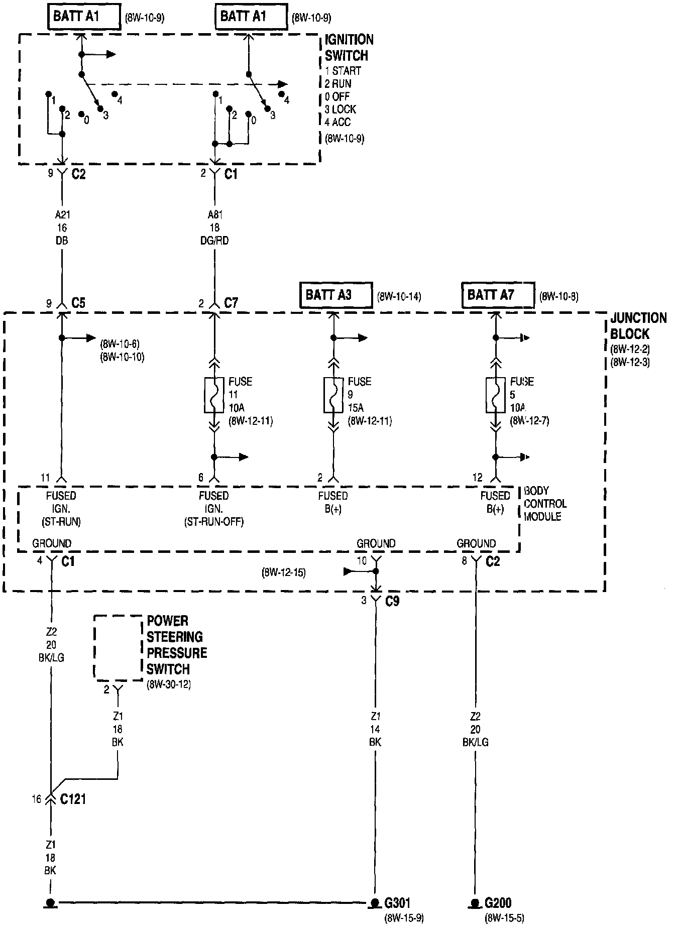
8w-45-2:




Body Control Module
Fuse 5 (JB)
Fuse 9 (JB)
Fuse 11 (JB)
G200
G301
Ignition Switch
Junction Block
Power Steering Pressure Switch

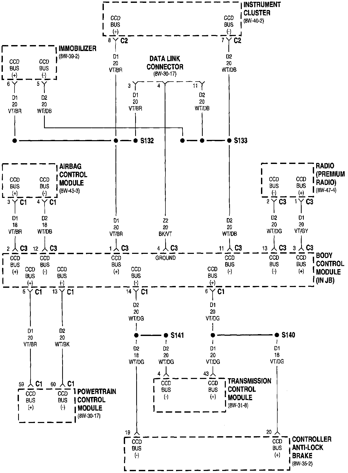
8w-45-3:




Airbag Control Module
Body Control Module
Controller Anti-Lock Brake
Data Link Connector
Instrument Cluster
Powertrain Control Module
Radio
Transmission Control Module
S132
S133
S140
S141

8w-45-4:




Body Control Module
Intermittent Wiper Relay
Intermittent Wiper Switch
Power Distribution Center
Stop Lamp Switch
Windshield Washer Pump Motor
Windshield Wiper Motor
Wiper High/Low Relay

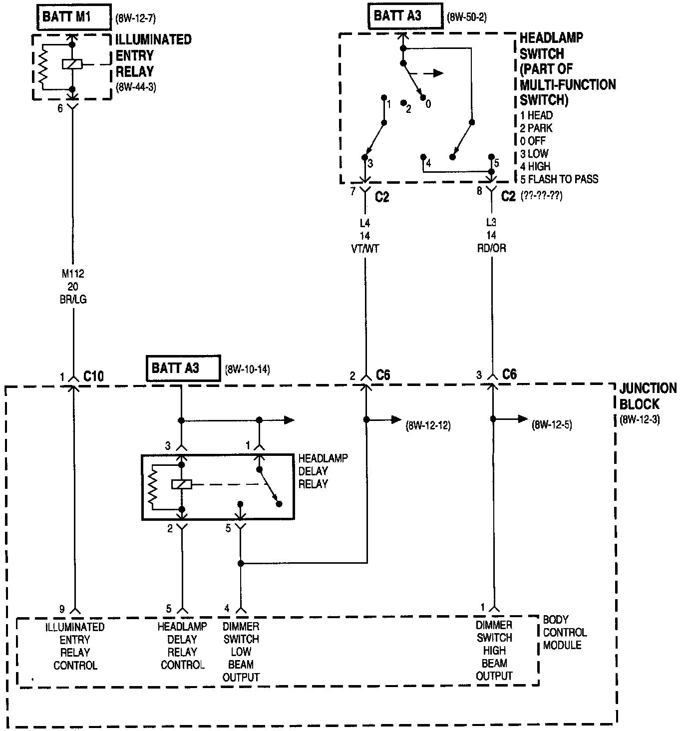
8w-45-5:




Body Control Module
Headlamp Delay Relay
Headlamp Switch
Illuminated Entry Relay
Junction Block

8w-45-6:




Body Control Module
Headlamp Switch
Junction Block
Left Park/Turn Signal Lamp
Left Side Marker Lamp
Left Tail And Stop/Turn Signal Lamp
License Lamp
Radio
Right Park/Turn Signal Lamp
Right Side Marker Lamp
Right Tail And Stop/Turn Signal Lamp
S406
S407

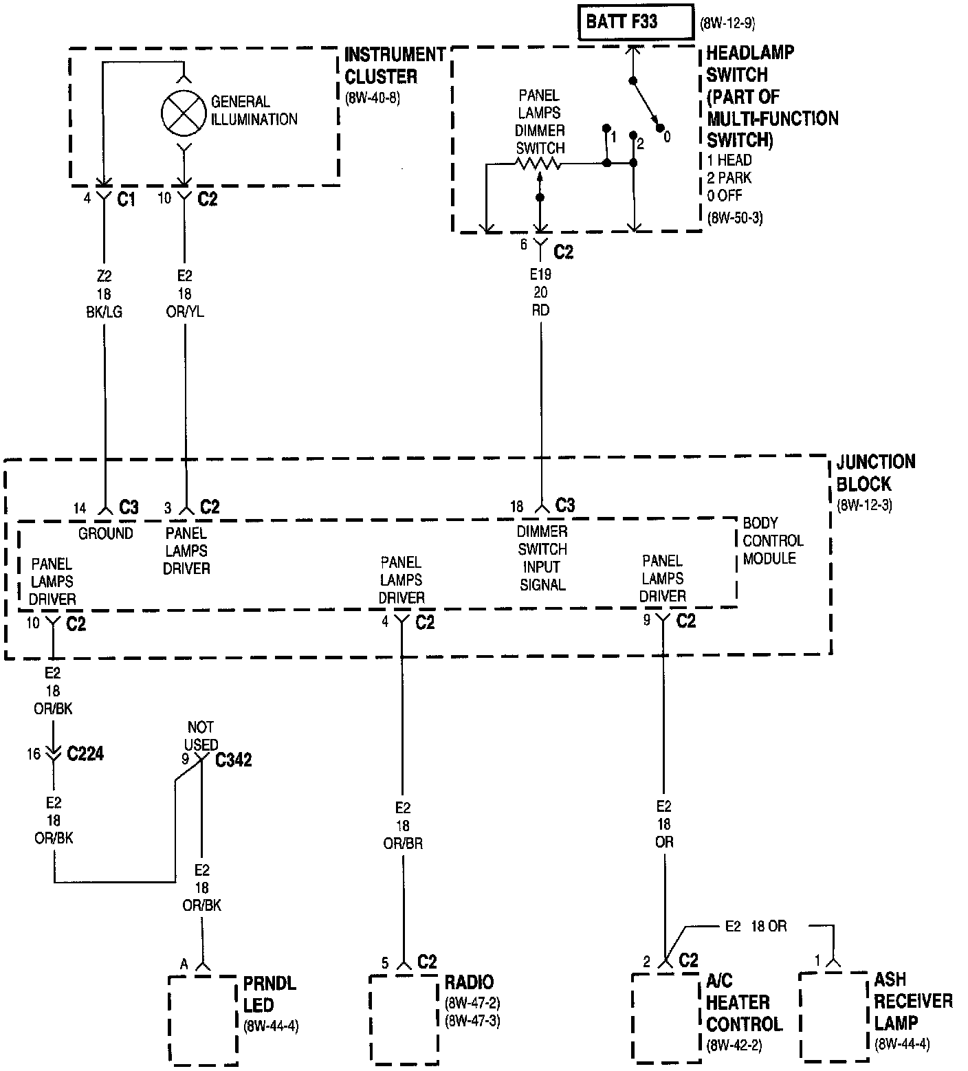
8w-45-7:




A/C Heater Control
Ash Receiver Lamp
Body Control Module
General Illumination
Headlamp Switch
Instrument Cluster
Junction Block
PRNDL Led
Radio

8w-45-8:




A/C Evaporator Temperature Sensor
A/C Heater Control
Body Control Module
Mode Door Actuator

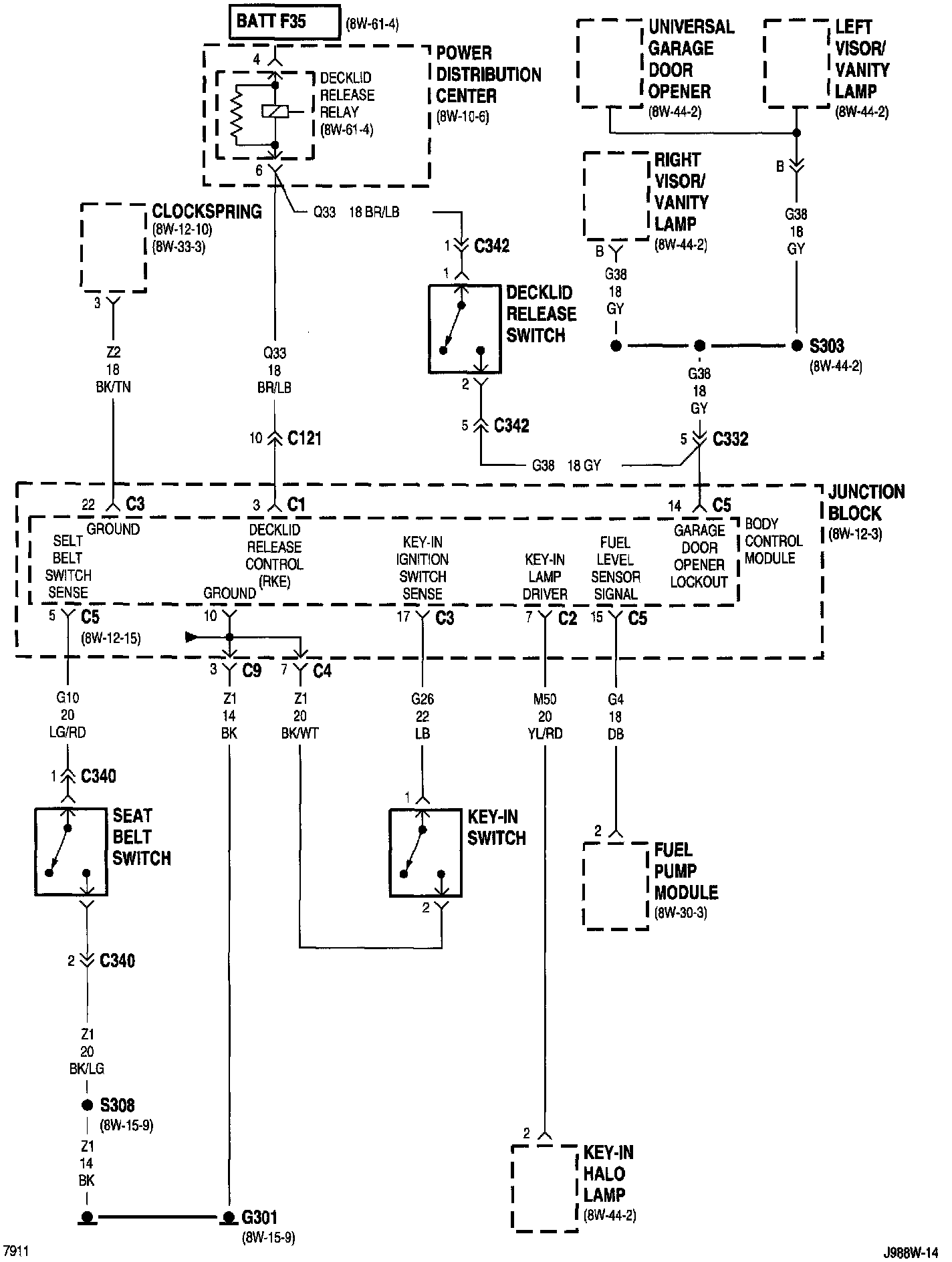
8w-45-9:




Body Control Module
Clockspring
Decklid Release Relay
Decklid Release Switch
Fuel Pump Module
G301
Junction Block
Key-In Halo Lamp
Key-In Switch
Left Visor/Vanity Lamp
Power Distribution Center
Right Visor/Vanity Lamp
Seat Belt Switch
Universal Garage Door Opener

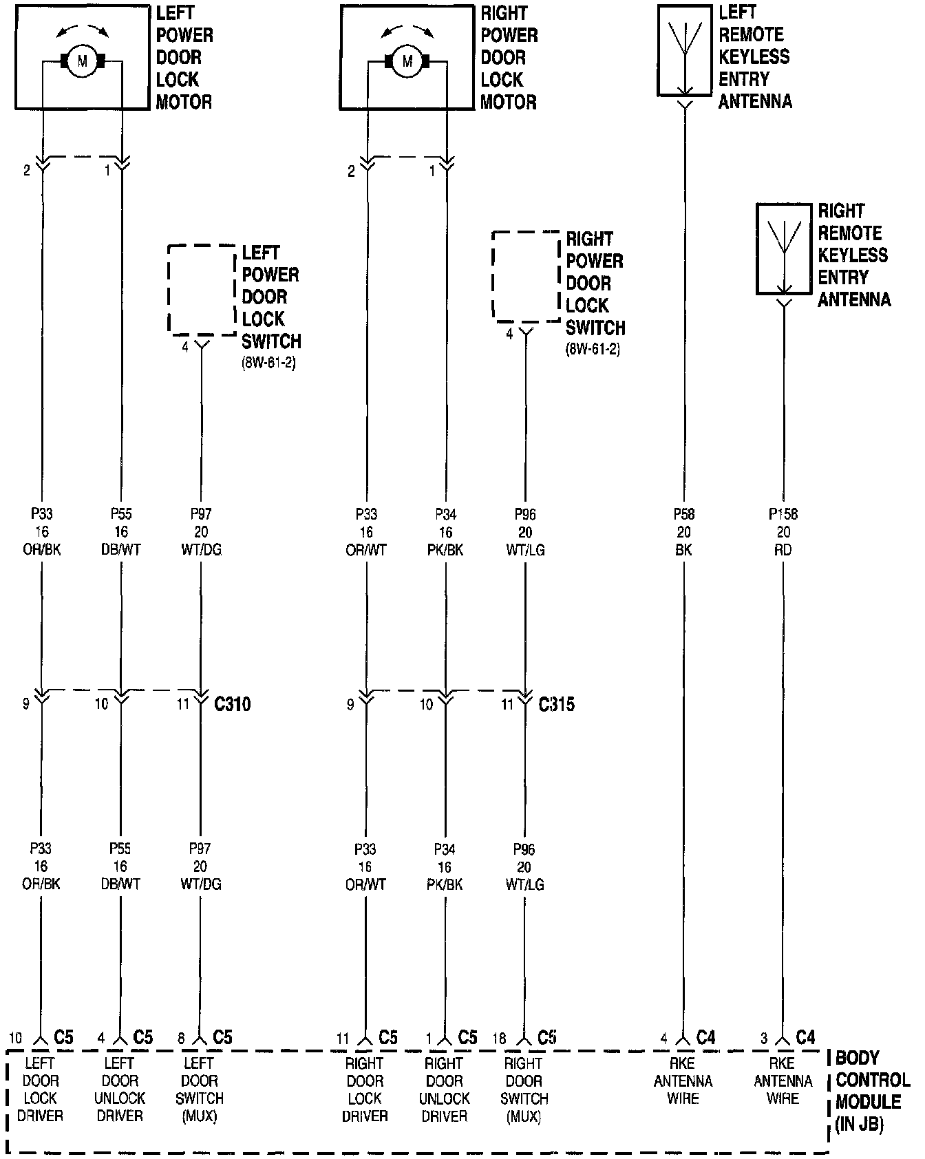
8w-45-10:




Body Control Module
Left Power Door Lock Motor
Left Power Door Lock Switch
Left Remote Keyless Entry Antenna
Right Power Door Lock Motor
Right Power Door Lock Switch
Right Remote Keyless Entry Antenna

8w-45-11:




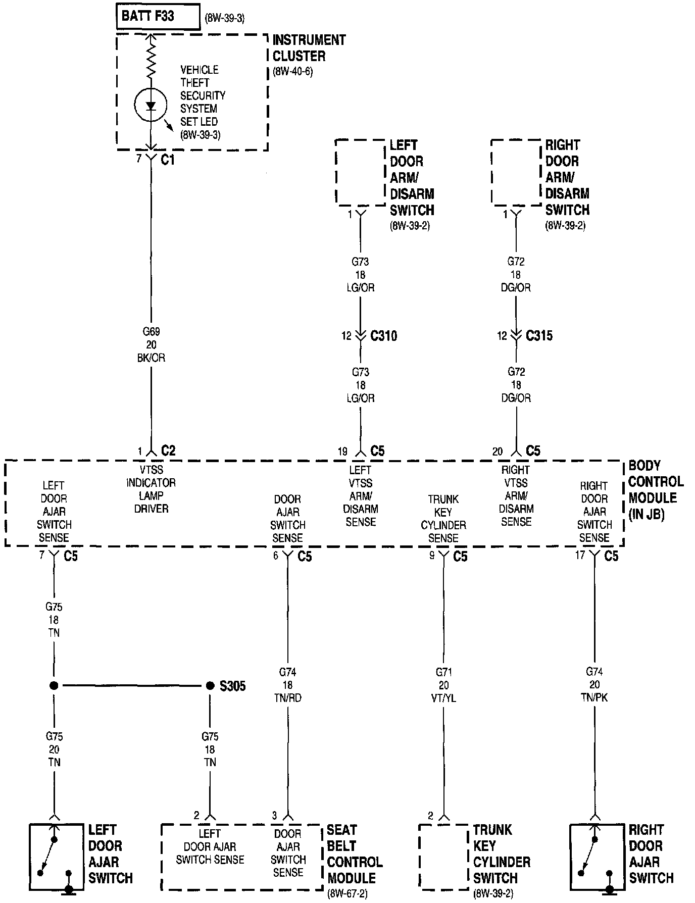
Body Control Module
Instrument Cluster
Left Door Ajar Switch
Left Door Arm/Disarm Switch
Right Door Ajar Switch
Right Door Arm/Disarm Switch
mink Key Cylinder Switch
Vehicle Theft Security System Set Led

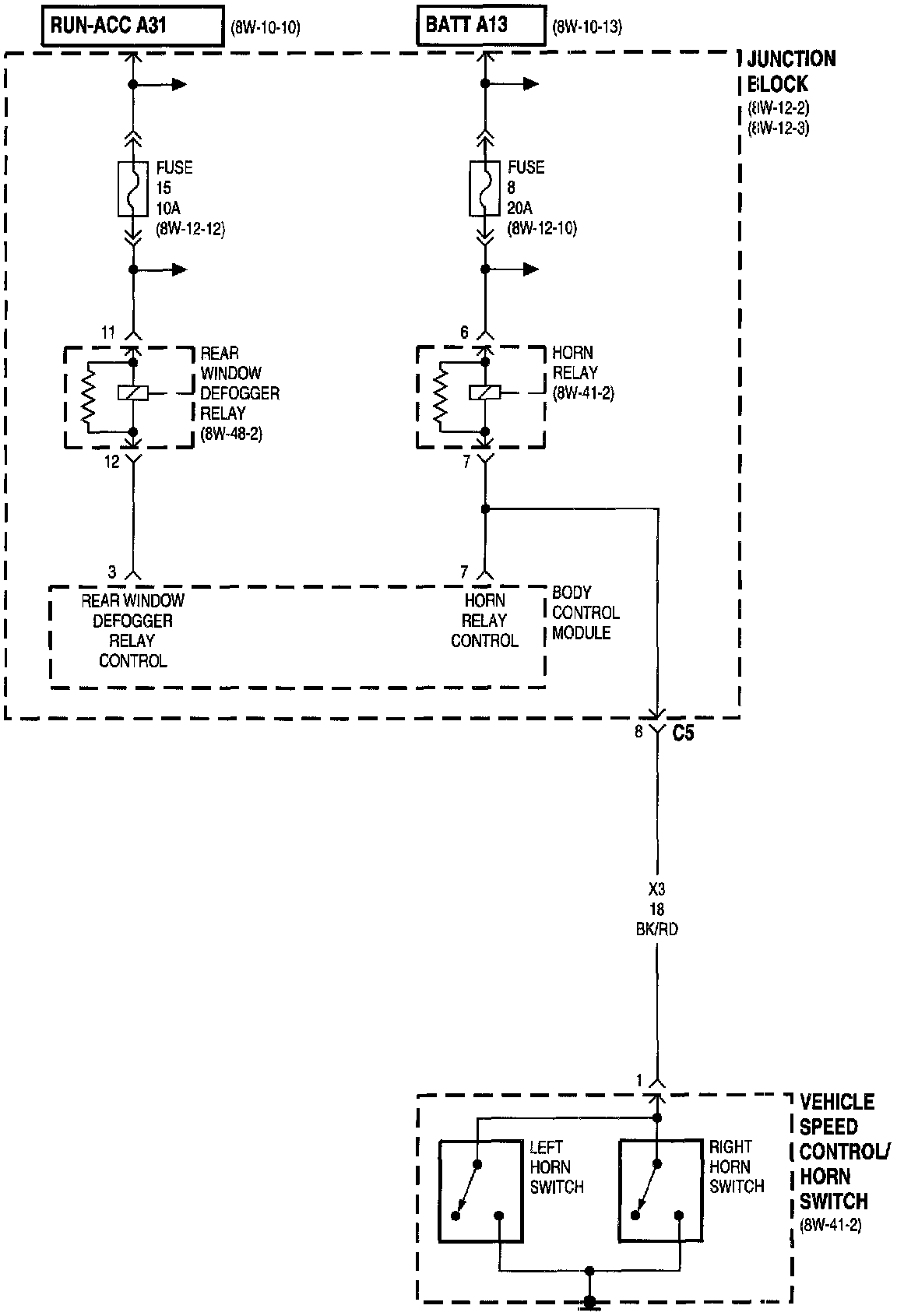
8w-45-12:




Body Control Module
Fuse 8 (JB)
Fuse 15 (JB)
Horn Relay
Junction Block
Left Horn Switch
Rear Window Defogger Relay
Right Horn Switch
Vehicle Speed Control/Horn Switch


NOTE: To view sheets referred to in these diagrams, see Complete Body and Chassis Diagrams Diagrams By Group Number.