LEMON Manuals: Even more car manuals for everyone: 1960-2025
Home >> Chrysler >> 1998 >> Sebring Convertible V6-2.5L VIN H >> Repair and Diagnosis >> Relays and Modules >> Relays and Modules - Powertrain Management >> Relays and Modules - Computers and Control Systems >> Engine Control Module >> Technical Service Bulletins >> Engine Controls/Charging System - Manual Updates
April 5, 2026: LEMON Manuals is launched! Read the announcement.

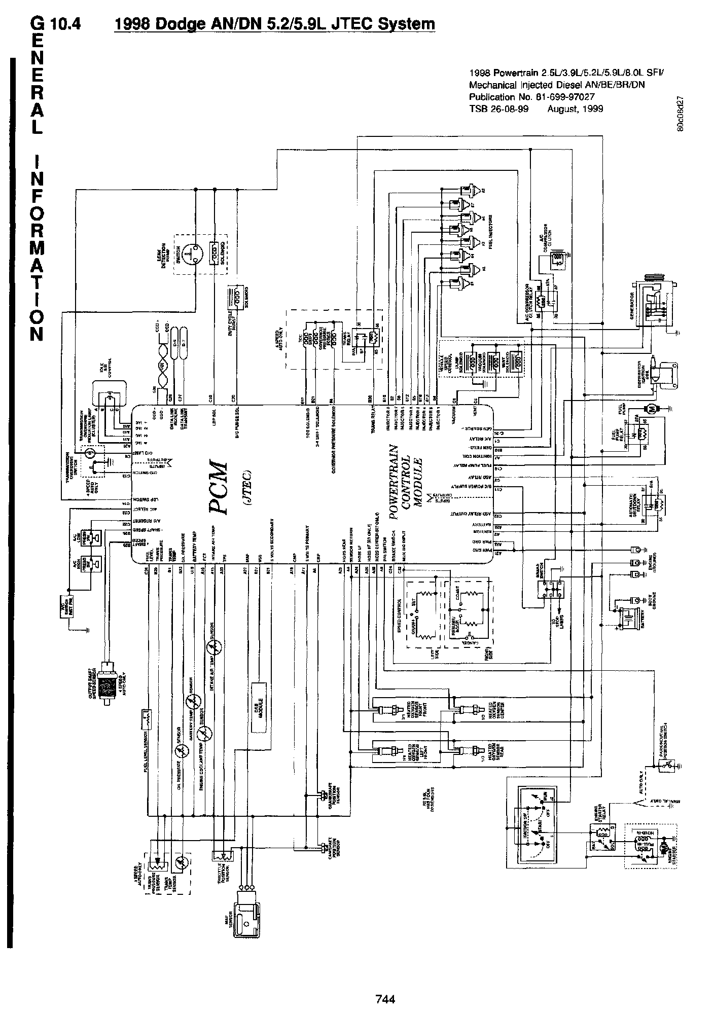
Engine Controls/Charging System - Manual Updates

NUMBER: 26-08-99F

GROUP: Miscellaneous

DATE: August, 1999

REVISIONS ARE HIGHLIGHTED WITH BLACK BARS IN THE MARGIN

Models:
1998-2.5L, 3.9L, 5.2L, 5.9L, 8.0 SFI/Mechanically Injected Diesel Diagnostic Manual - Publication Number 81-699-97027

DESCRIPTION OF CHANGES

Revisions to the Charging System Low Test





71

Revision to the 5.2/5.9L PCM Wiring Schematic





744