LEMON Manuals: Even more car manuals for everyone: 1960-2025
Home >> Chrysler >> 1999 >> Concorde V6-2.7L VIN R >> Repair and Diagnosis >> Powertrain Management >> Computers and Control Systems >> Body Control Module >> Diagrams >> Electrical Diagrams >> Schematic Diagrams >> Automatic Temperature Control
April 5, 2026: LEMON Manuals is launched! Read the announcement.

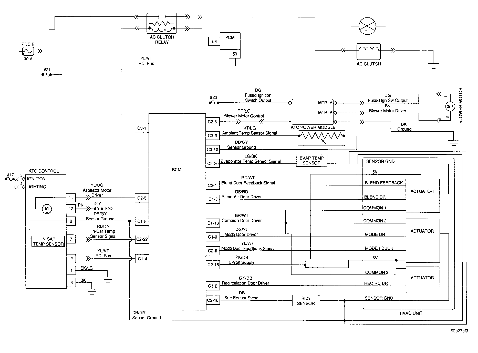
Automatic Temperature Control

Automatic Temperature Control: