LEMON Manuals: Even more car manuals for everyone: 1960-2025
Home >> Chrysler >> 1999 >> Sebring Convertible L4-2.4L VIN X >> Repair and Diagnosis >> Powertrain Management >> Computers and Control Systems >> Relays and Modules - Computers and Control Systems >> Body Control Module >> Diagrams >> Electrical Diagrams >> Wiring Diagrams
April 5, 2026: LEMON Manuals is launched! Read the announcement.

Wiring Diagrams

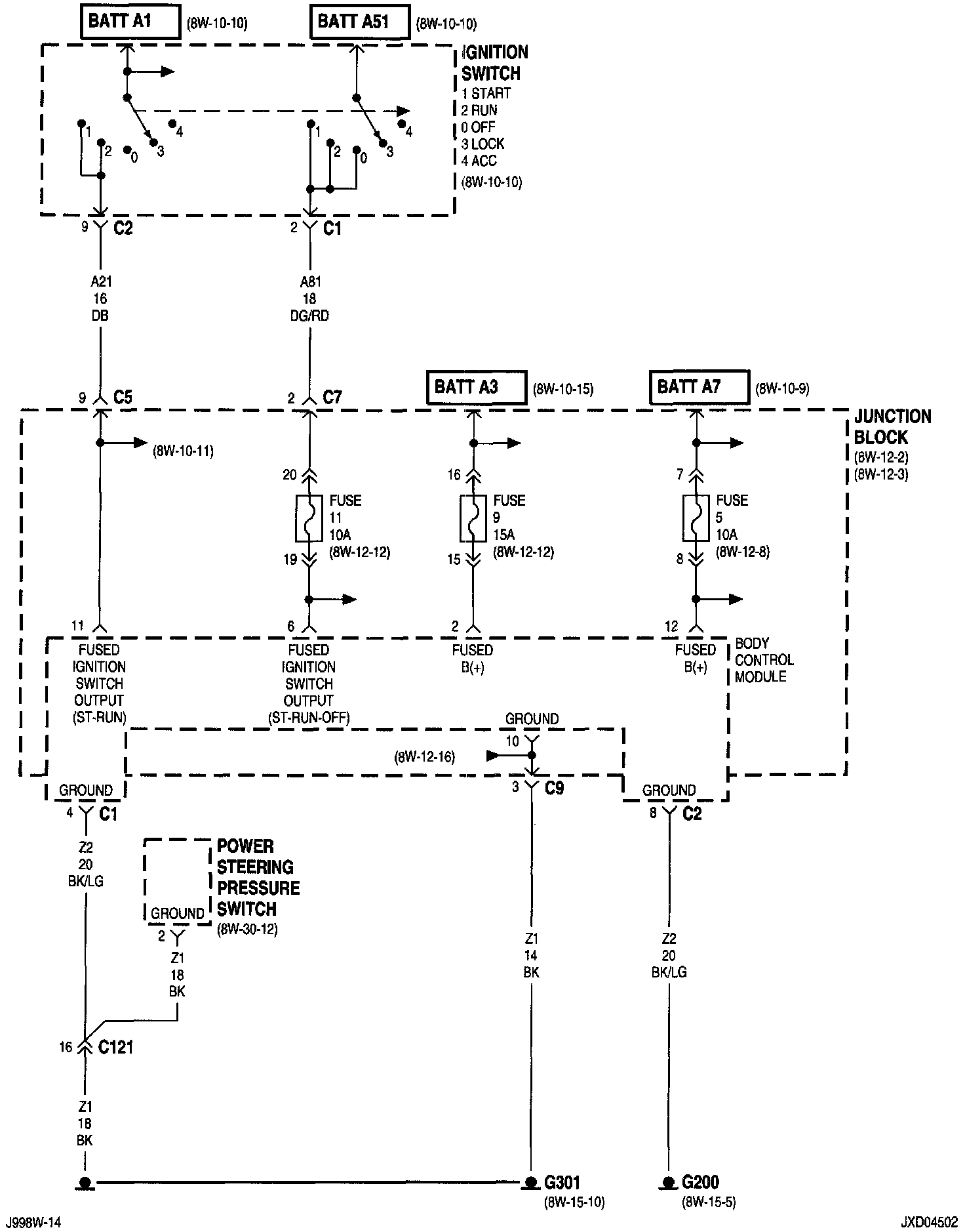
Body Control Module 8w-45-2:




Body Control Module
Fuse 5 (JB)
Fuse 9 (JB)
Fuse 11 (JB)
G200
G301
Ignition Switch
Junction Block
Power Steering Pressure Switch


Body Control Module 8w-45-3:




Airbag Control Module
Body Control Module
Controller Anti-Lock Brake
Data Link Connector
Instrument Cluster
Powertrain Control Module
Sentry Key Immobilizer Module
Transmission Control Module


Body Control Module 8w-45-4:




Body Control Module
Intermittent Wiper Relay
Intermittent Wiper Switch
Power Distribution Center
Stop Lamp Switch
Windshield Washer Pump Motor
Windshield Wiper Motor
Wiper High/Low Relay


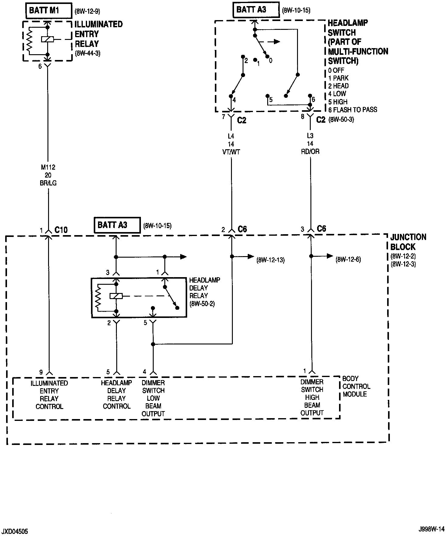
Body Control Module 8w-45-5:




Body Control Module
Headlamp Delay Relay
Headlamp Switch
Illuminated Entry Relay
Junction Block


Body Control Module 8w-45-6:




Body Control Module
Headlamp Switch
Junction Block
Left Park/Turn Signal Lamp
Left Rear Park/Turn Signal Lamp
Left Side Marker Lamp
Left Tail/Stop Lamp
License Lamp
Radio
Right Park/Turn Signal Lamp
Right Rear Park/Turn Signal Lamp
Right Side Marker Lamp
Right Tail/Stop Lamp


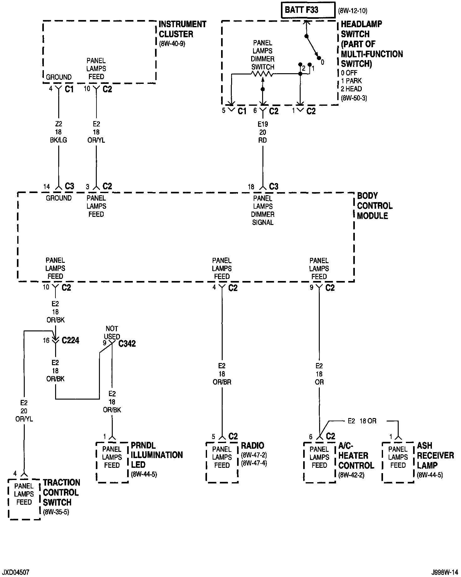
Body Control Module 8w-45-7:




A/C-Heater Control
Ash Receiver Lamp
Body Control Module
Headlamp Switch
Instrument Cluster
PRNDL Illumination LED
Radio
Traction Control Switch


Body Control Module 8w-45-8:




A/C Evaporator Temperature Sensor
A/C-Heater Control
Body Control Module
Mode Door Actuator


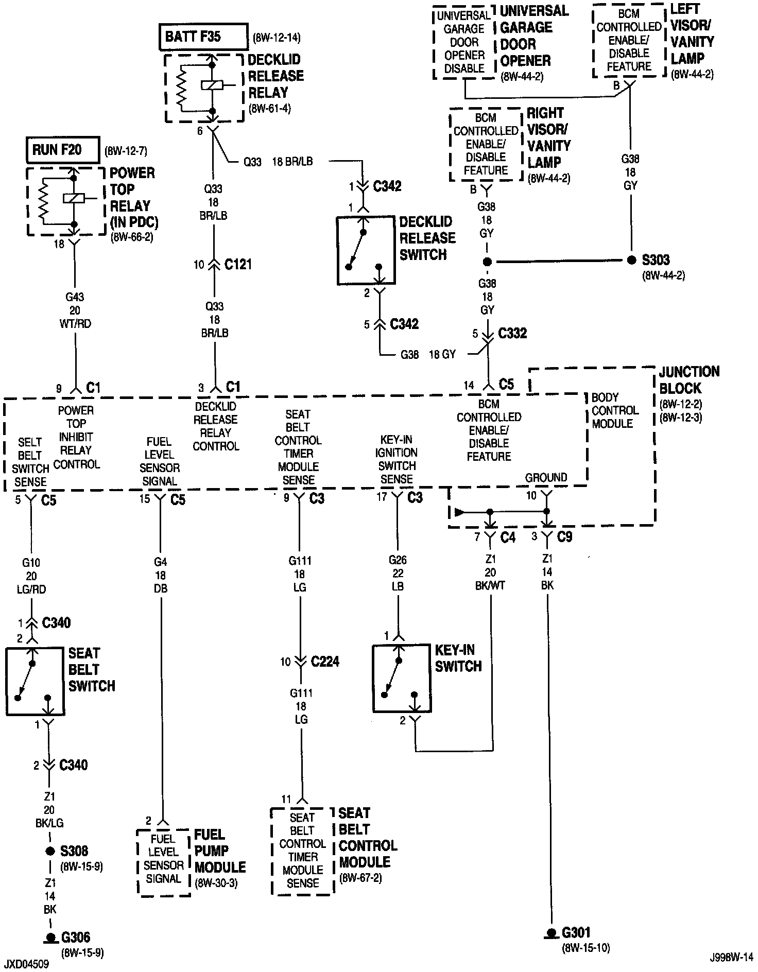
Body Control Module 8w-45-9:




Body Control Module
Decklid Release Relay
Decklid Release Switch
Fuel Pump Module
G111
G301
G306
Junction Block
Key-In Switch
Left Visor/Vanity Lamps
Power Top Relay
Right Visor/Vanity Lamps
Seat Belt Control Module
Seat Belt Switch
Universal Garage Door Opener


Body Control Module 8w-45-10:




Body Control Module
Left Power Door Lock Motor
Left Remote Keyless Entry Antenna
Right Power Door Lock Motor
Right Power Door Lock Switch
Right Remote Keyless Entry Antenna


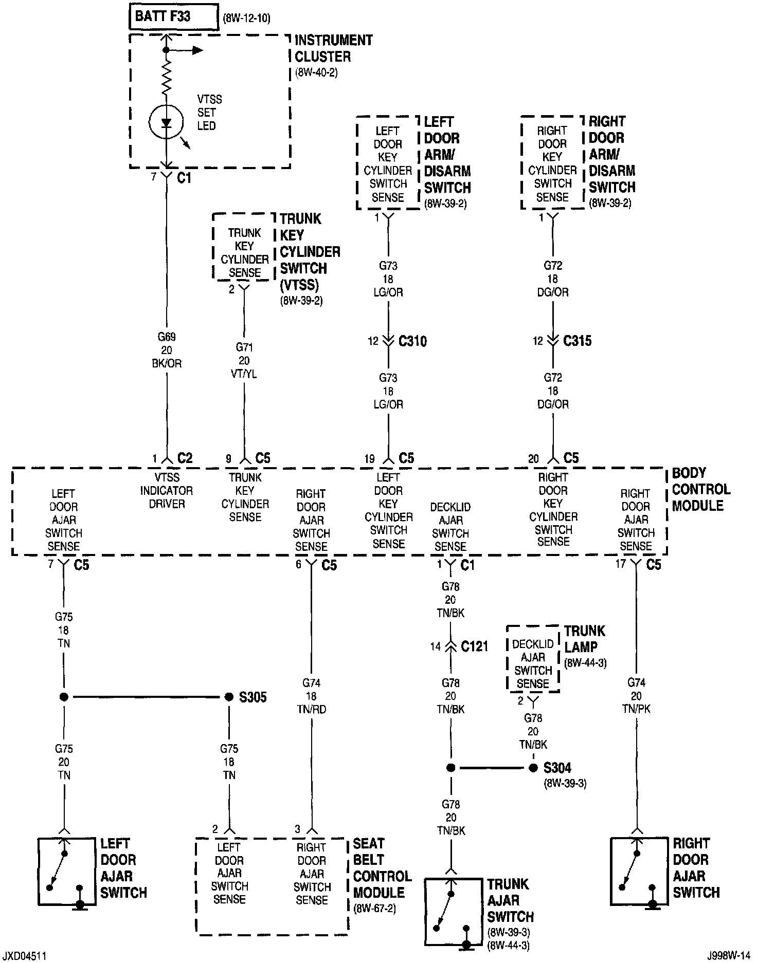
Body Control Module 8w-45-11:




Body Control Module
Instrument Cluster
Right Door Ajar Switch
Right Door Arm/Disarm Switch
Seat Belt Control Module
Trunk Ajar Switch
Trunk Key Cylinder Switch
Trunk Lamp


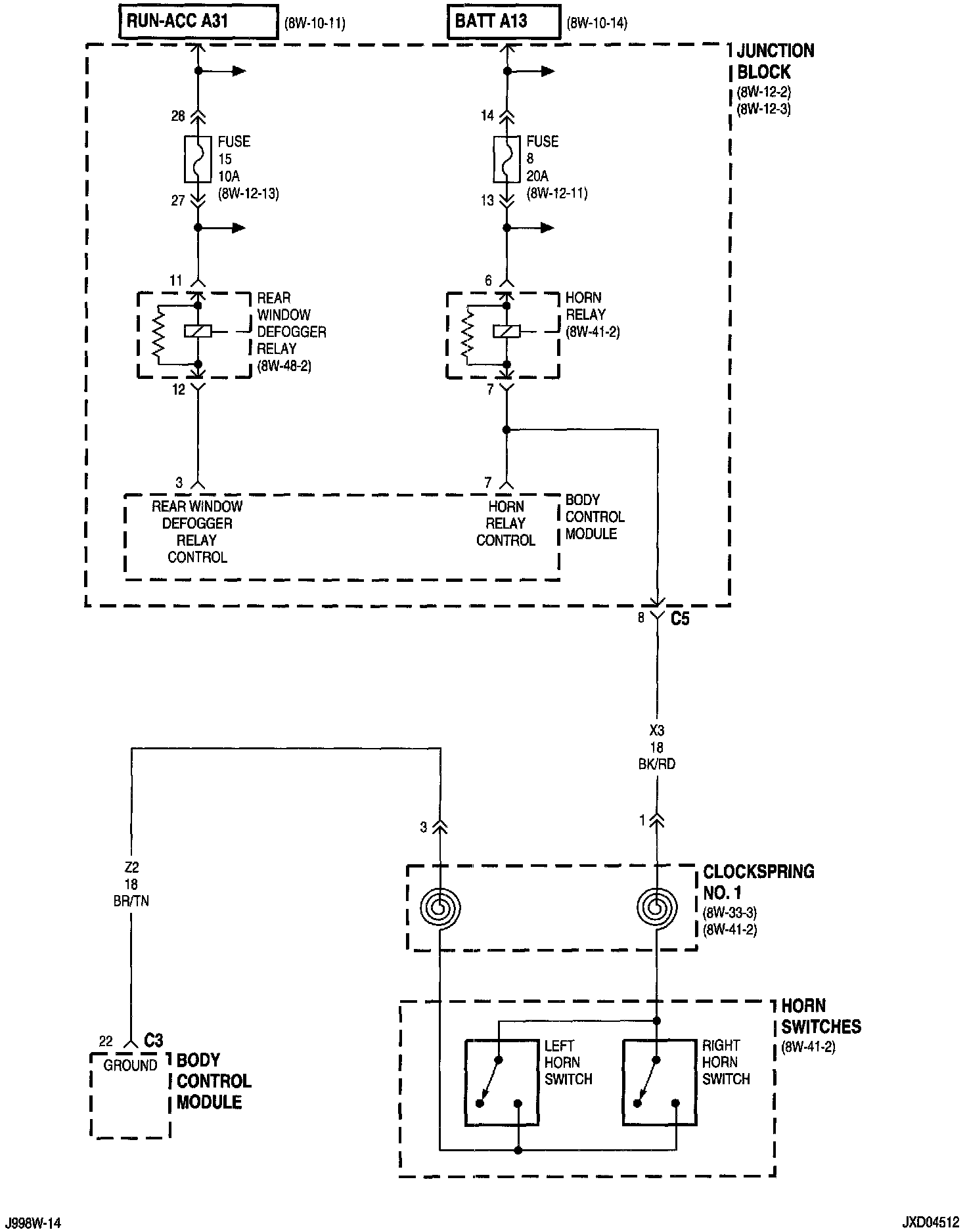
Body Control Module 8w-45-12:




Body Control Module
Clockspring No. 1
Fuse 8 (JB)
Fuse 15 (JB)
Horn Relay
Horn Switches
Junction Block
Left Horn Switch
Rear Window Defogger Relay
Right Horn Switch


NOTE: To view sheets referred to in these diagrams, see Complete Body and Chassis Diagrams Diagrams By Group Number.