LEMON Manuals: Even more car manuals for everyone: 1960-2025
Home >> Chrysler >> 2000 >> Cirrus V6-2.5L VIN H >> Repair and Diagnosis >> Powertrain Management >> Computers and Control Systems >> Relays and Modules - Computers and Control Systems >> Body Control Module >> Diagrams >> Electrical Diagrams
April 5, 2026: LEMON Manuals is launched! Read the announcement.

Electrical Diagrams

Body Control Module:





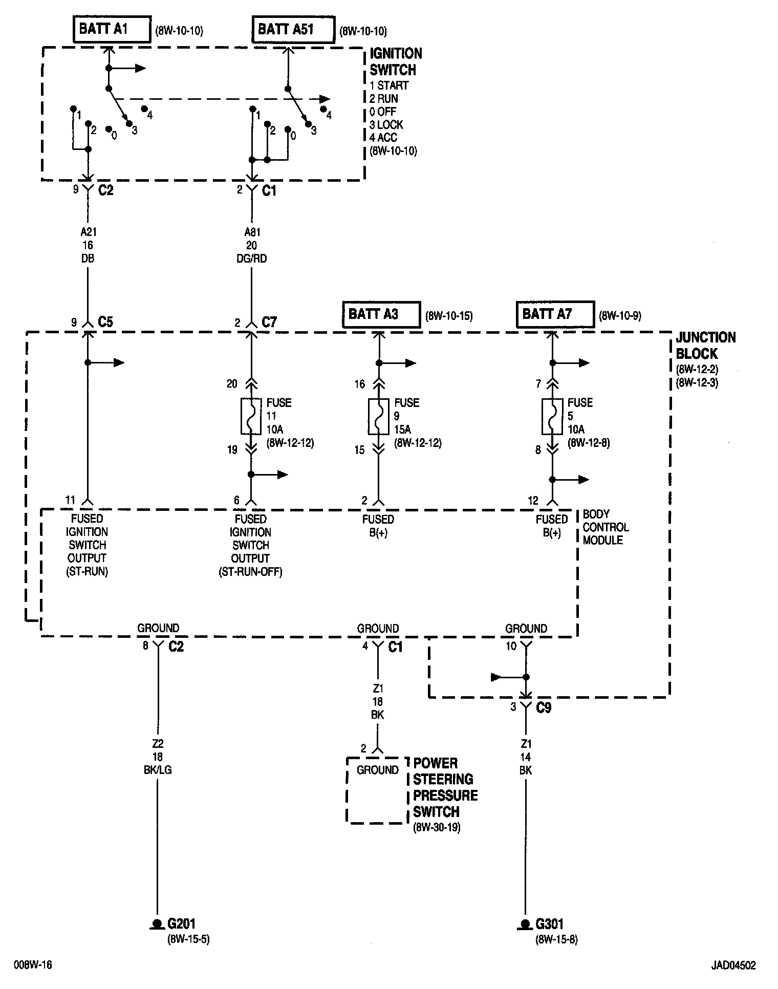
8w-45-2:




Body Control Module
Fuse 5 (JB)
Fuse 9 (JB)
Fuse 11 (JB)
G201
G301
Ignition Switch
Junction Block
Power Steering Pressure Switch


8w-45-3:




Airbag Control Module
Body Control Module
Controller Anti-Lock Brake
Data Link Connector
Instrument Cluster
Powertrain Control Module
Sentry Key Immobilizer Module


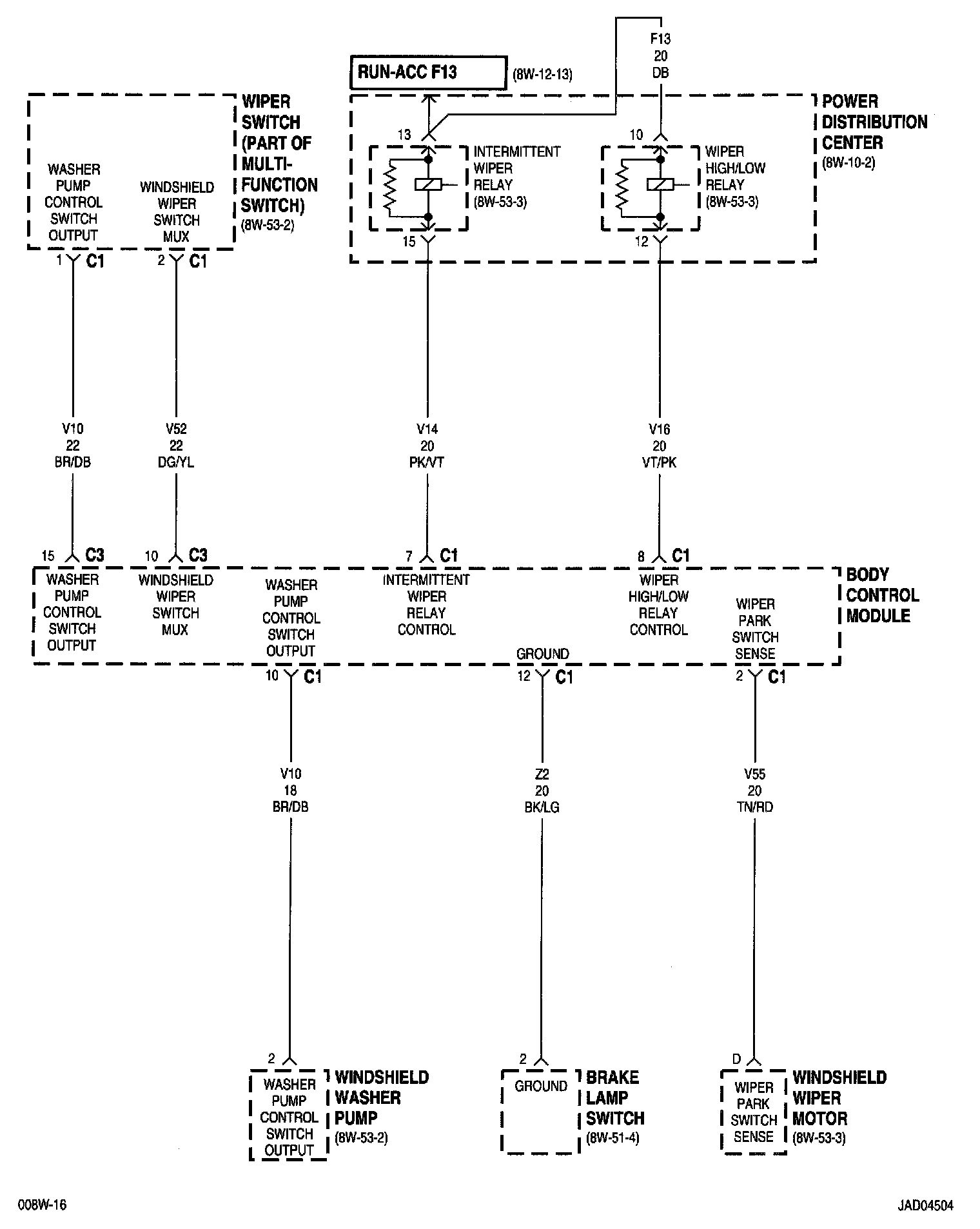
8w-45-4:




Body Control Module
Brake Lamp Switch
Intermittent Wiper Relay
Power Distribution Center
Windshield Washer Pump
Windshield Wiper Motor
Wiper High/Low Relay
Wiper Switch


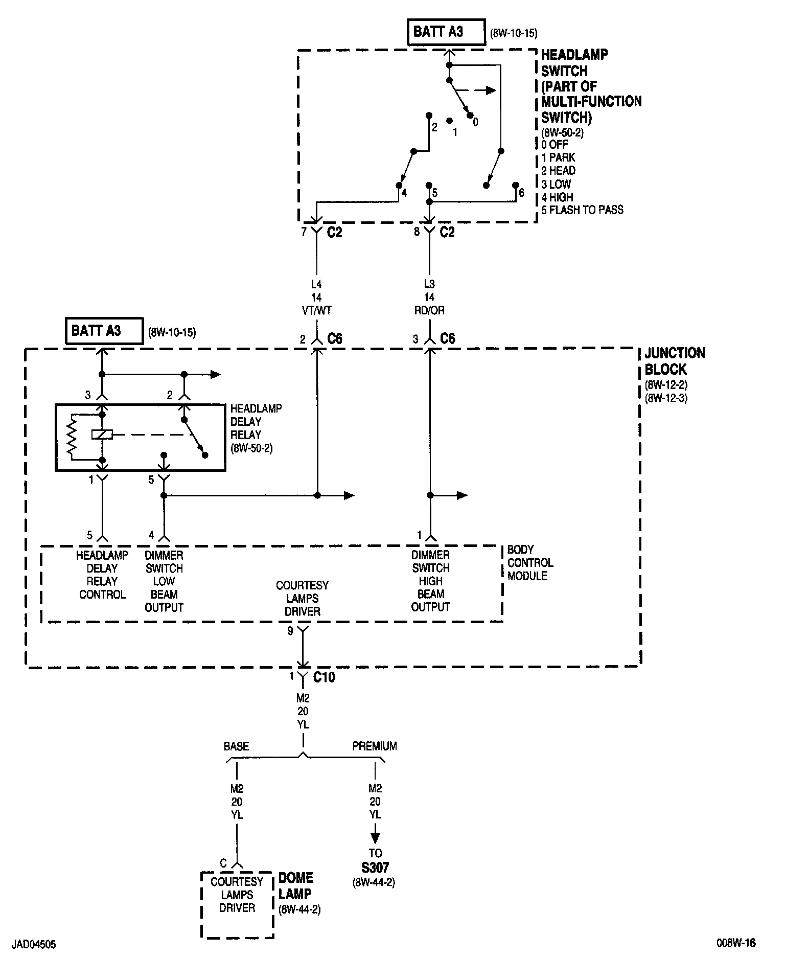
8w-45-5:




Body Control Module
Dome Lamp
Headlamp Switch
Junction Block


8w-45-6:




Body Control Module
Clockspring No.1
Fuse 8 (JB)
Fuse 15 (JB)
Headlamp Switch
Junction Block
Left Park/Turn Signal Lamp
Radio
Rear Window Defogger Relay
Right Park/Turn Signal Lamp
Vehicle Speed Control Switch


8w-45-7:




A/C-Heater Control
Ash Receiver Lamp
Body Control Module
Headlamp Switch
Instrument Cluster
PRNDL Illumination LED
Radio


8w-45-8:




A/C Evaporator Temperature Sensor
A/C- Heater Control
Body Control Module
Mode Door Actuator


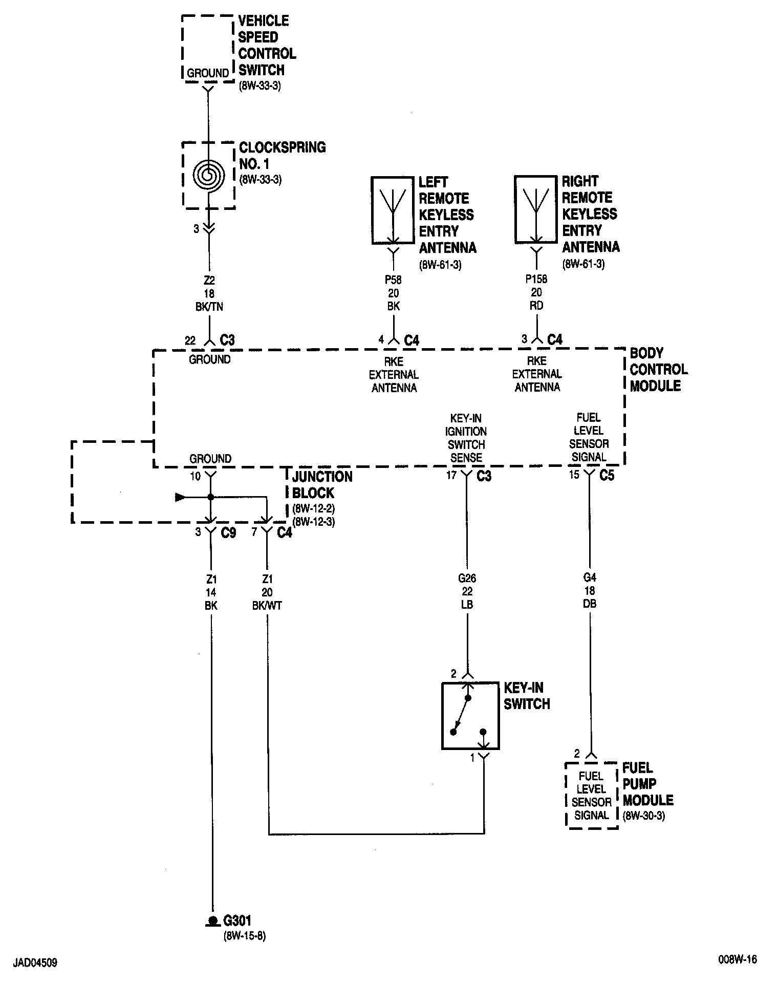
8w-45-9:




Body Control Module
Clockspring No.1
Fuel Pump Module
G301
Junction Block
Key-In Switch
Left Remote Keyless Entry Antenna
Right Remote Keyless Entry Antenna
Vehicle Speed Control Switch


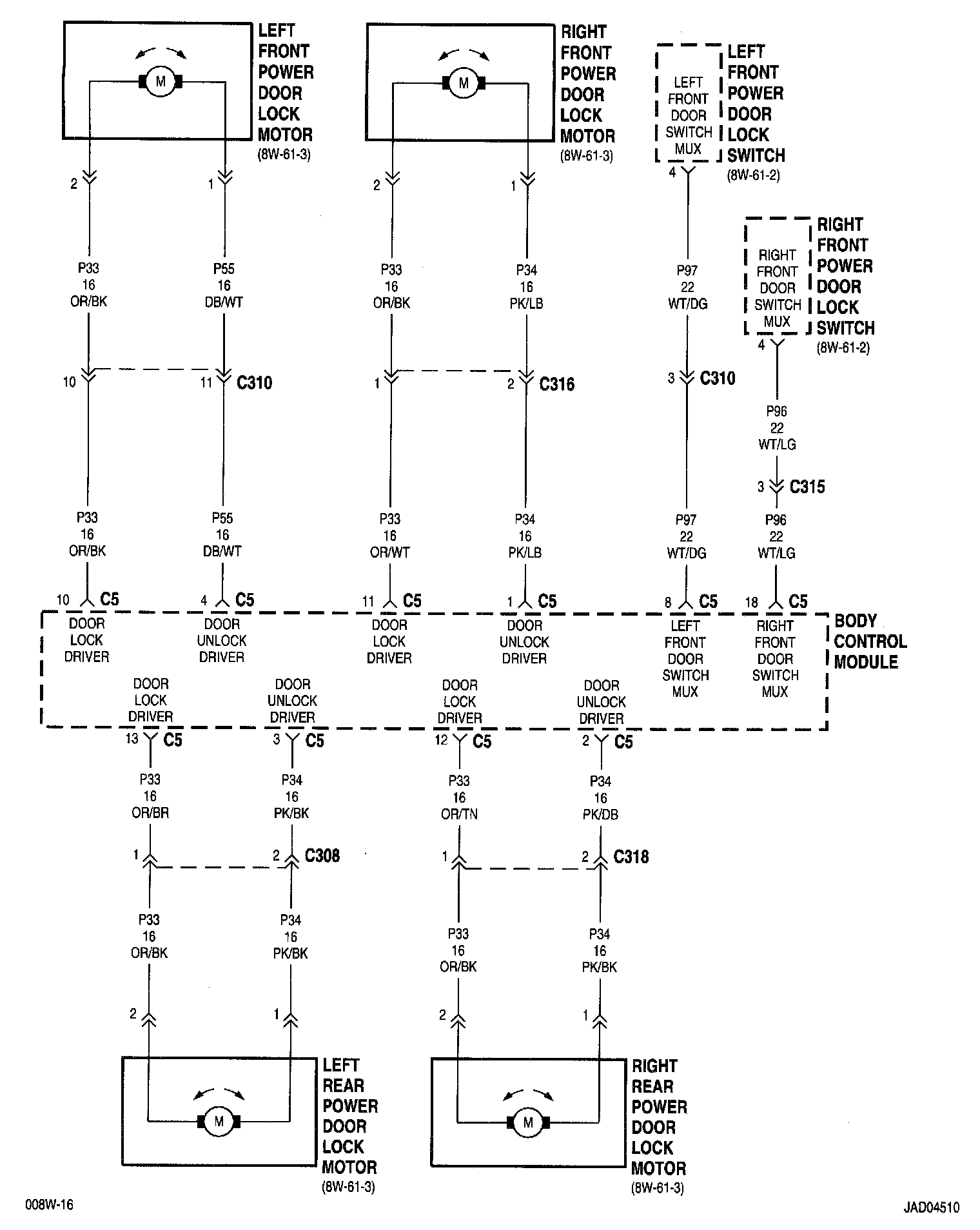
8w-45-10:




Body Control Module
Left Front Power Door Lock Motor
Left Front Power Door Lock Switch
Left Rear Power Door Lock Motor
Right Rear Power Door Lock Motor


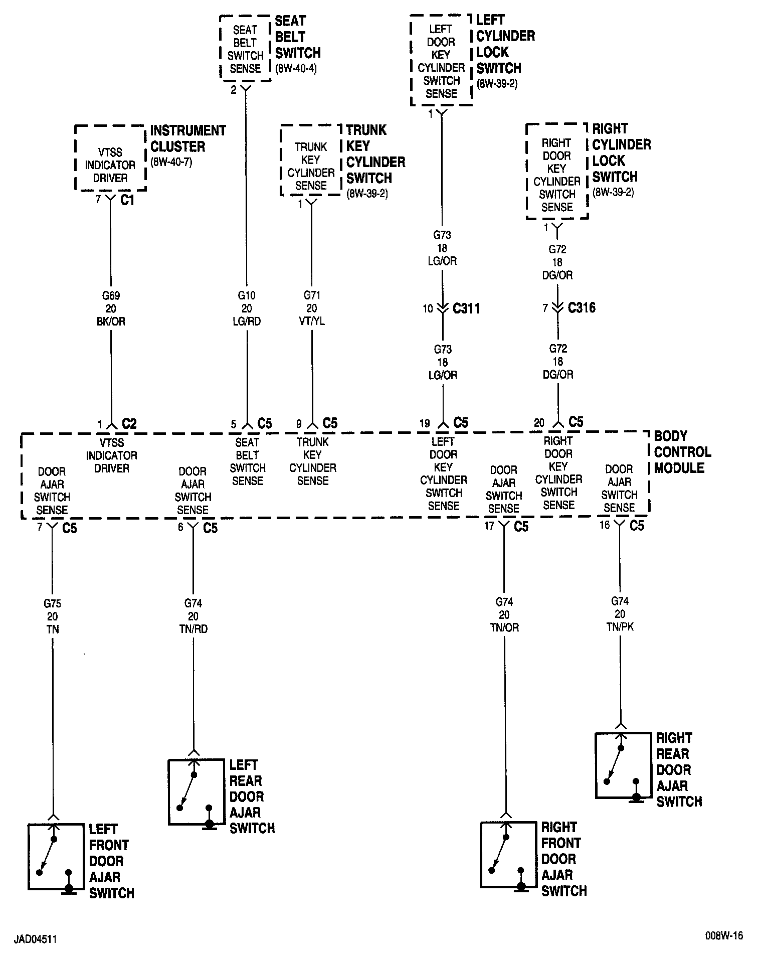
8w-45-11:




Body Control Module
Instrument Cluster
Left Cylinder Lock Switch
Seat Belt Switch
Trunk Key Cylinder Switch


NOTE: To view sheets referred to in these diagrams, see Complete Body and Chassis Diagrams Electrical Diagrams