LEMON Manuals: Even more car manuals for everyone: 1960-2025
Home >> Chrysler >> 2000 >> Intrepid (CANADA) V6-3.2L >> Repair and Diagnosis >> Diagrams >> Electrical Diagrams >> Powertrain Management >> Computers and Control Systems >> Body Control Module
April 5, 2026: LEMON Manuals is launched! Read the announcement.

Body Control Module

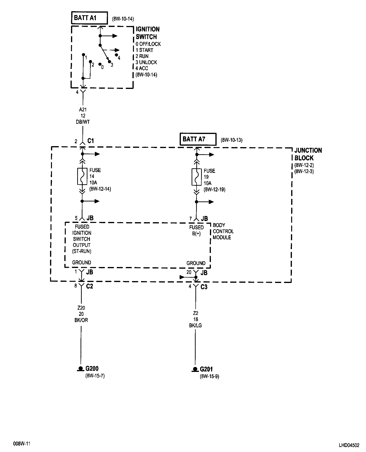
8W-45-2:




Body Control Module
Fuse 14 (JB)
Fuse 19 (JB)
G200
G201
Ignition Switch
Junction Block


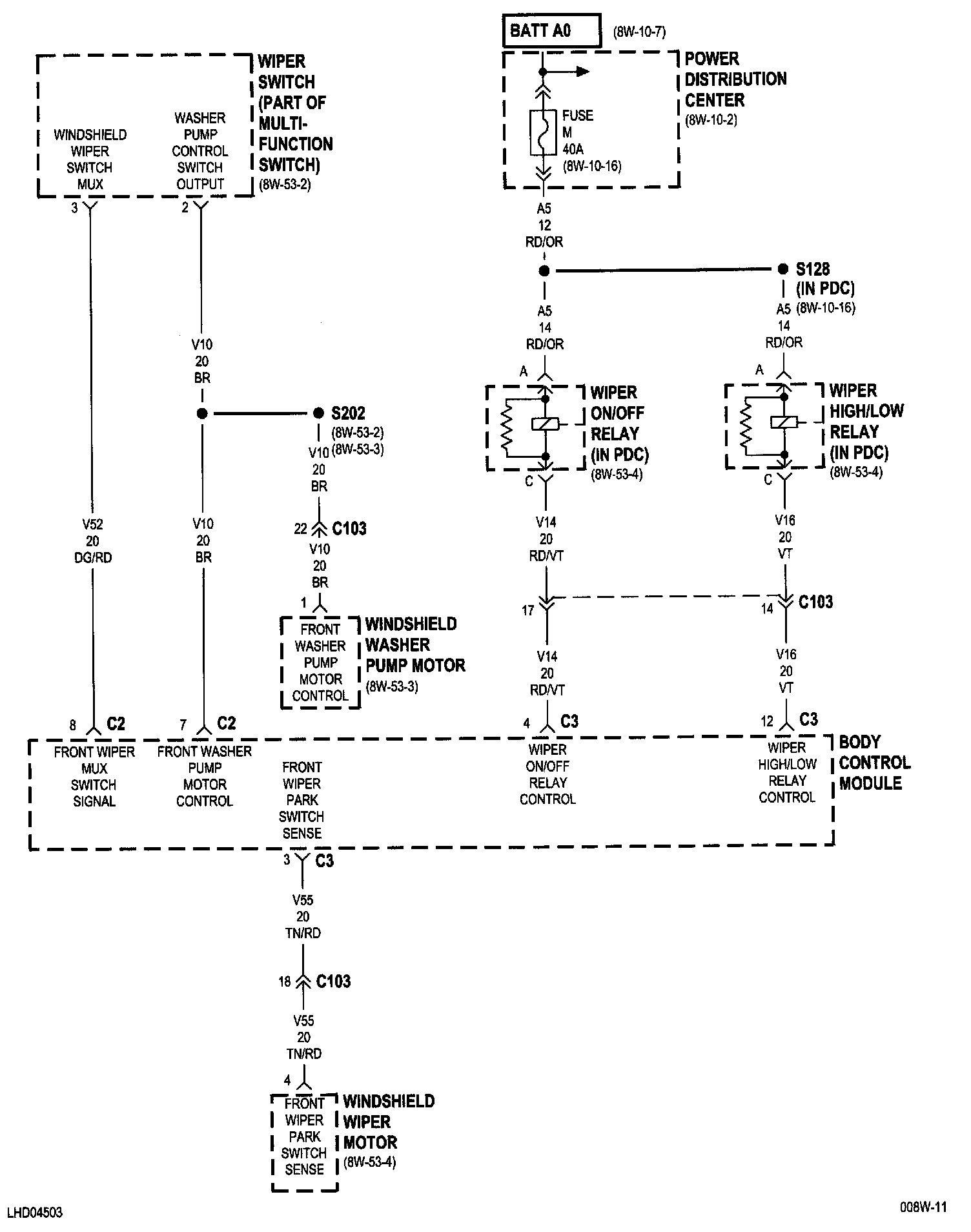
8W-45-3:




Body Control Module
Fuse M (PDC)
Power Distribution Center
Windshield Washer Pump Motor
Windshield Wiper Motor
Wiper High/Low Relay
Wiper On/Off Relay


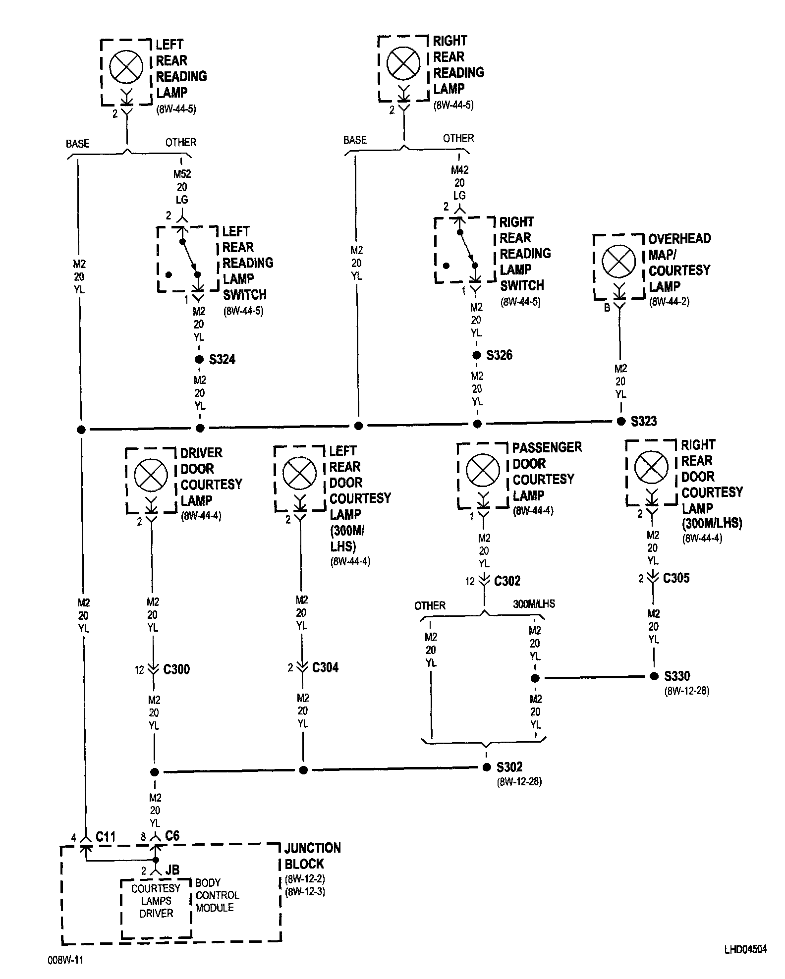
8W-45-4:




Body Control Module
Driver Door Courtesy Lamp
Junction Block
Left Rear Door Courtesy Lamp
Left Rear Reading Lamp
Left Rear Reading Lamp Switch
Overhead Map/Courtesy Lamp
Passenger Door Courtesy Lamp
Right Rear Door Courtesy Lamp


8W-45-5:




Body Control Module
Driver Door Cylinder Lock Switch
Headlamp Switch
Passenger Door Cylinder Lock Switch


8W-45-6:




Ambient Temperature Sensor
Automatic Temperature Control Head
Blower Motor Power Module
Body Control Module
Evaporator Temperature Sensor
Sun Sensor/VTSS LED


8W-45-7:




Body Control Module
Mode Door Actuator


8W-45-8:




Blend Door Actuator
Body Control Module
Recirculation Door Actuator


8W-45-9:




Body Control Module
Driver Power Door Lock Switch
Headlamp Switch
Ignition Switch
Passenger Power Door Lock Switch
Seat Belt Switch
Trunk Knock Out Switch


8W-45-10:




Body Control Module
Driver Door Lock Motor/Ajar Switch
Fuel Pump Module
Passenger Door Lock Motor/Ajar Switch
Remote Keyless Entry Module
Right Rear Door Lock Motor/Ajar Switch


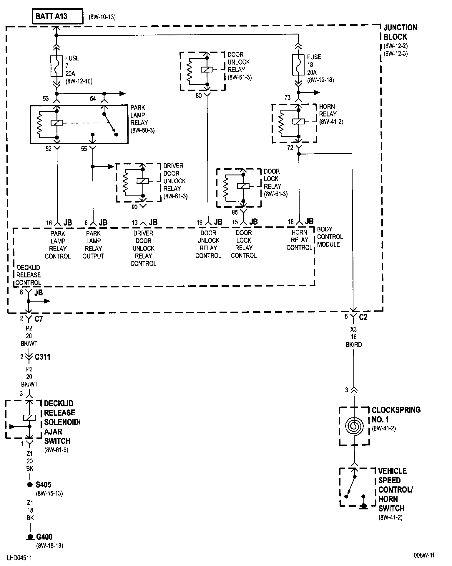
8W-45-11:




Body Control Module
Clockspring No.1
Decklid Release Solenoid/Ajar Switch
Door Lock Relay
Door Unlock Relay
Driver Door Unlock Relay
Fuse 7 (JB)
Fuse 18 (JB)
G400
Horn Relay
Junction Block
Park Lamp Relay
Vehicle Speed Control/Horn Switch


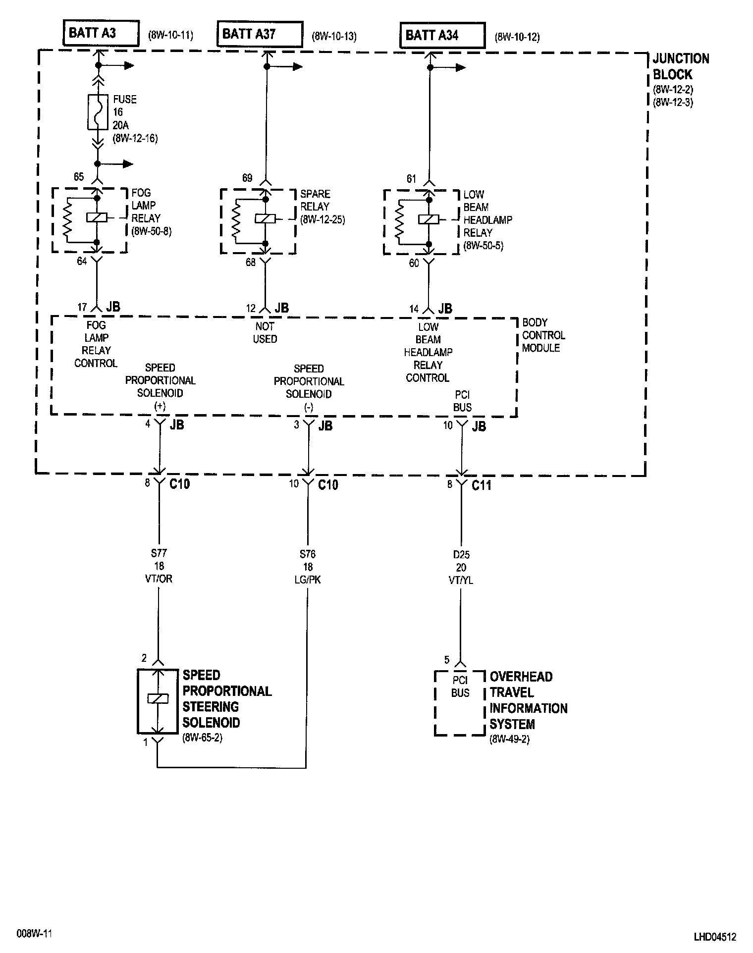
8W-45-12:




Body Control Module
Fog Lamp Relay
Fuse 16 (JB)
Junction Block
Low Beam Headlamp Relay
Overhead Travel Information System
Speed Proportional Steering Solenoid


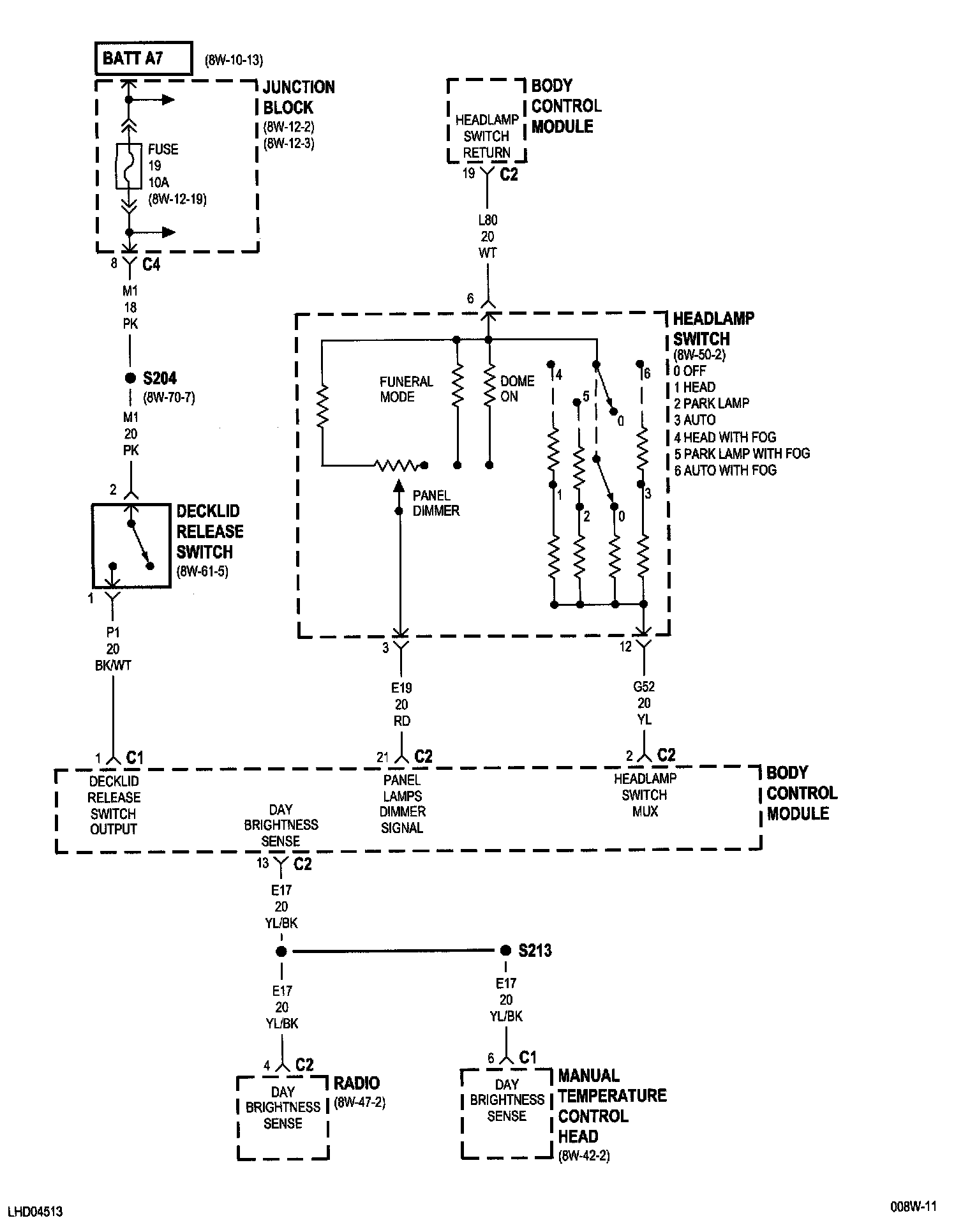
8W-45-13:




Body Control Module
Decklid Release Switch
Fuse 19 (JB)
Headlamp Switch
Junction Block
Manual Temperature Control Head
Radio


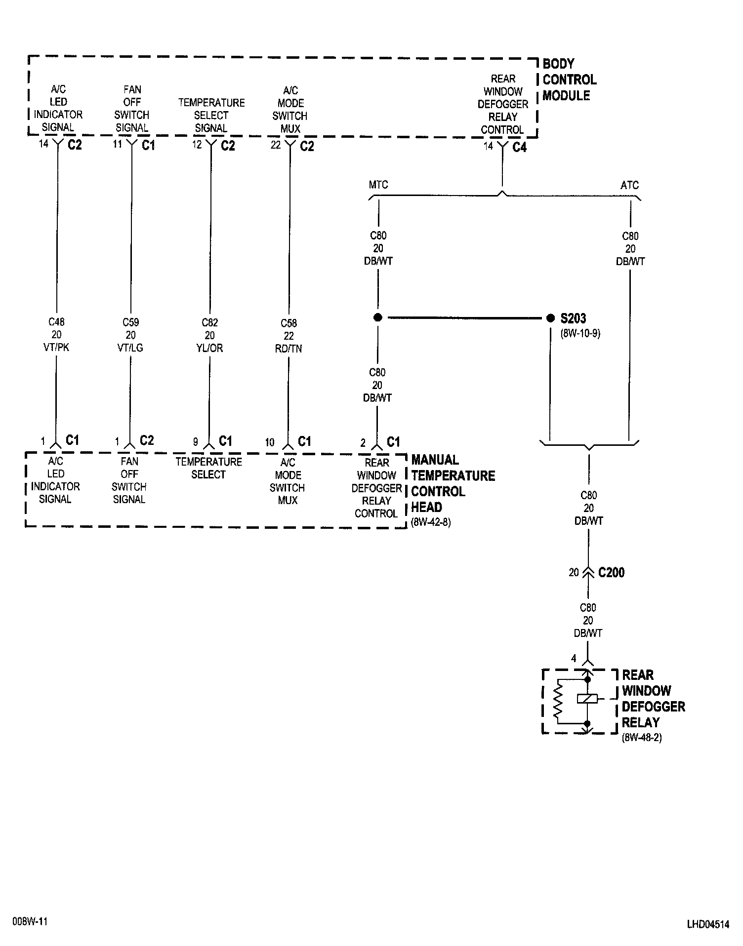
8W-45-14:




Body Control Module
Manual Temperature Control Head
Rear Window Defogger Relay


8W-45-15:




Automatic Temperature Control Head
Body Control Module
Controller Anti-Lock Brake
Data Link Connector
Instrument Cluster
Memory Heated Seat/Mirror Module
Occupant Restraint Controller
Powertrain Control Module
Radio
Sentry Key Immobilizer Module
Transmission Control Module


NOTE: To view sheets referred to in these diagrams, see Complete Body and Chassis Diagrams.
Electrical Diagrams