LEMON Manuals: Even more car manuals for everyone: 1960-2025
Home >> Chrysler >> 2000 >> Sebring Convertible V6-2.5L VIN H >> Repair and Diagnosis >> Powertrain Management >> Computers and Control Systems >> Relays and Modules - Computers and Control Systems >> Body Control Module >> Diagrams >> Electrical Diagrams
April 5, 2026: LEMON Manuals is launched! Read the announcement.

Electrical Diagrams

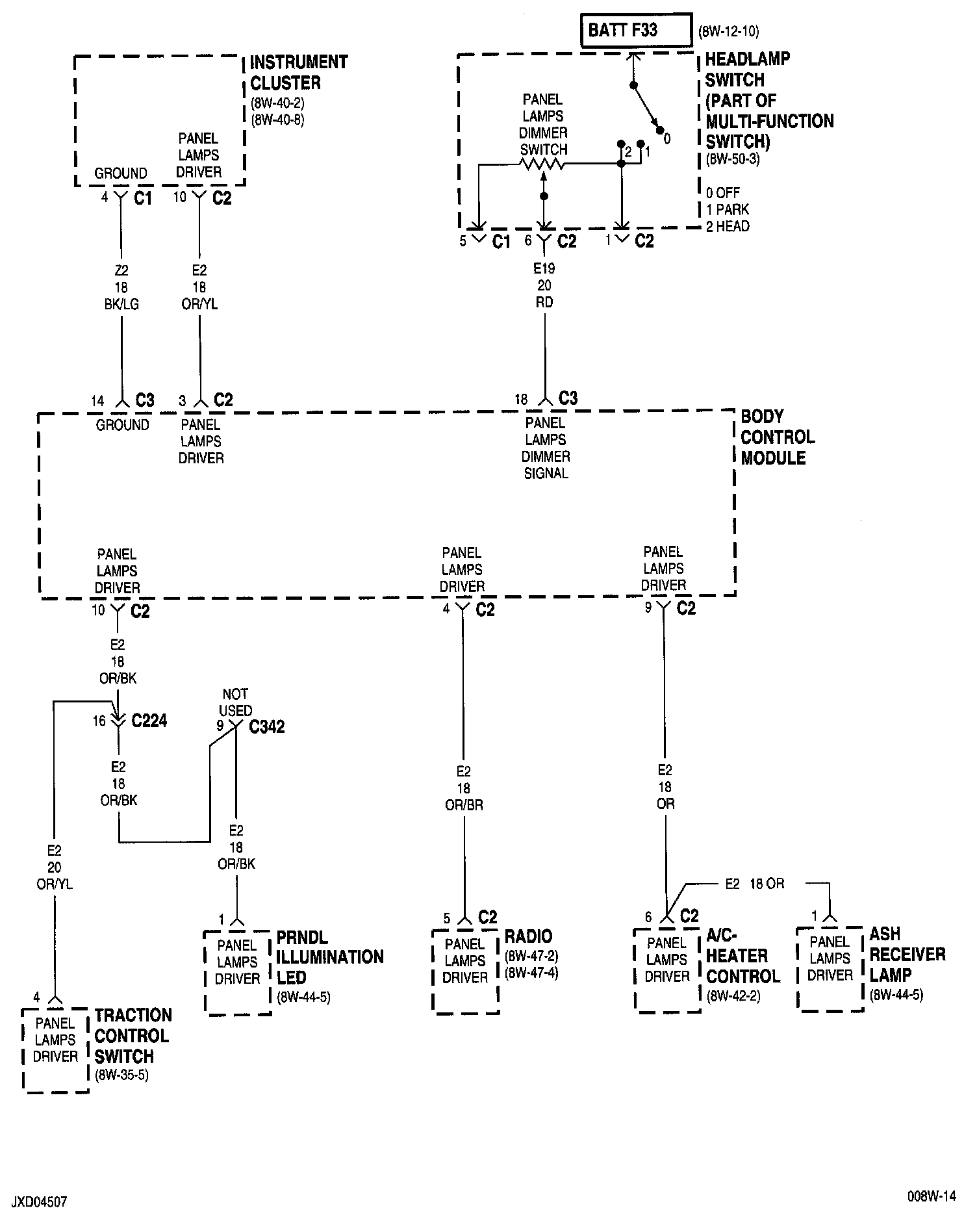
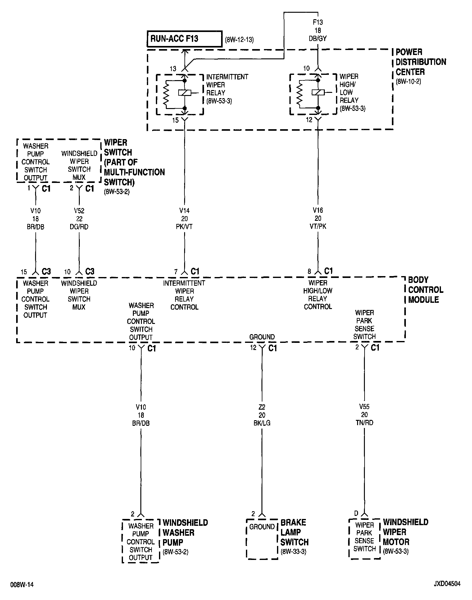
8w-45-2:




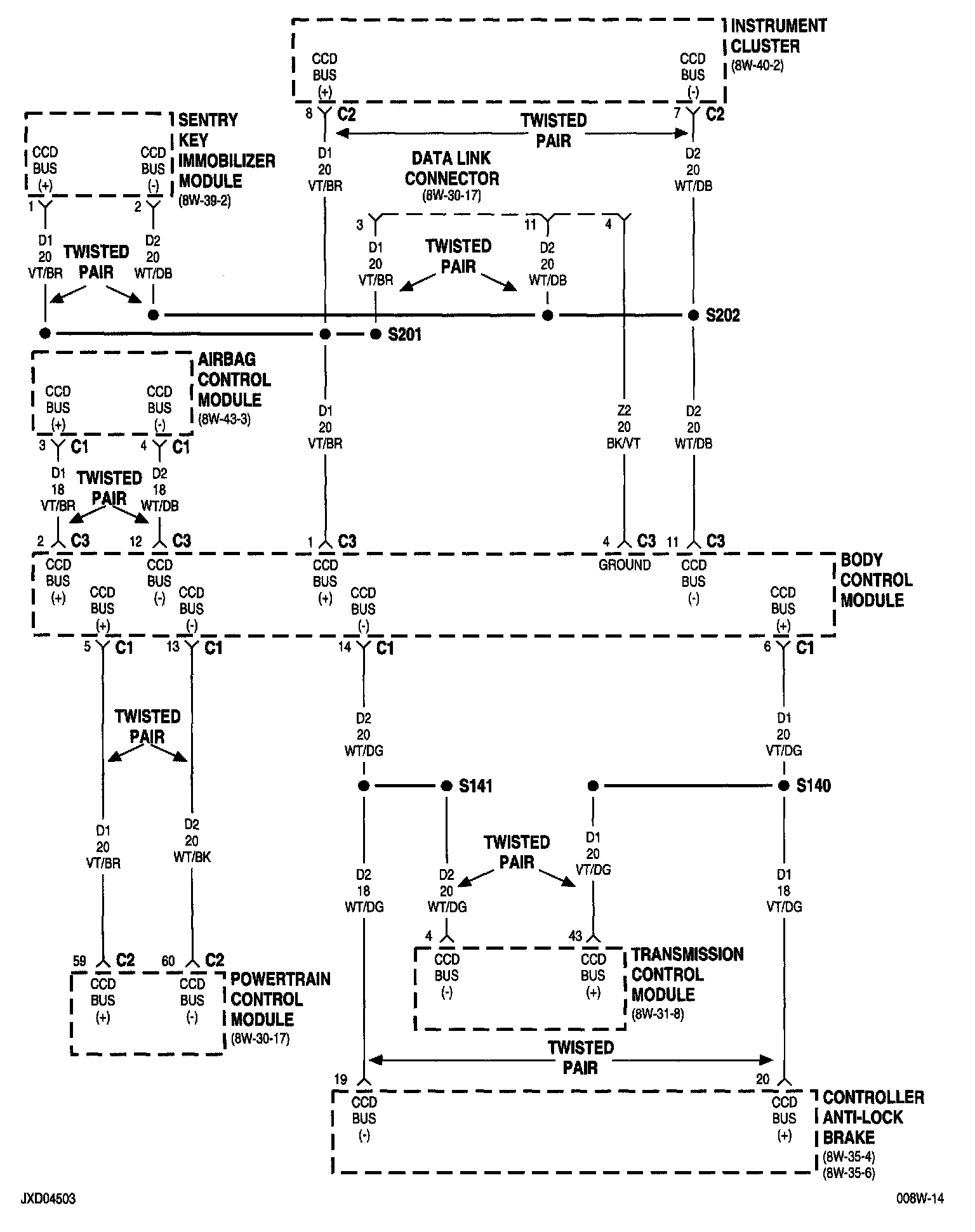
8w-45-3:




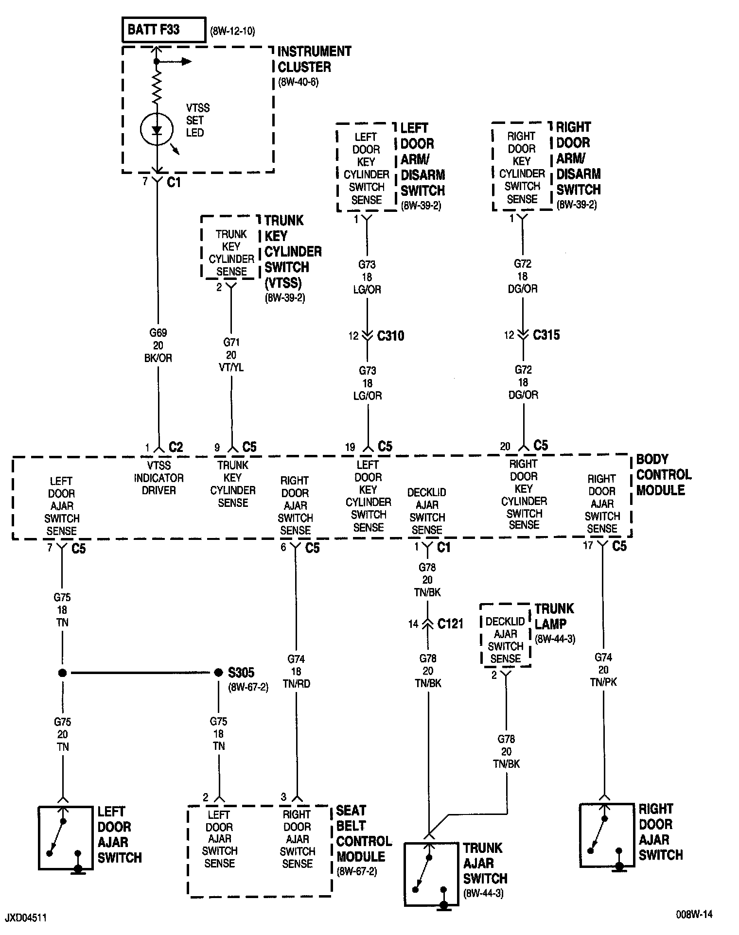
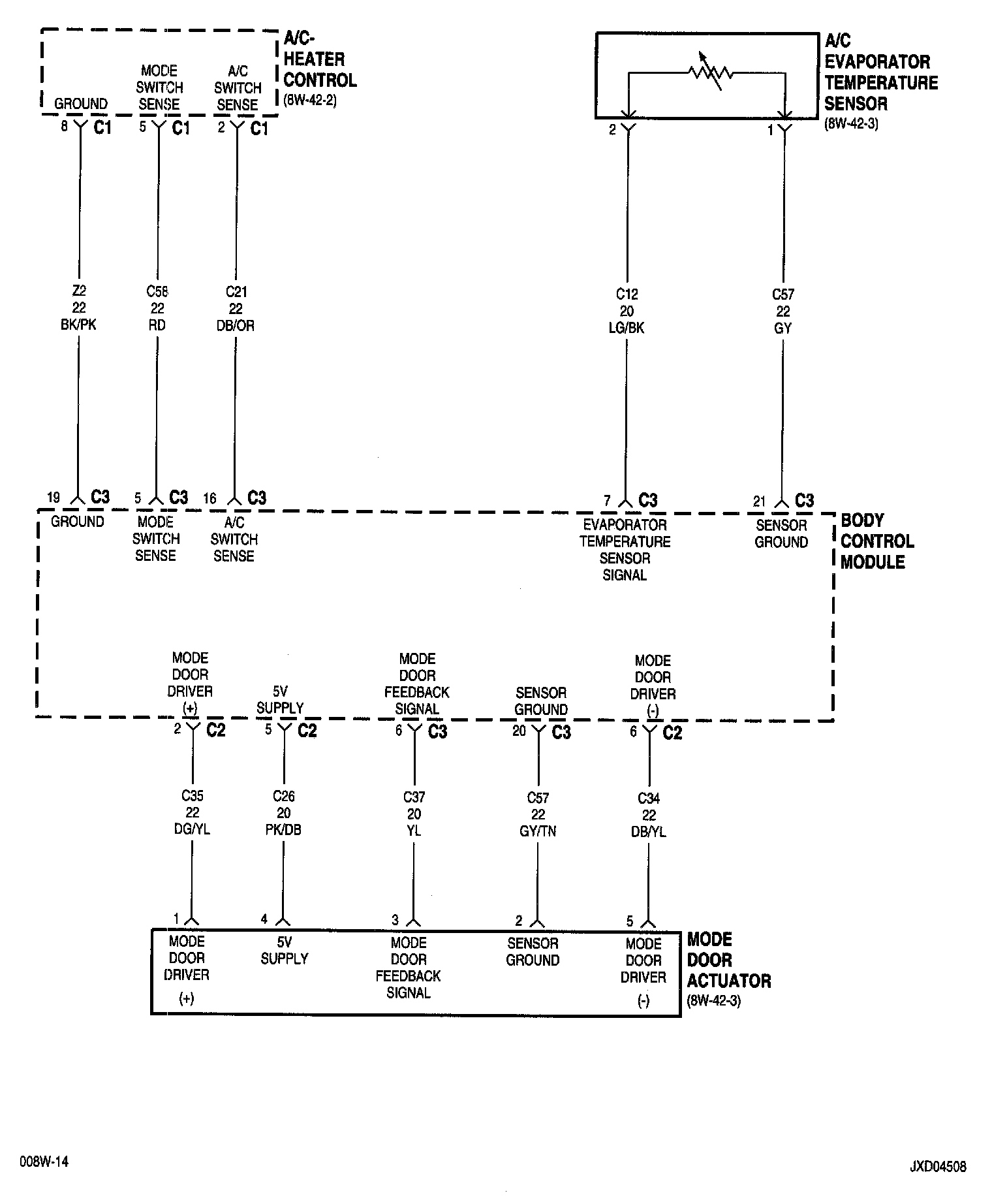
8w-45-4:




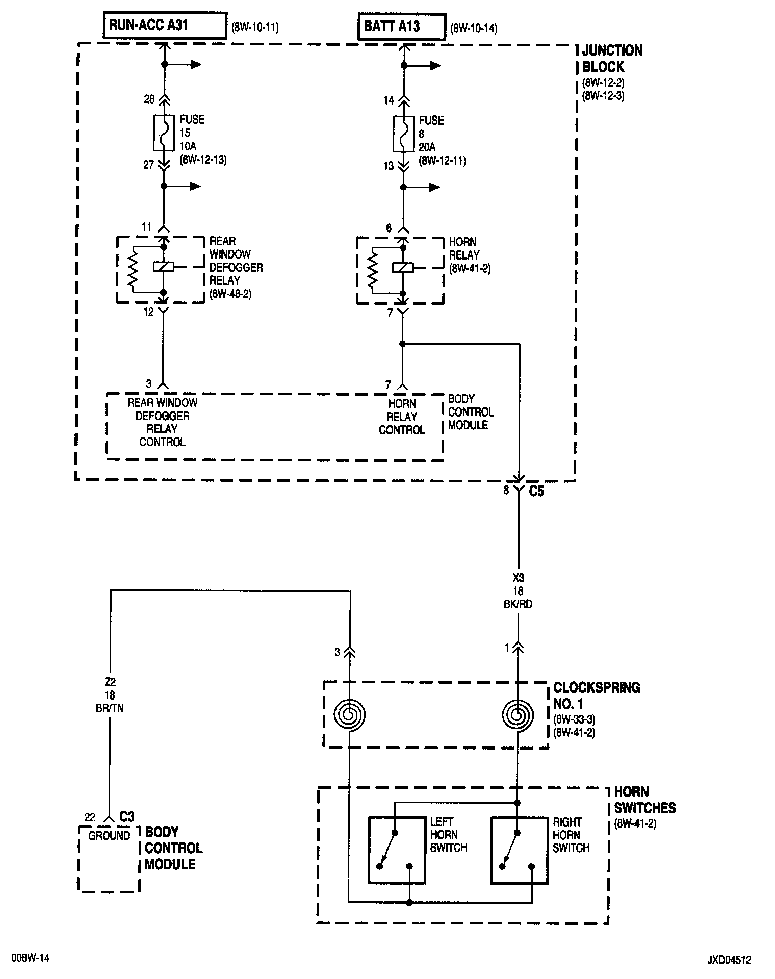
8w-45-5:




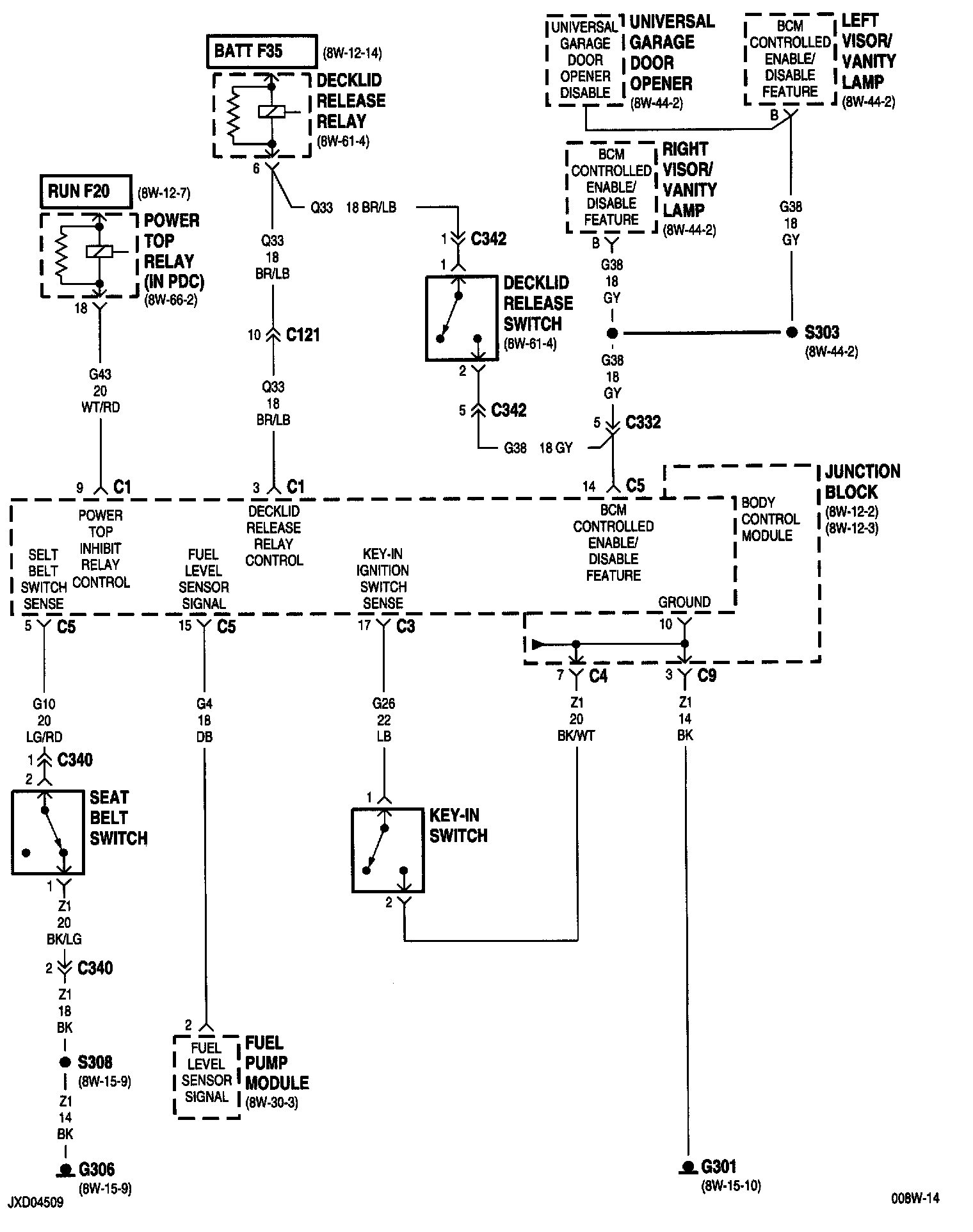
8w-45-6:




8w-45-7:




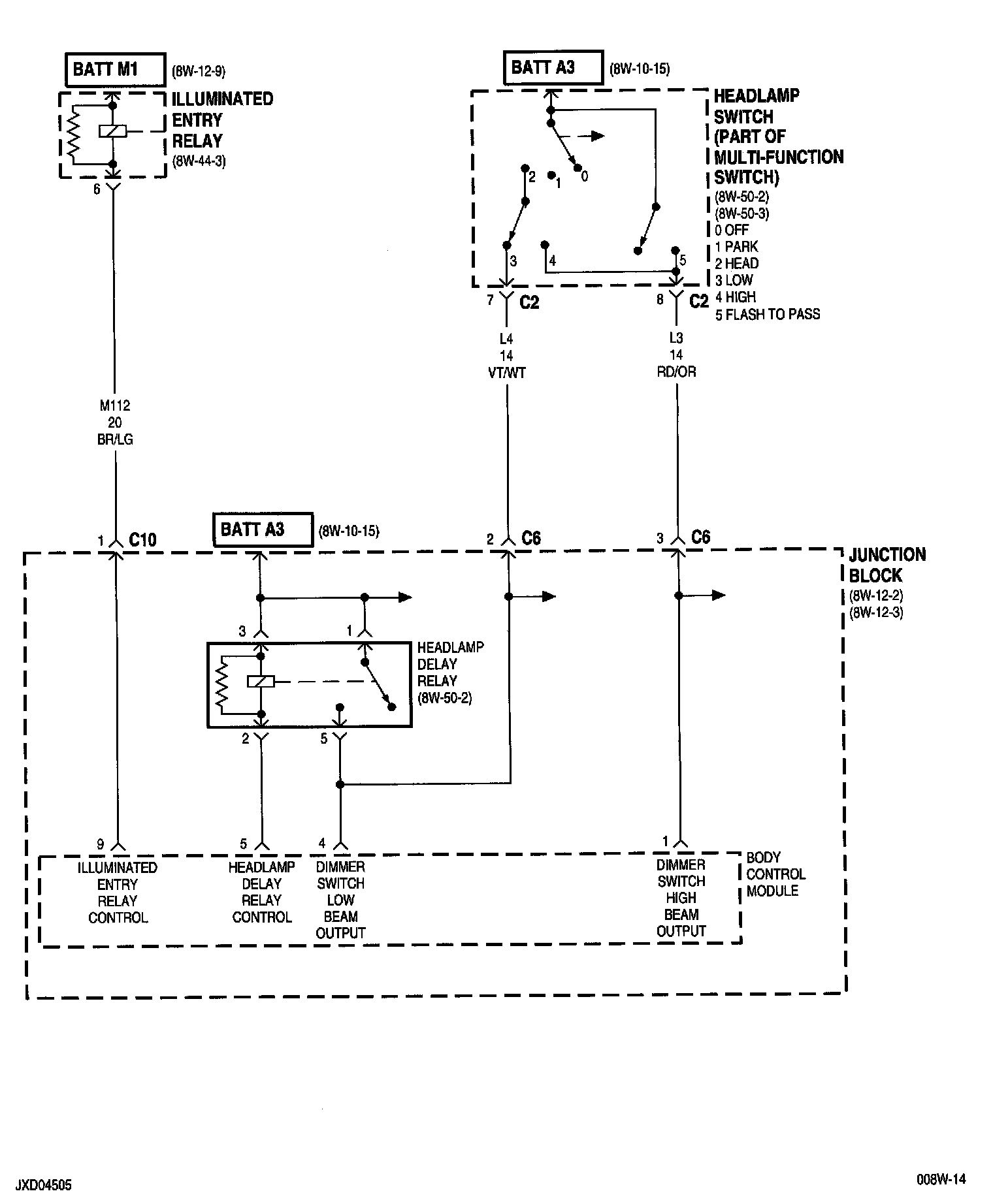
8w-45-8:




8w-45-9:




8w-45-10:




8w-45-11:




8w-45-12:




Body Control Module:





NOTE: To view sheets referred to in these diagrams, see Complete Body and Chassis Diagrams.
Electrical Diagrams