LEMON Manuals: Even more car manuals for everyone: 1960-2025
Home >> Chrysler >> 2002 >> Intrepid (CANADA) V6-2.7L >> Repair and Diagnosis >> Diagrams >> Electrical Diagrams >> Power Distribution Module >> Ground Distribution
April 5, 2026: LEMON Manuals is launched! Read the announcement.

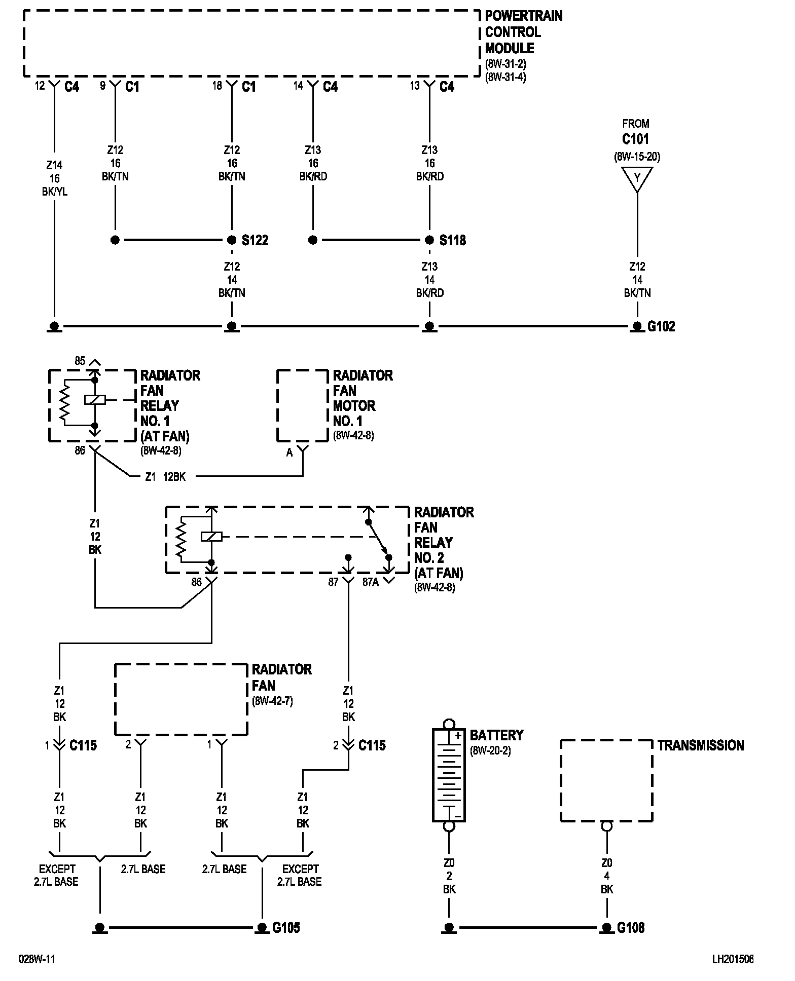
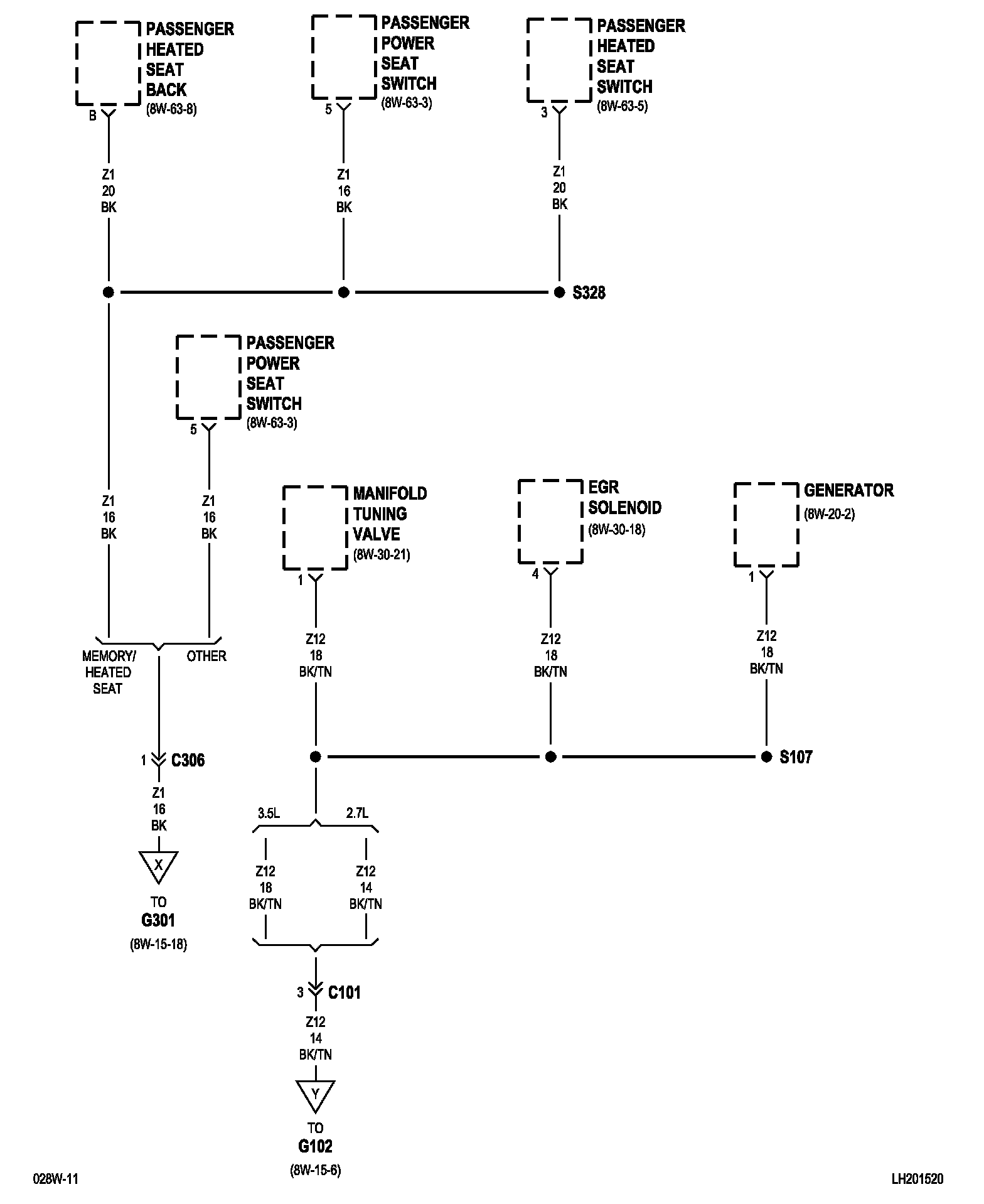
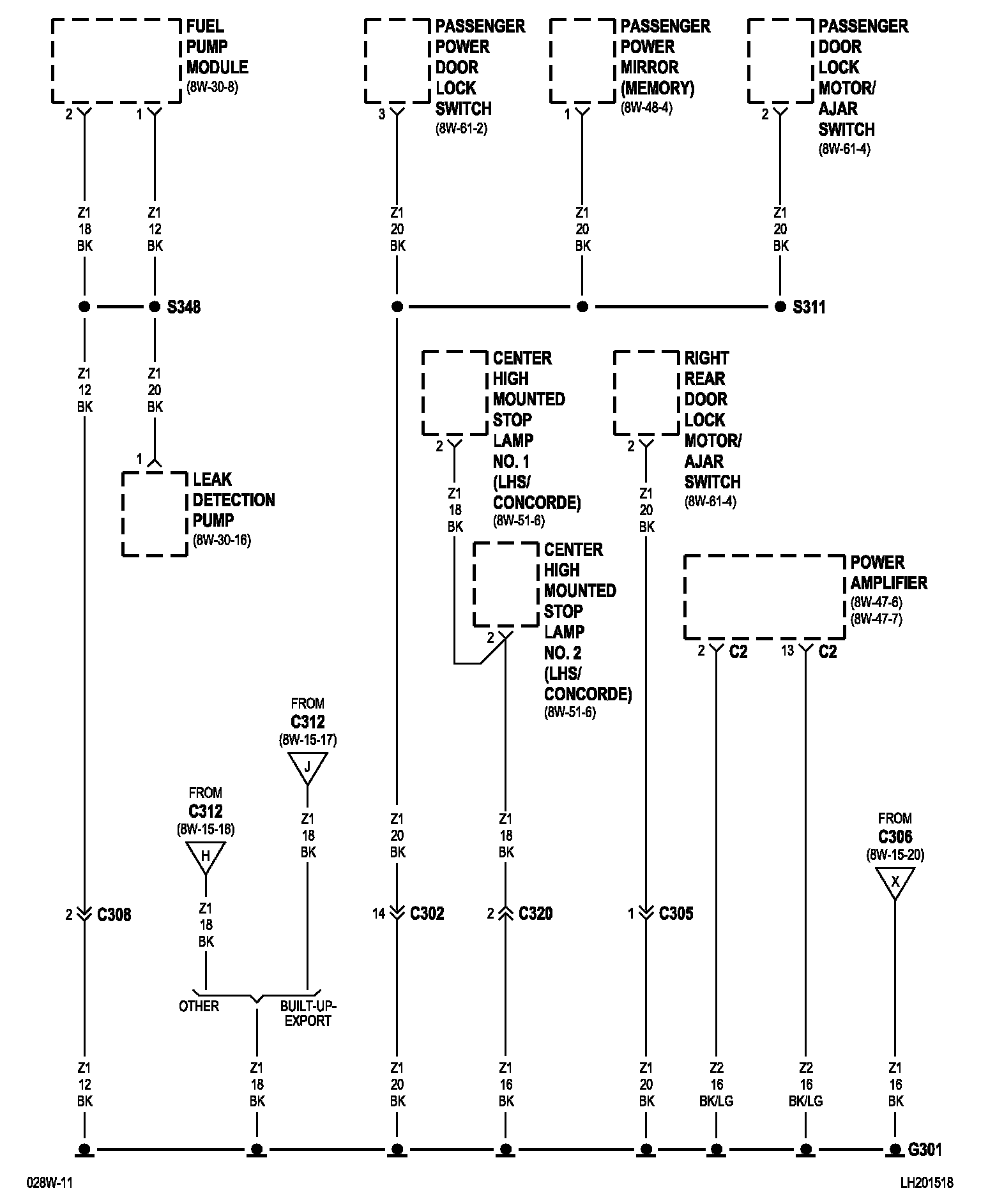
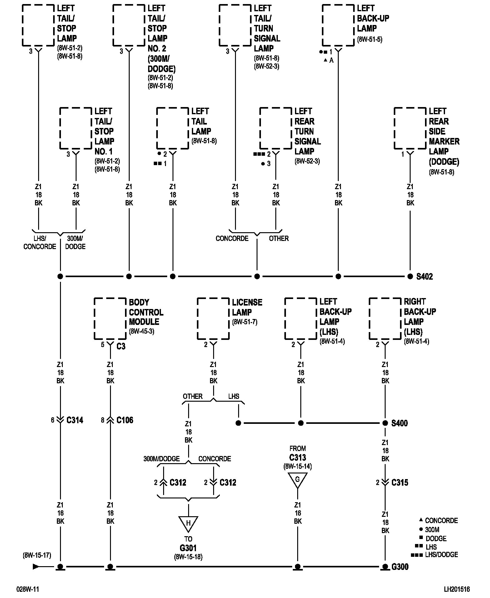
Ground Distribution

8w-15-2:




8w-15-3:




8w-15-4:




8w-15-5:




8w-15-6:




8w-15-7:




8w-15-8:




8w-15-9:




8w-15-10:




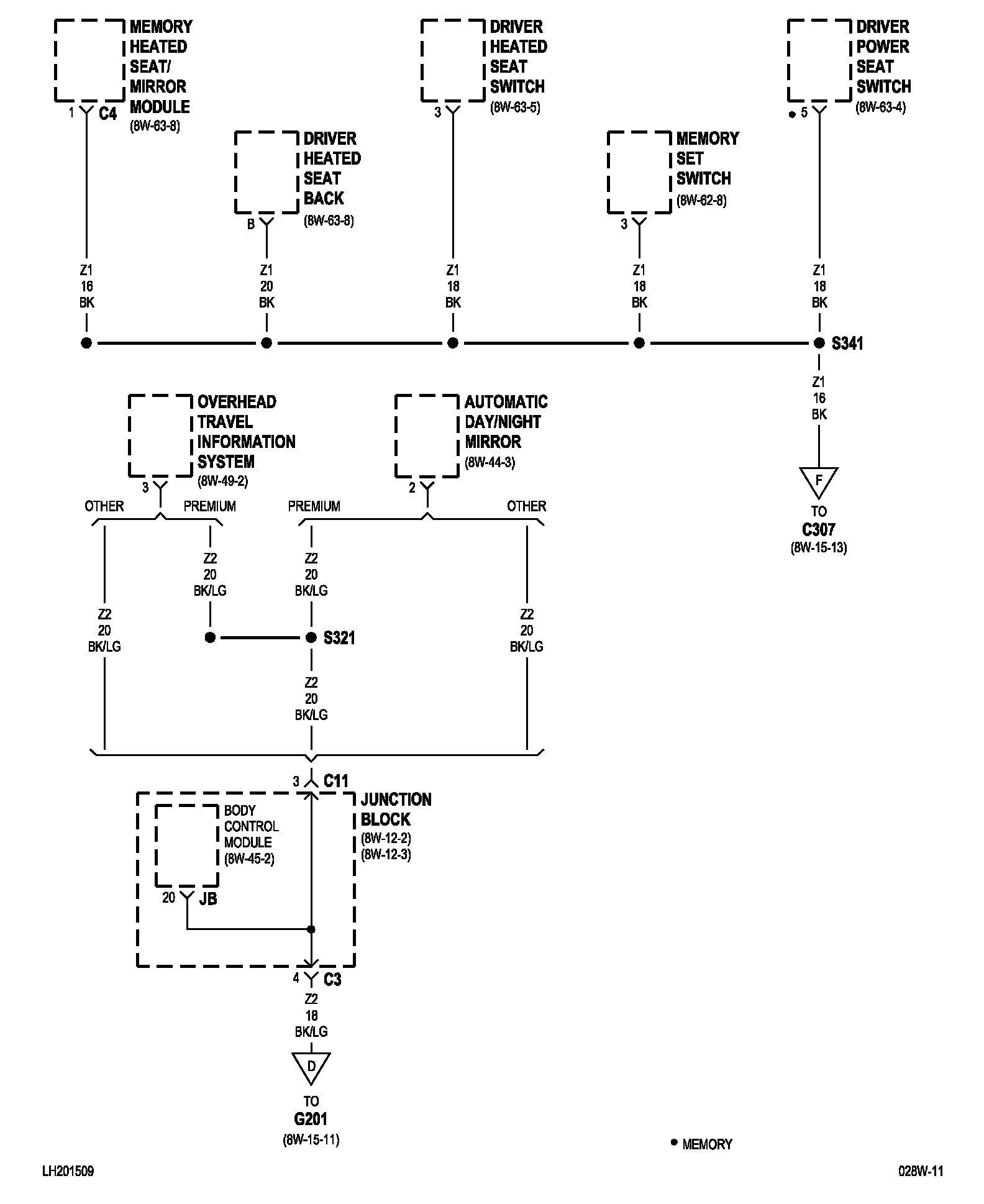
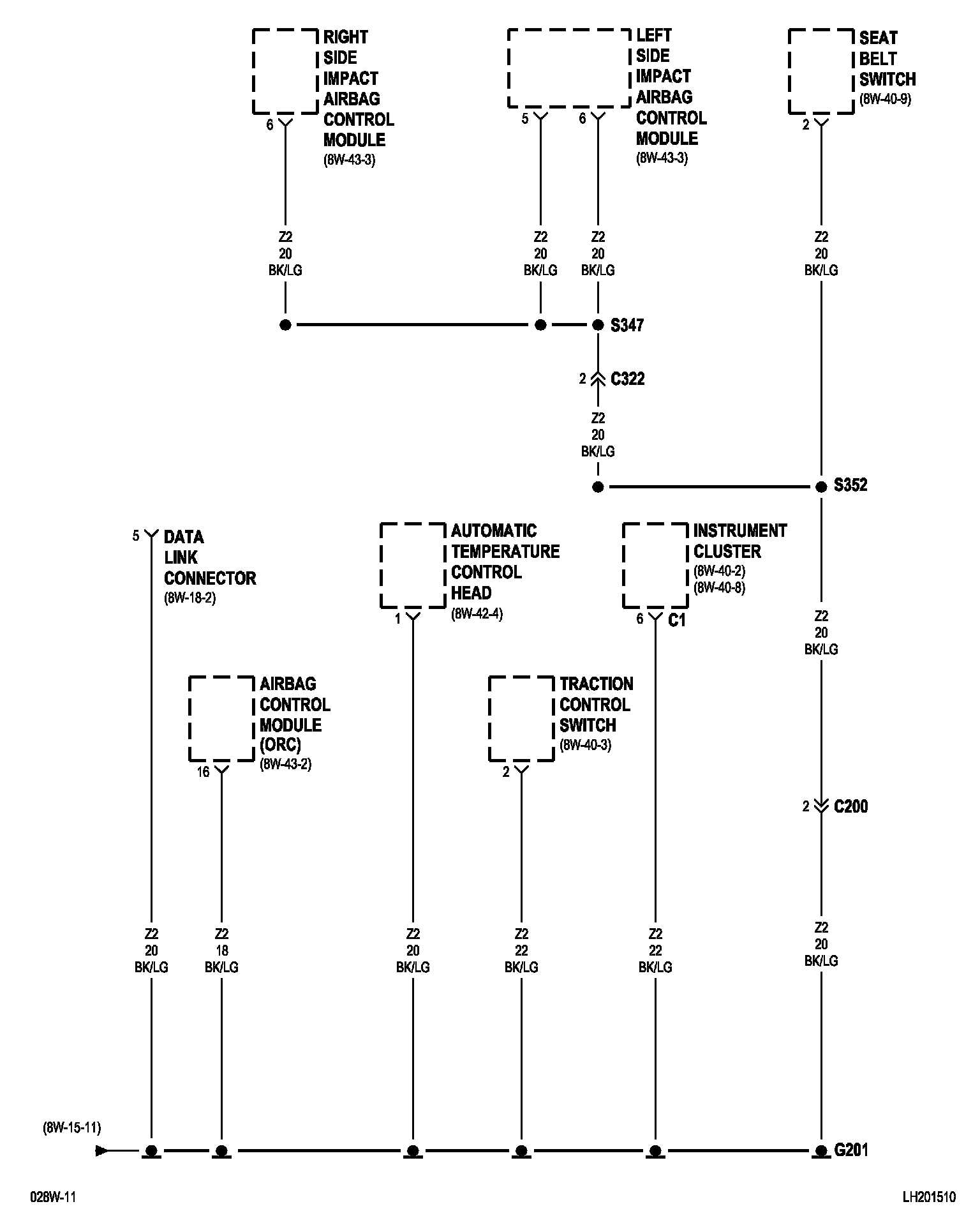
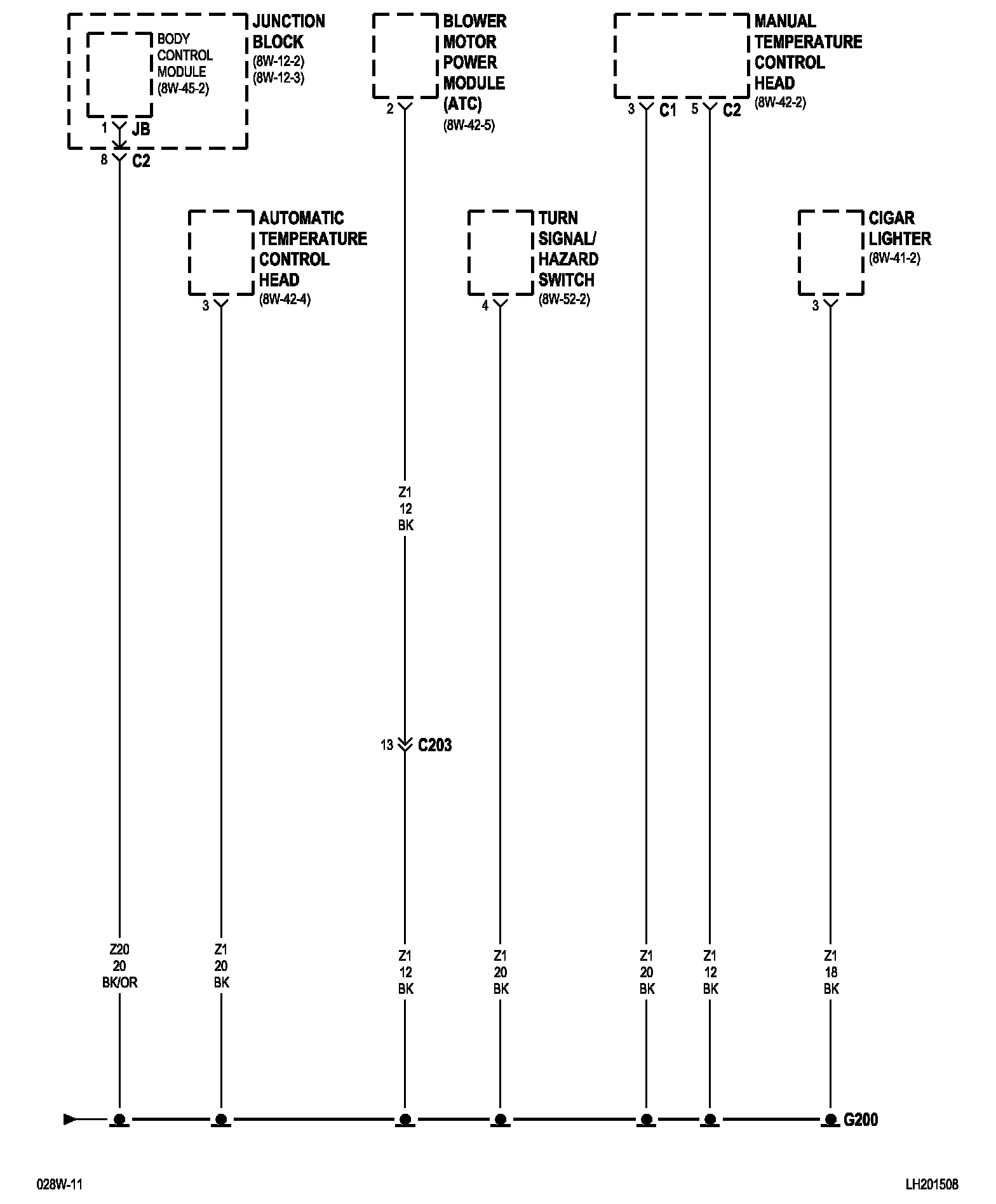
8w-15-11:




8w-15-12 (Except Built-Up-Export):




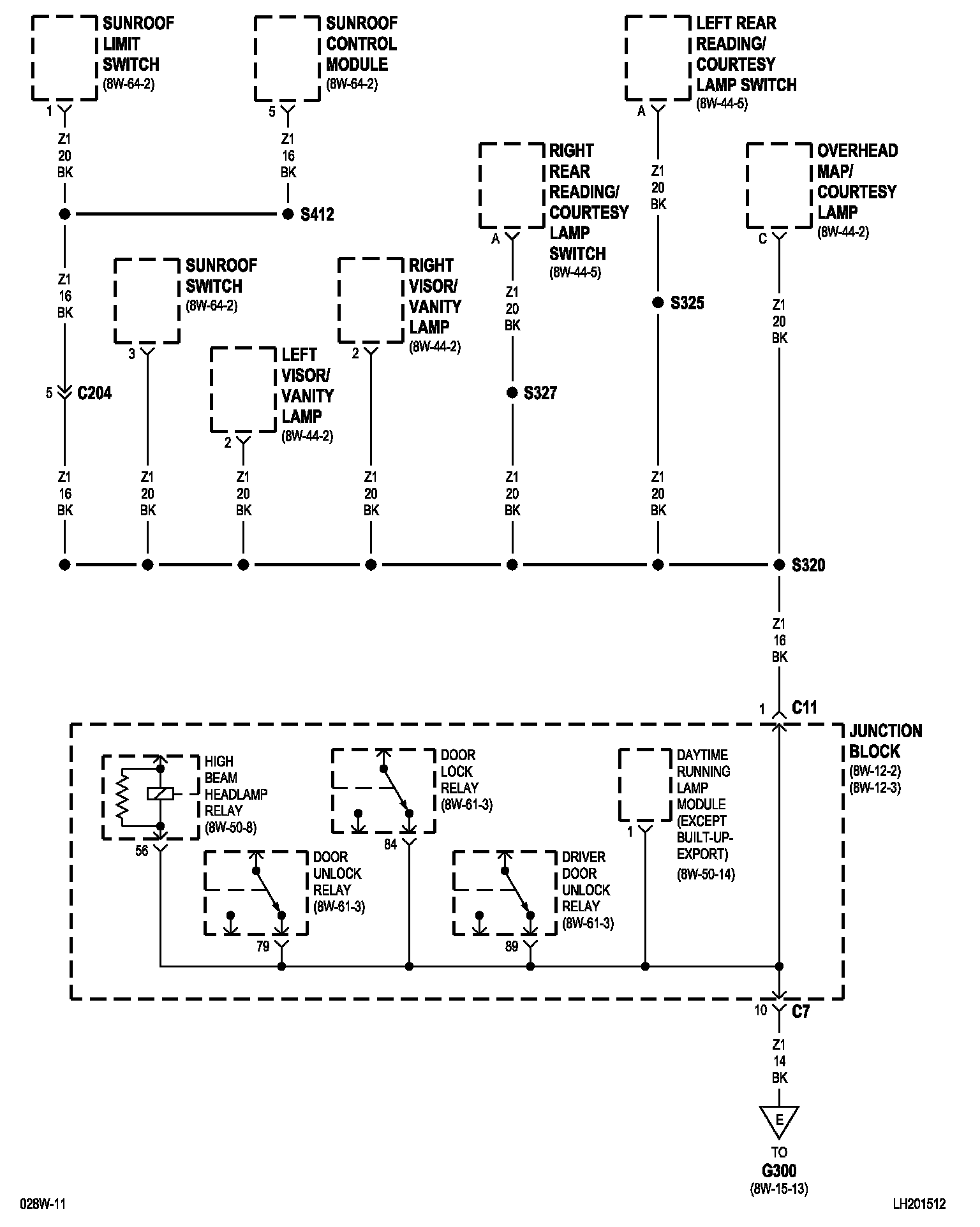
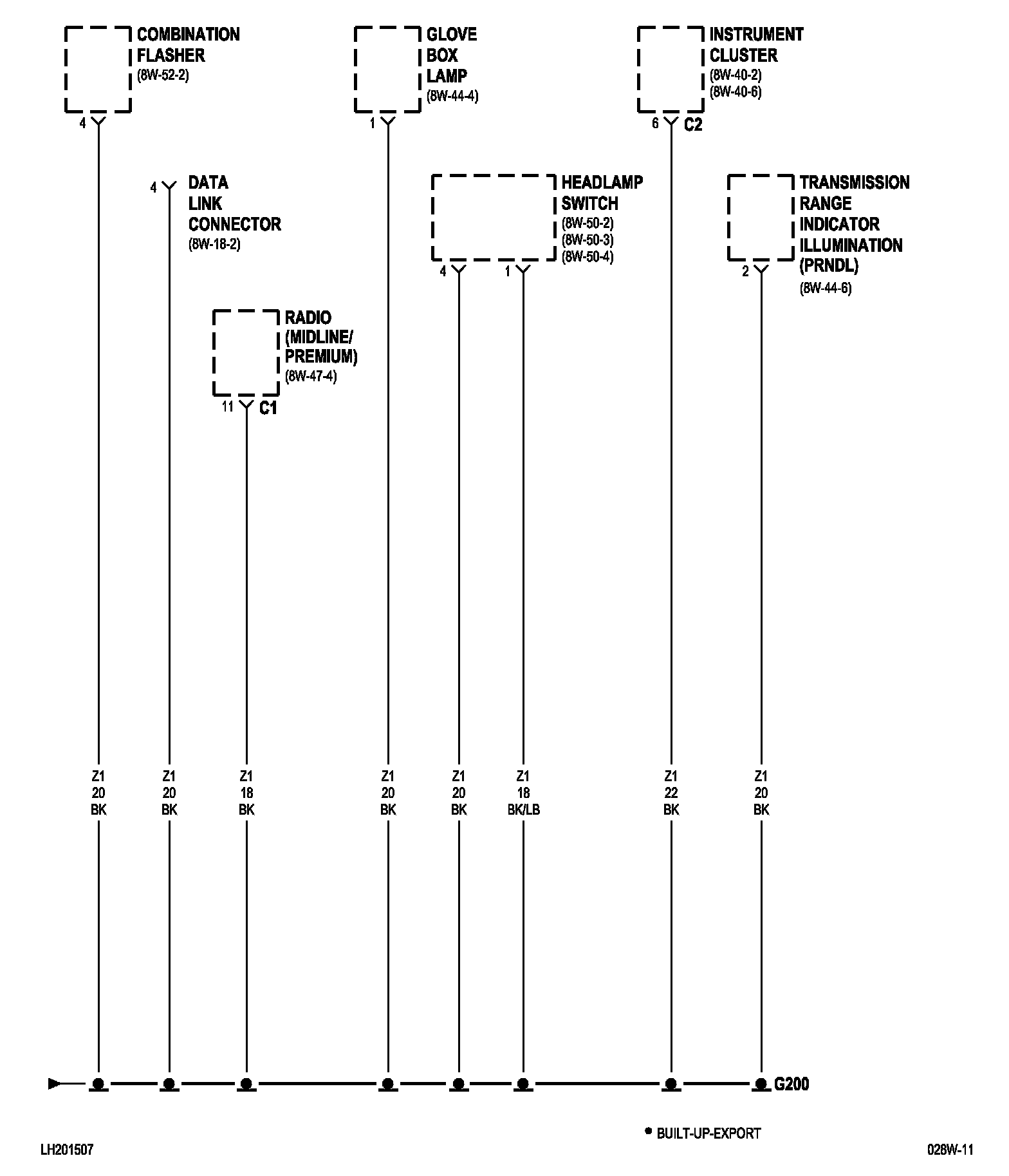
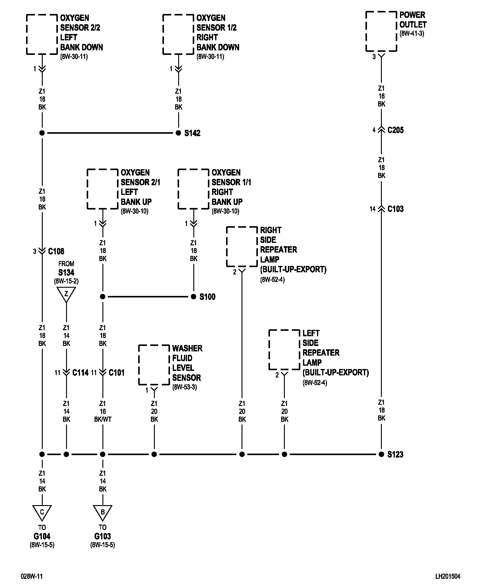
8w-15-13:




8w-15-14 (Except Built-Up-Export):




8w-15-15 (Built-Up-Export):




8w-15-16 (Except Built-Up-Export):




8w-15-17 (Built-Up-Export):




8w-15-18:




8w-15-19:




8w-15-20:






NOTE: To view sheets referred to in these diagrams, see Complete Body and Chassis Diagrams.