LEMON Manuals: Even more car manuals for everyone: 1960-2025
Home >> Chrysler >> 2002 >> Intrepid (CANADA) V6-2.7L >> Repair and Diagnosis >> Diagrams >> Electrical Diagrams >> Power Distribution Module >> Power Distribution
April 5, 2026: LEMON Manuals is launched! Read the announcement.

Power Distribution

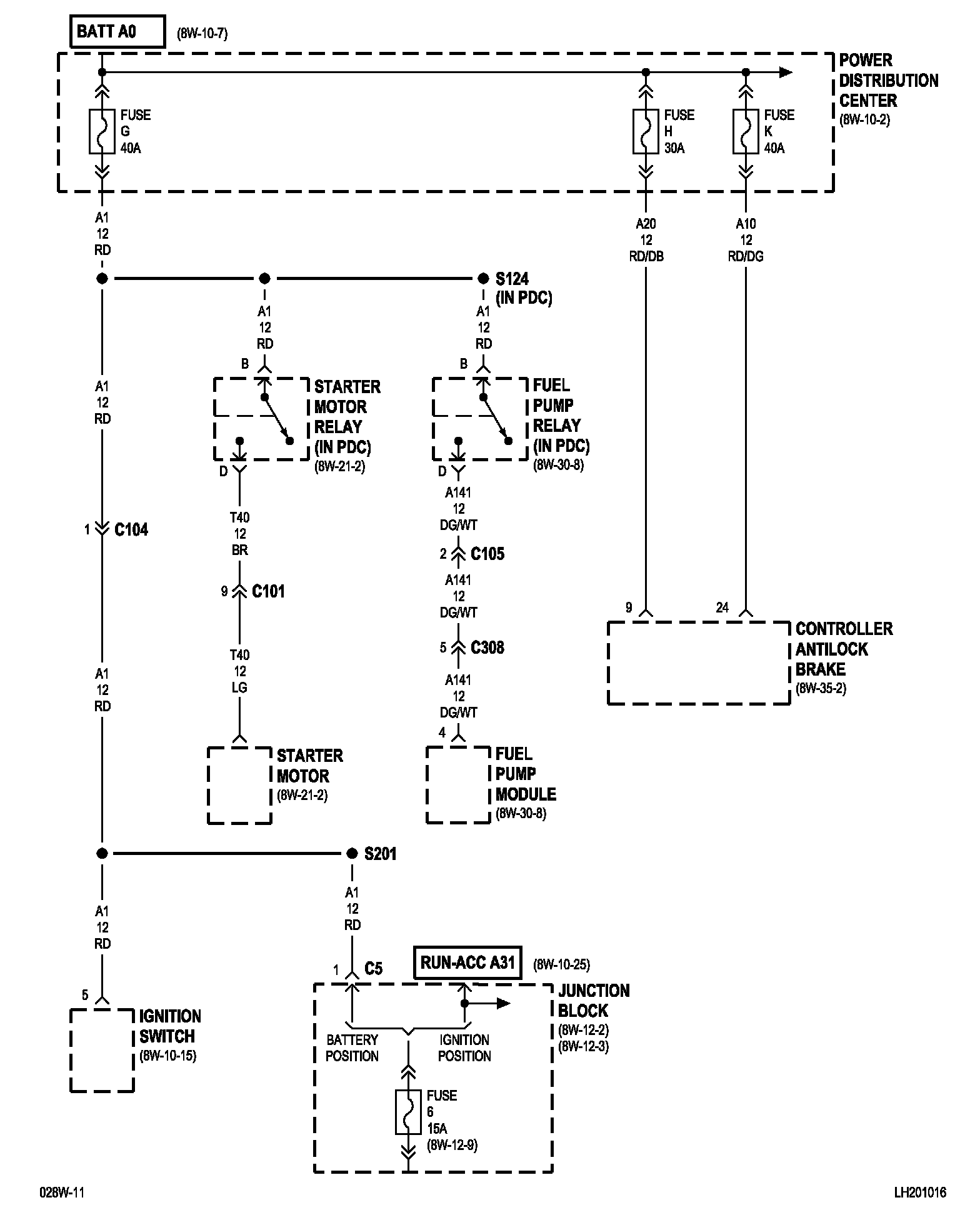
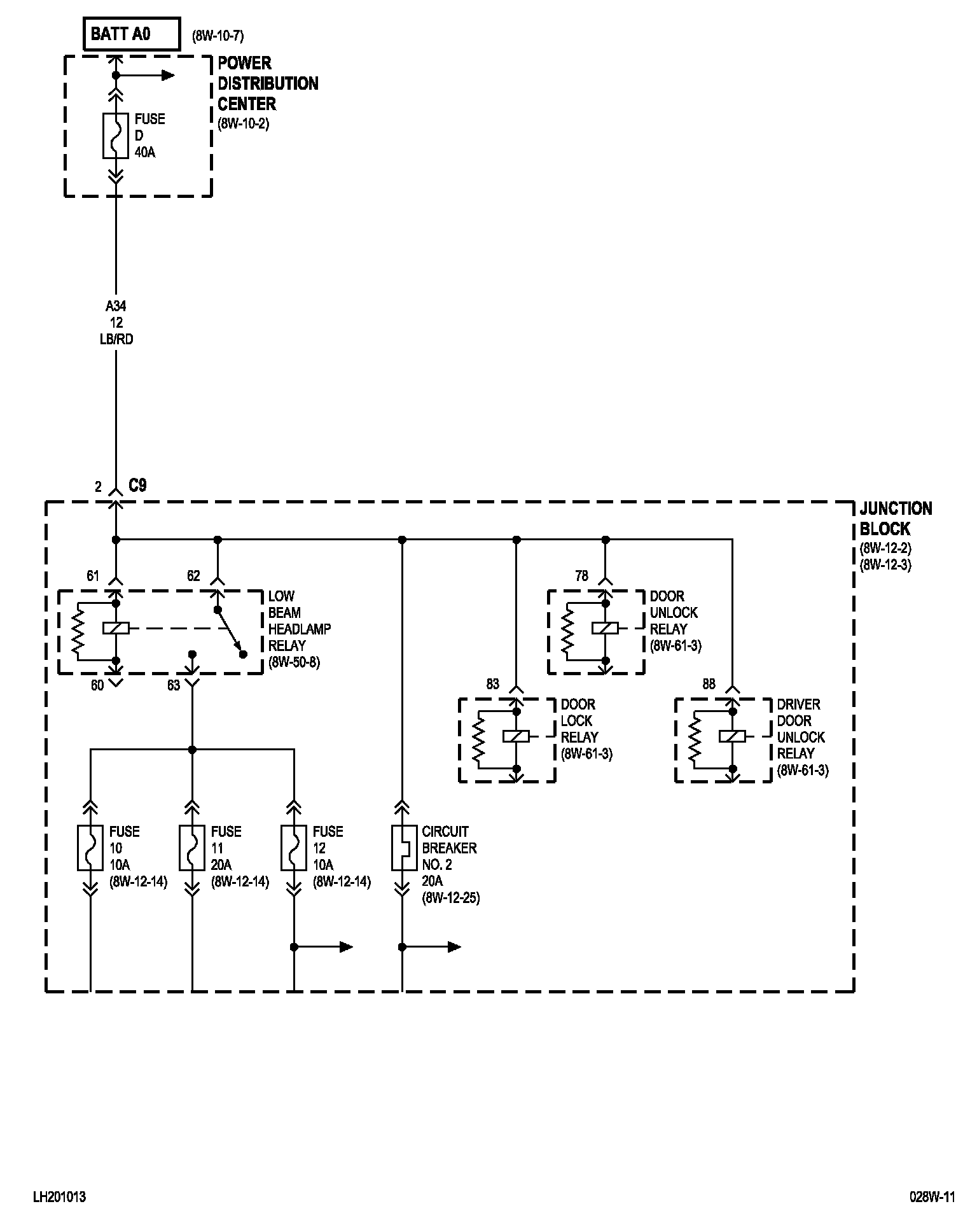
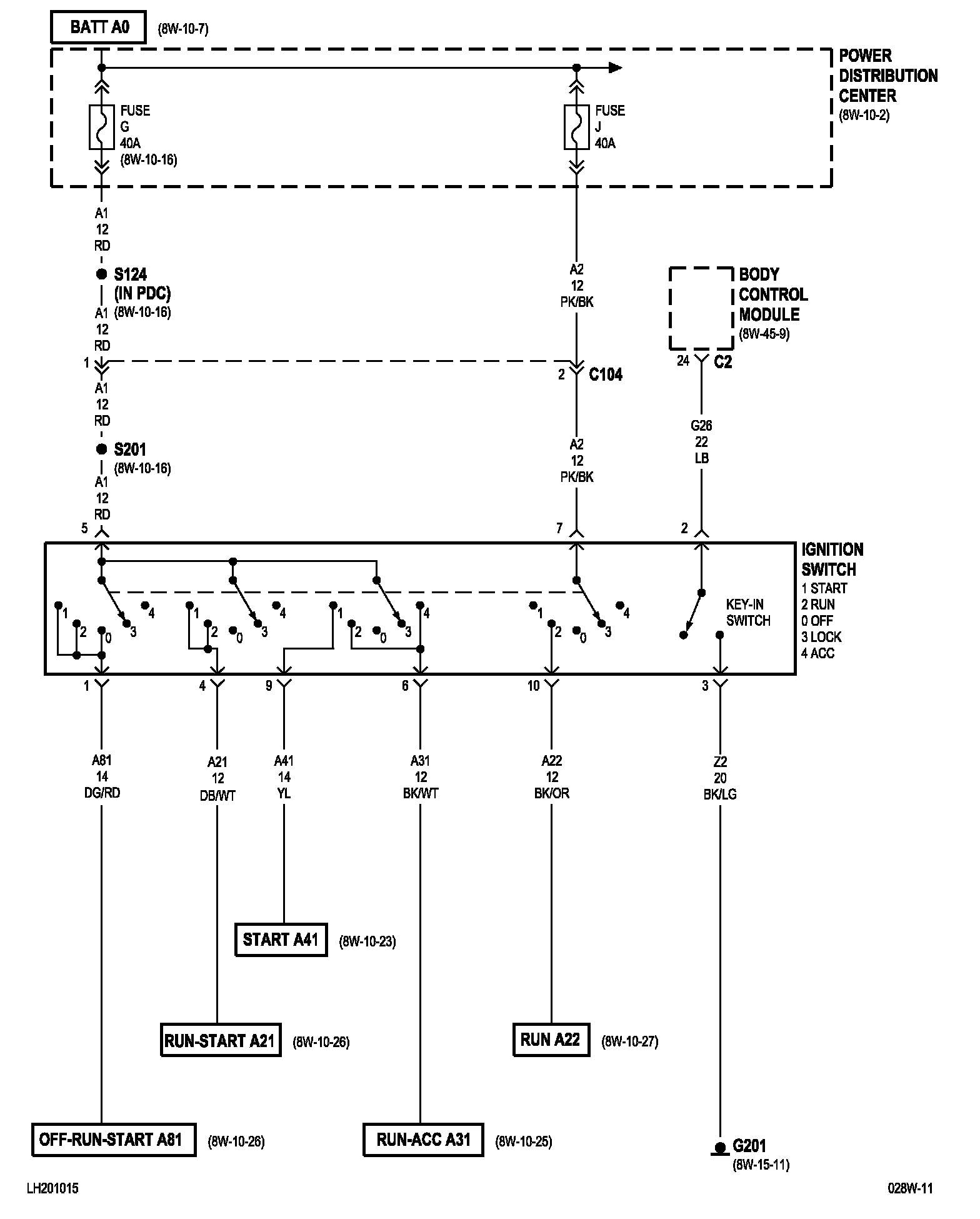
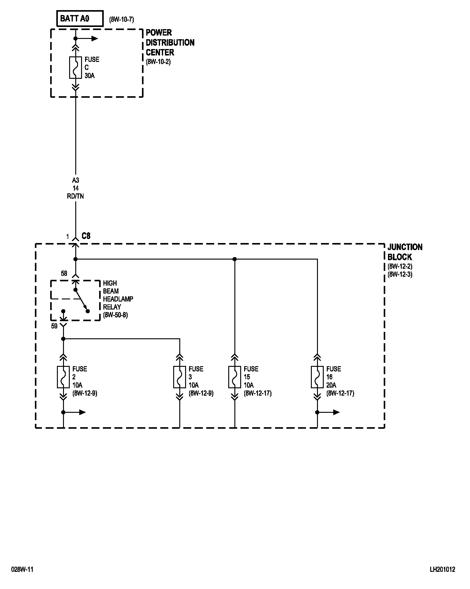
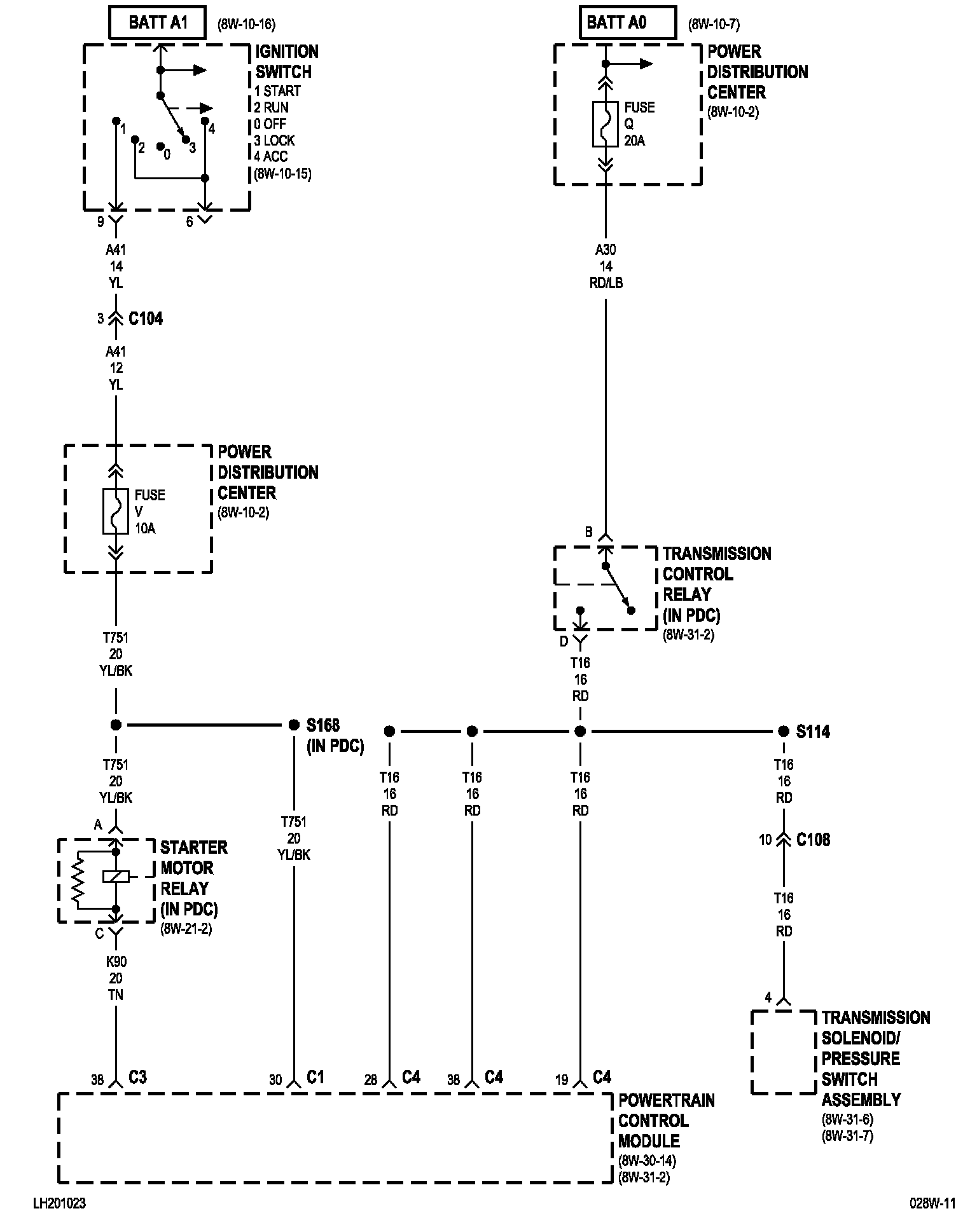
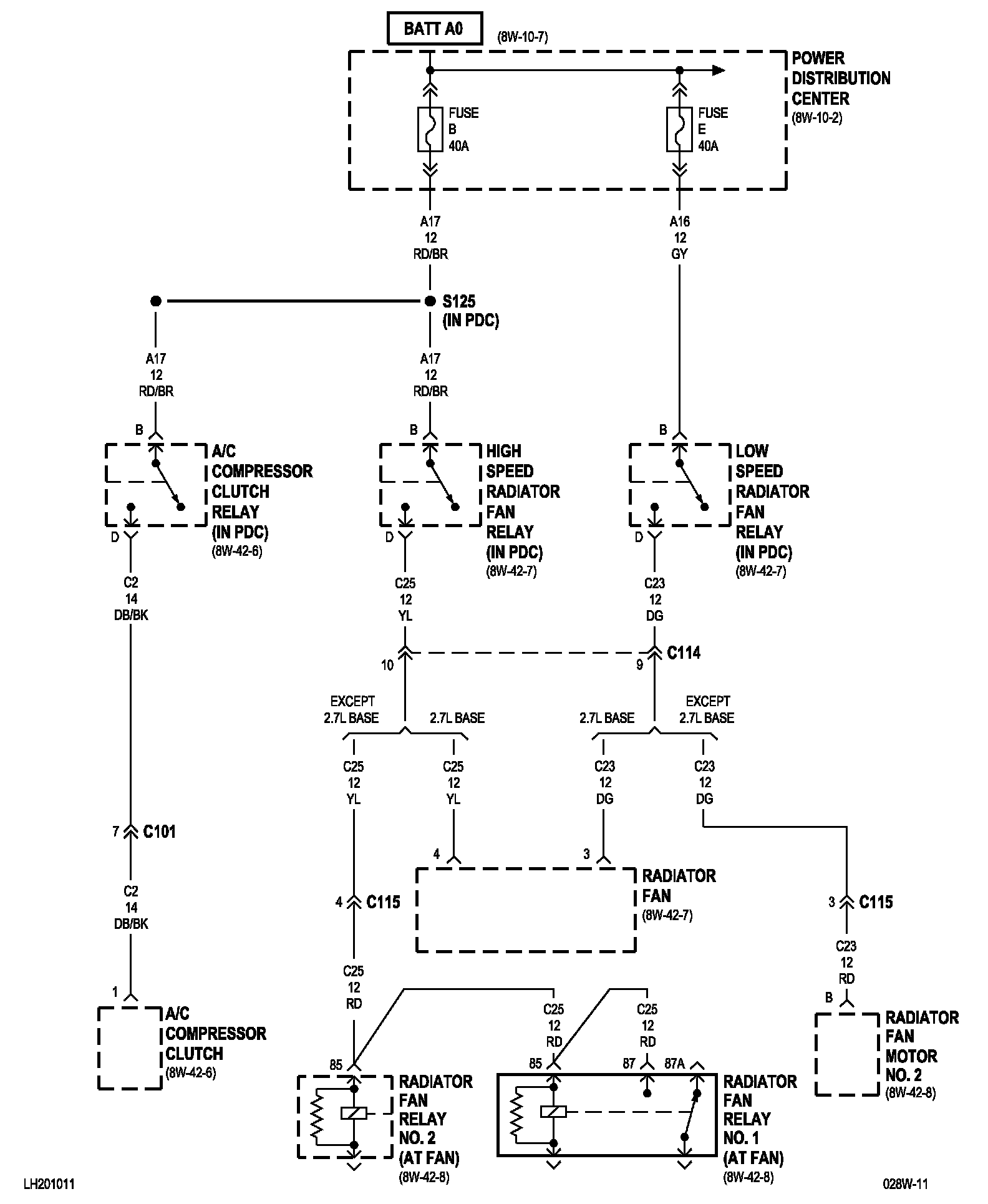
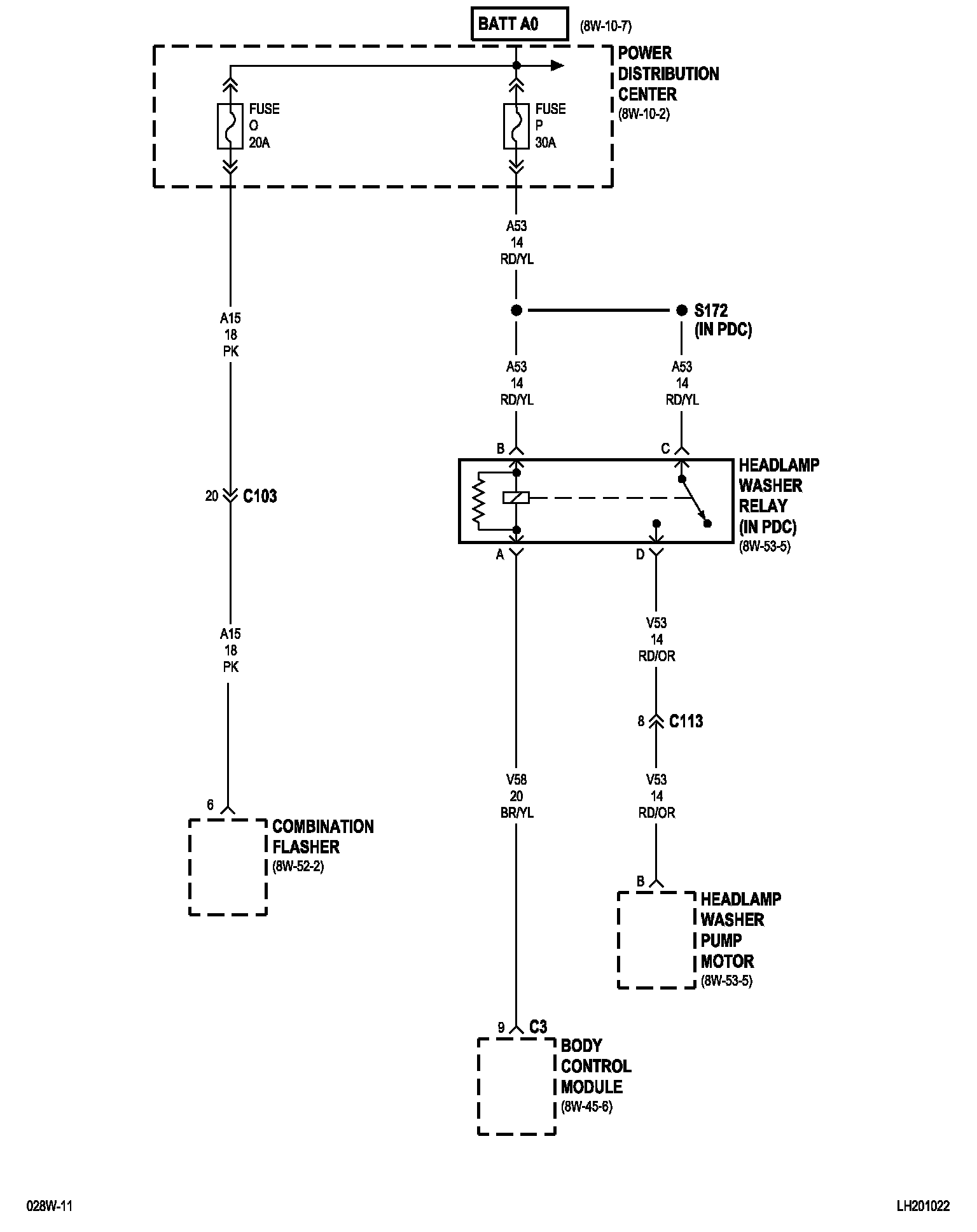
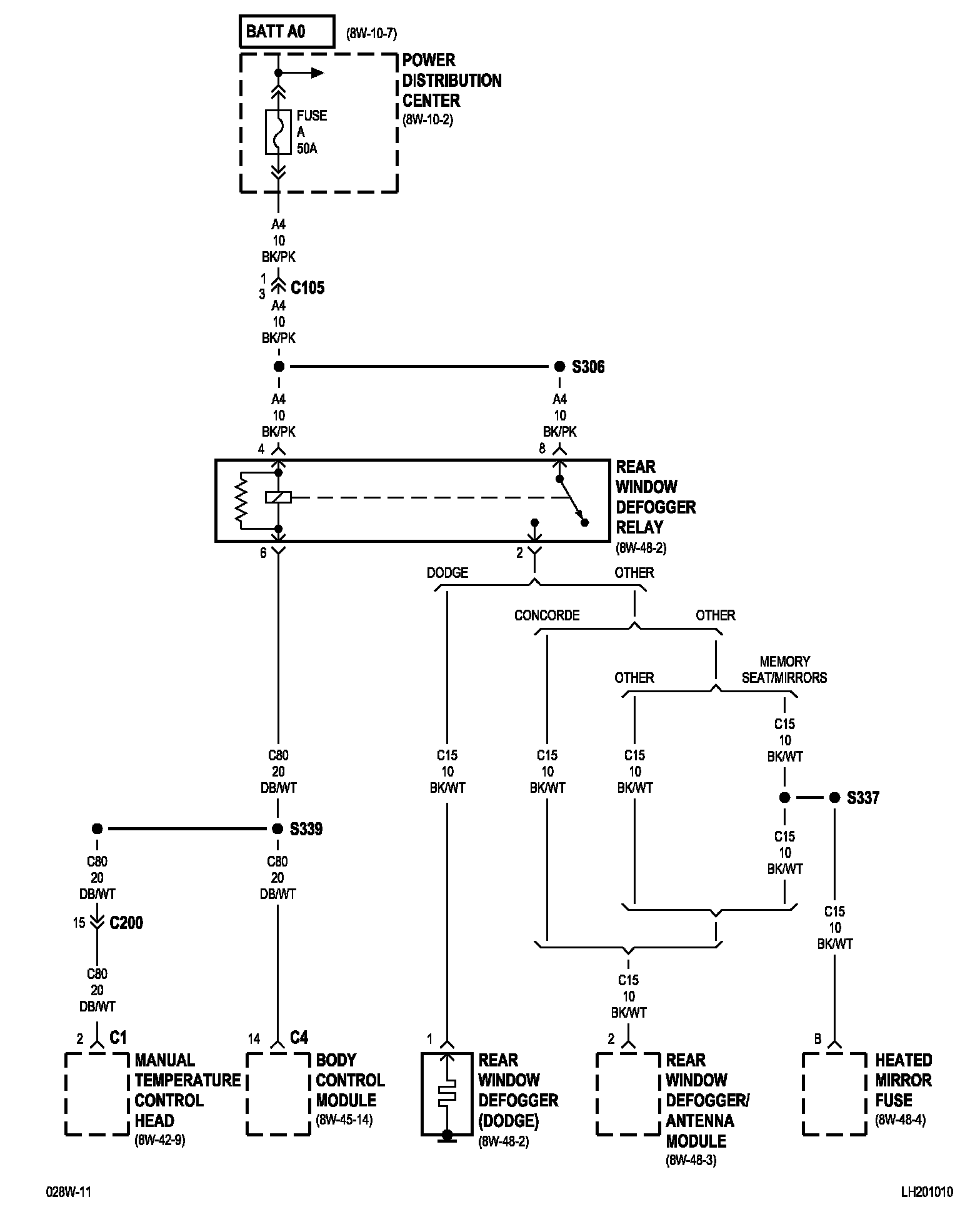
8w-10-7:




8w-10-8:




8w-10-9:




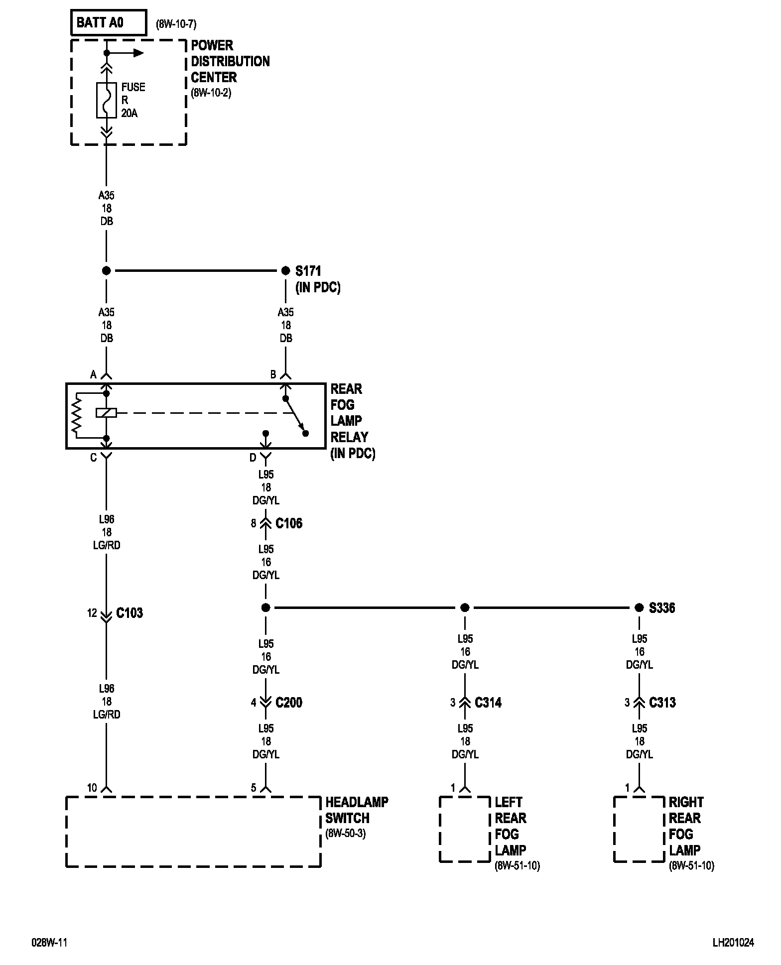
8w-10-10:




8w-10-11:




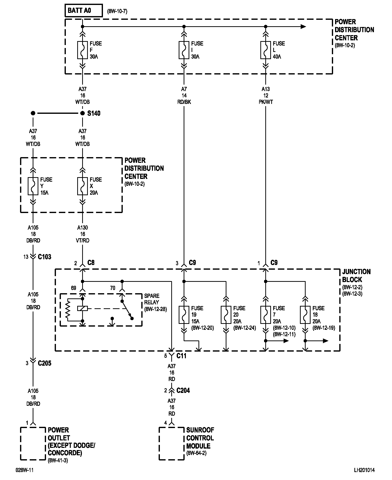
8w-10-12:




8w-10-13:




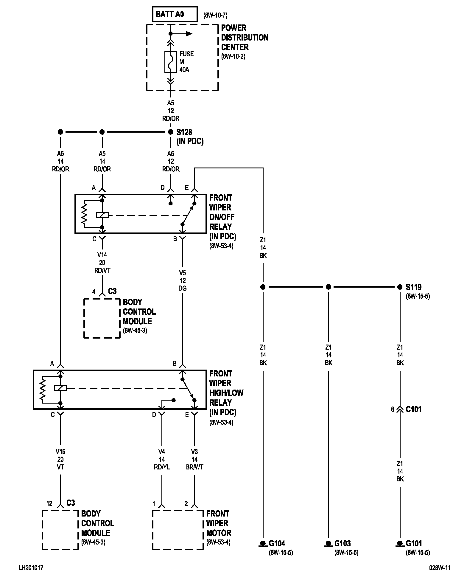
8w-10-14:




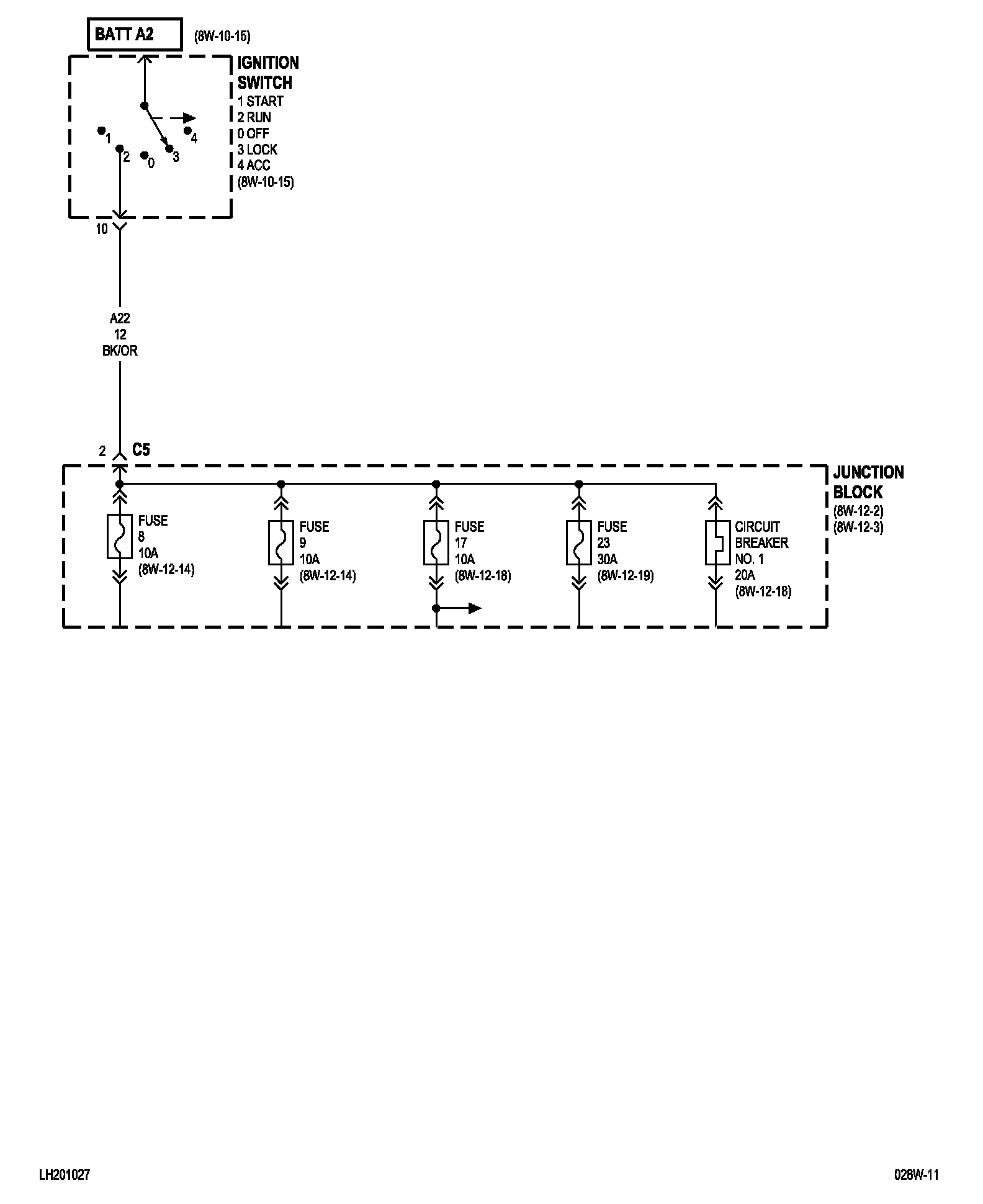
8w-10-15:




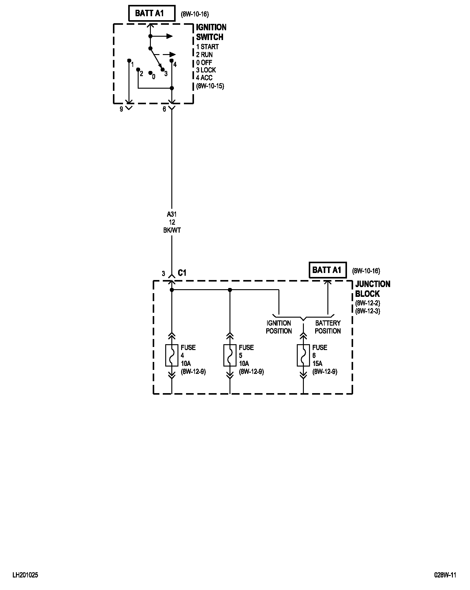
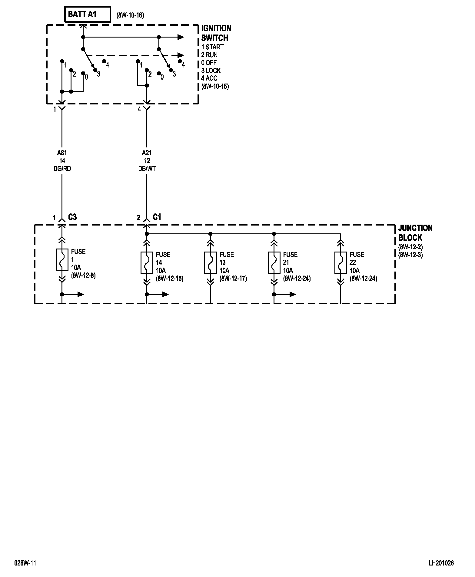
8w-10-16:




8w-10-17:




8w-10-18:




8w-10-19:




8w-10-20:




8w-10-22 (Built-Up-Export):




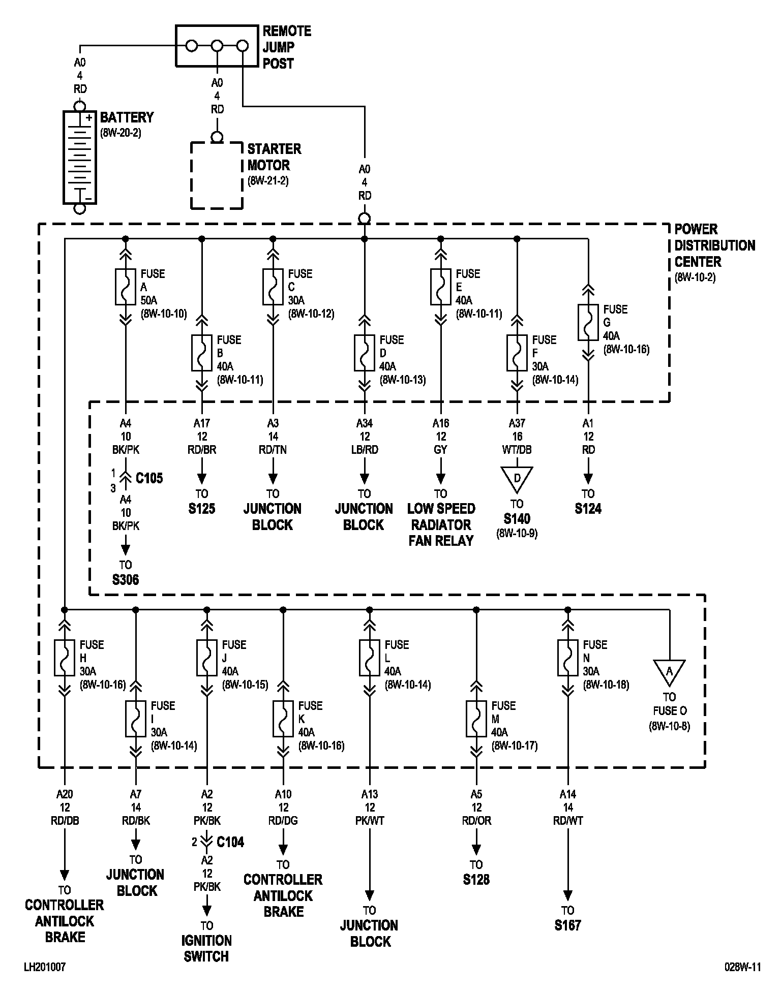
8w-10-23:




8w-10-24 (Built-Up-Export):




8w-10-25:




8w-10-26:




8w-10-27:






NOTE: To view sheets referred to in these diagrams, see Complete Body and Chassis Diagrams.