LEMON Manuals: Even more car manuals for everyone: 1960-2025
Home >> Chrysler >> 2002 >> Intrepid (CANADA) V6-2.7L >> Repair and Diagnosis >> Diagrams >> Electrical Diagrams >> Powertrain Management >> Computers and Control Systems >> Body Control Module
April 5, 2026: LEMON Manuals is launched! Read the announcement.

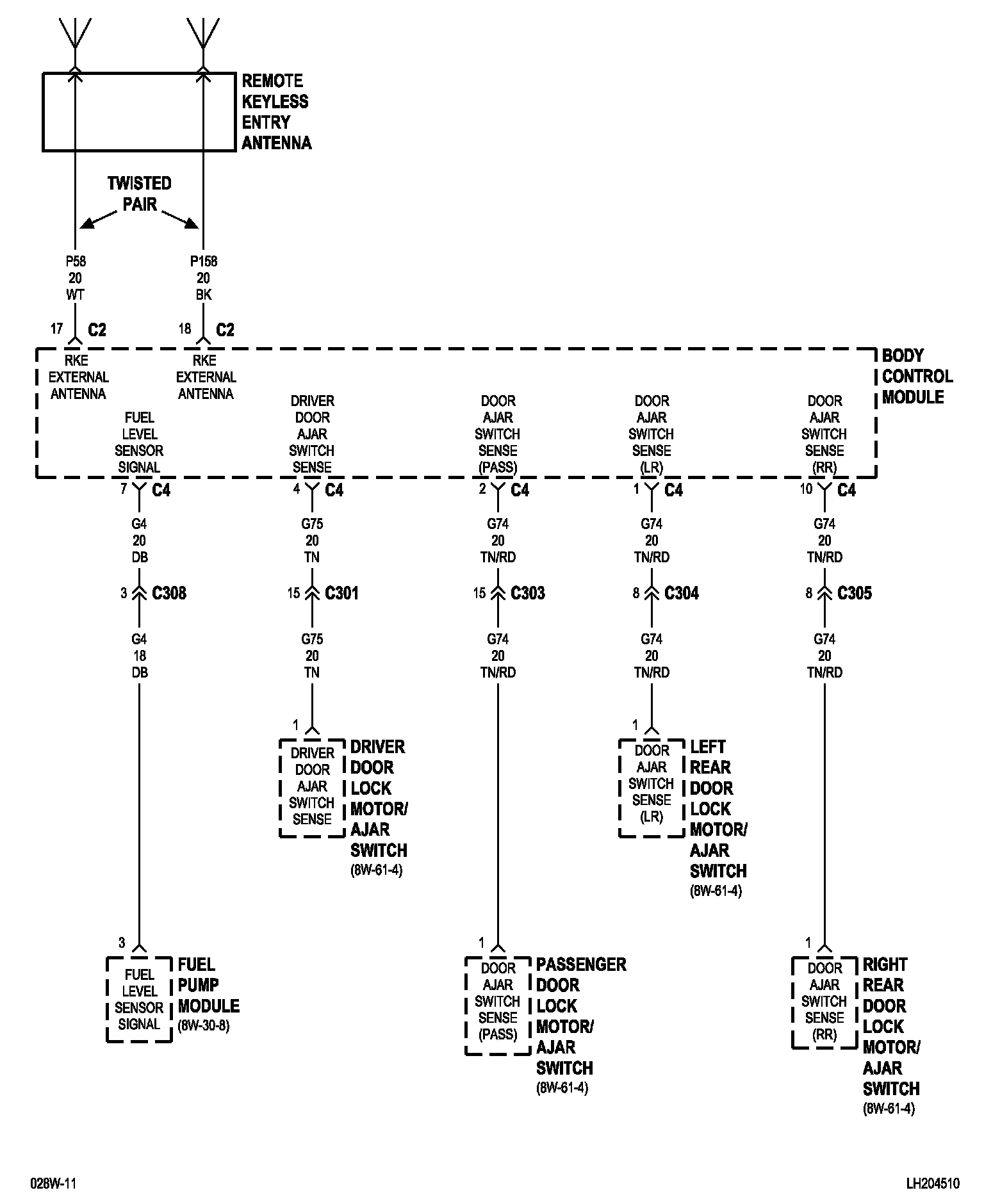
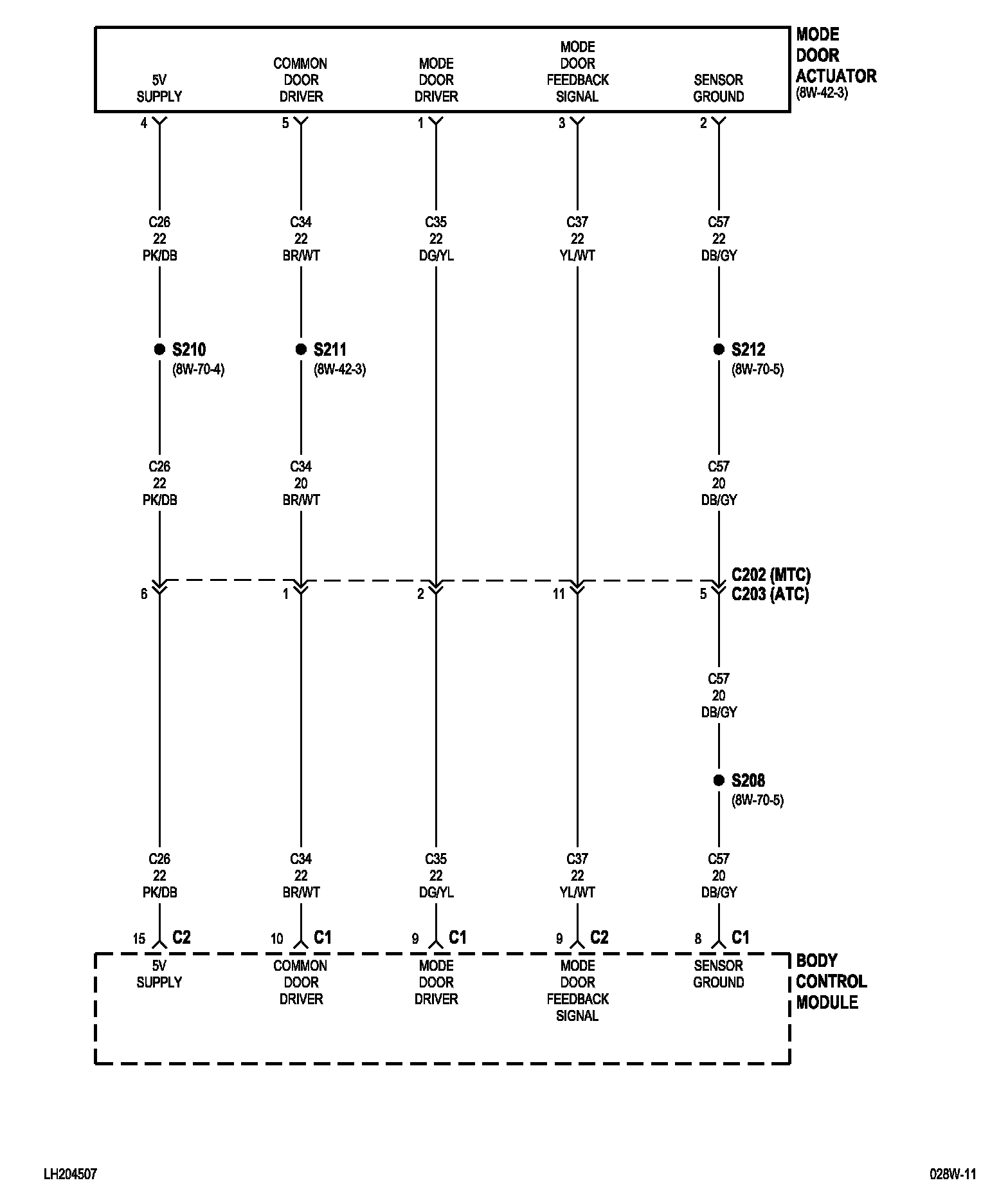
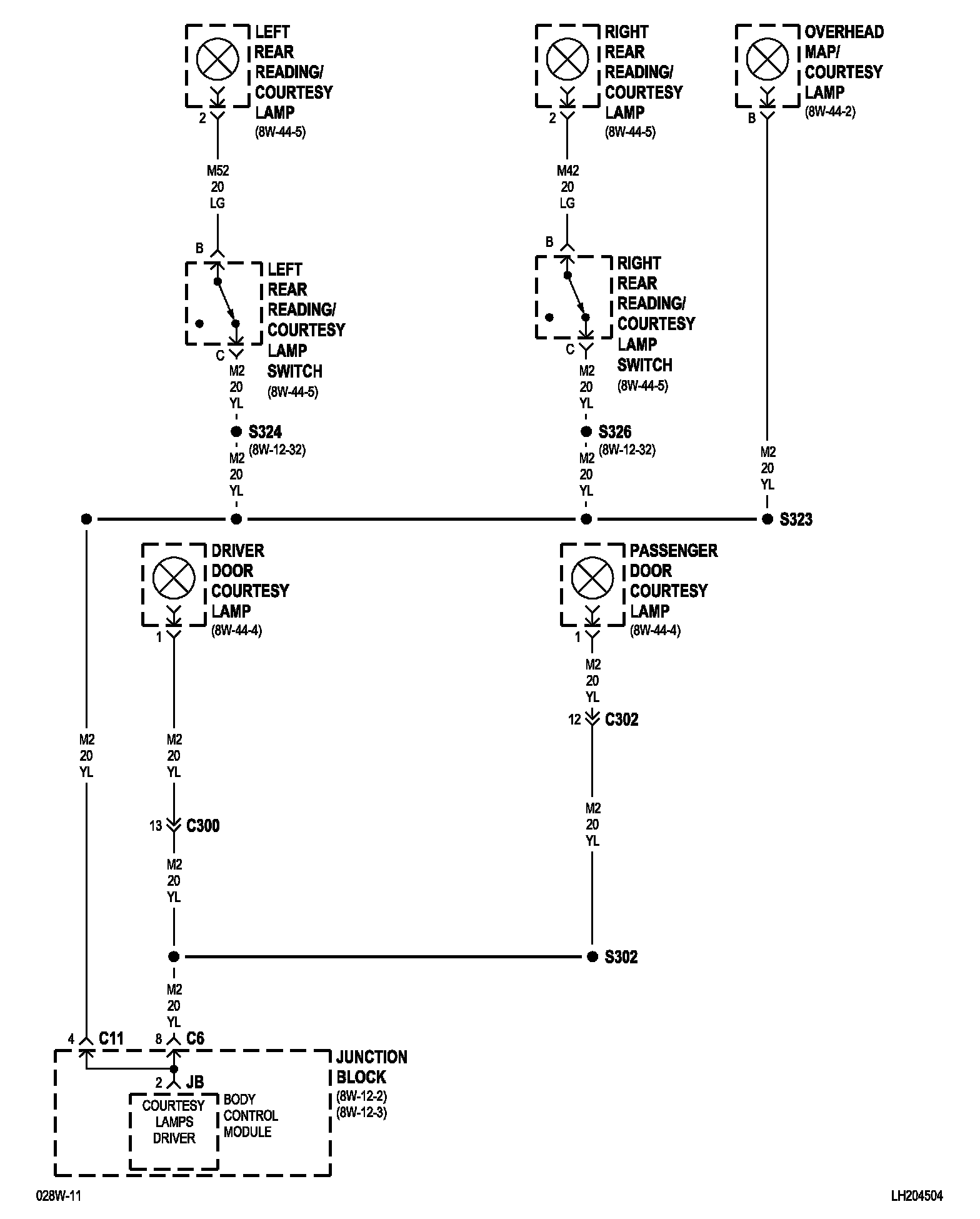
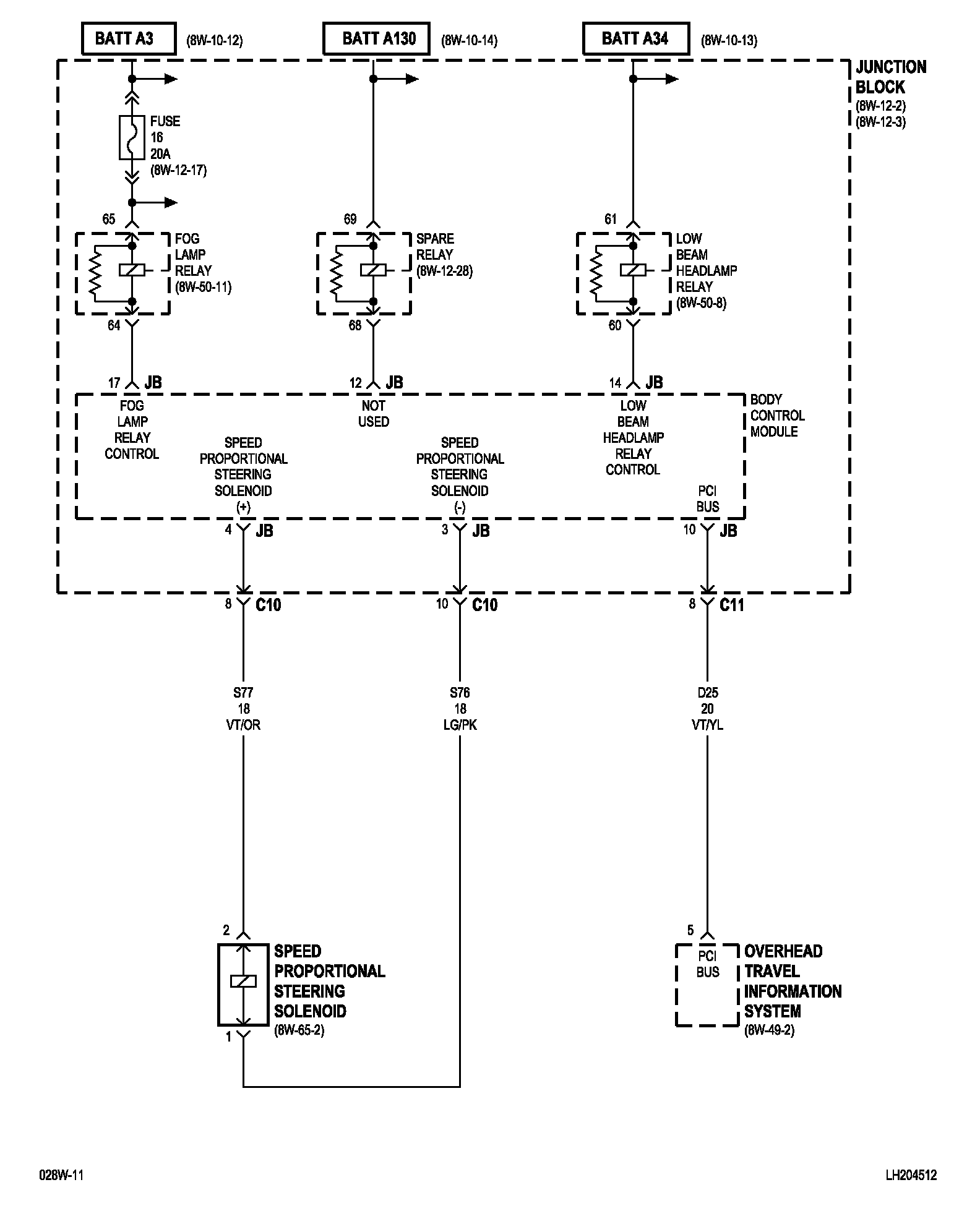
Body Control Module

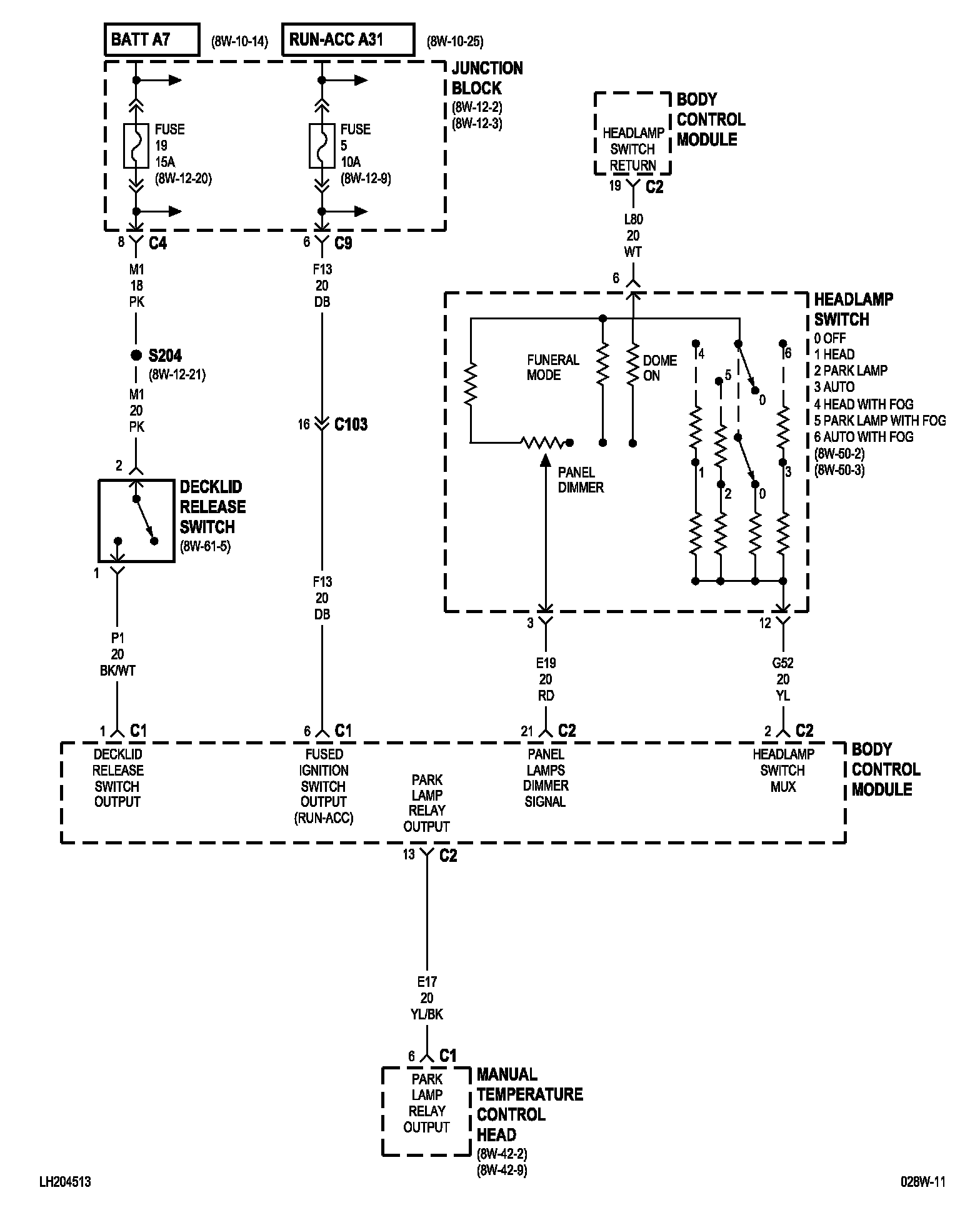
8w-45-2:




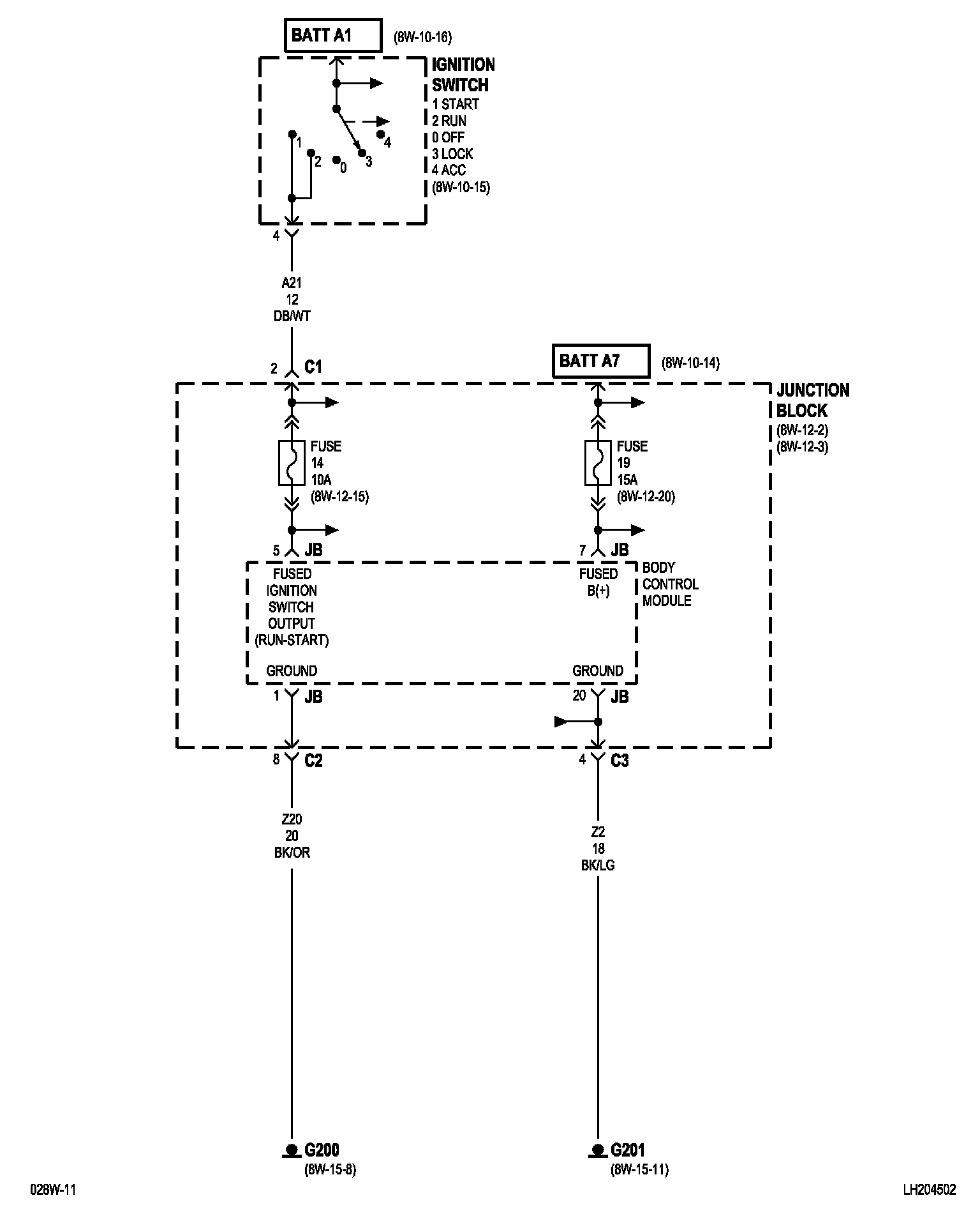
8w-45-3:




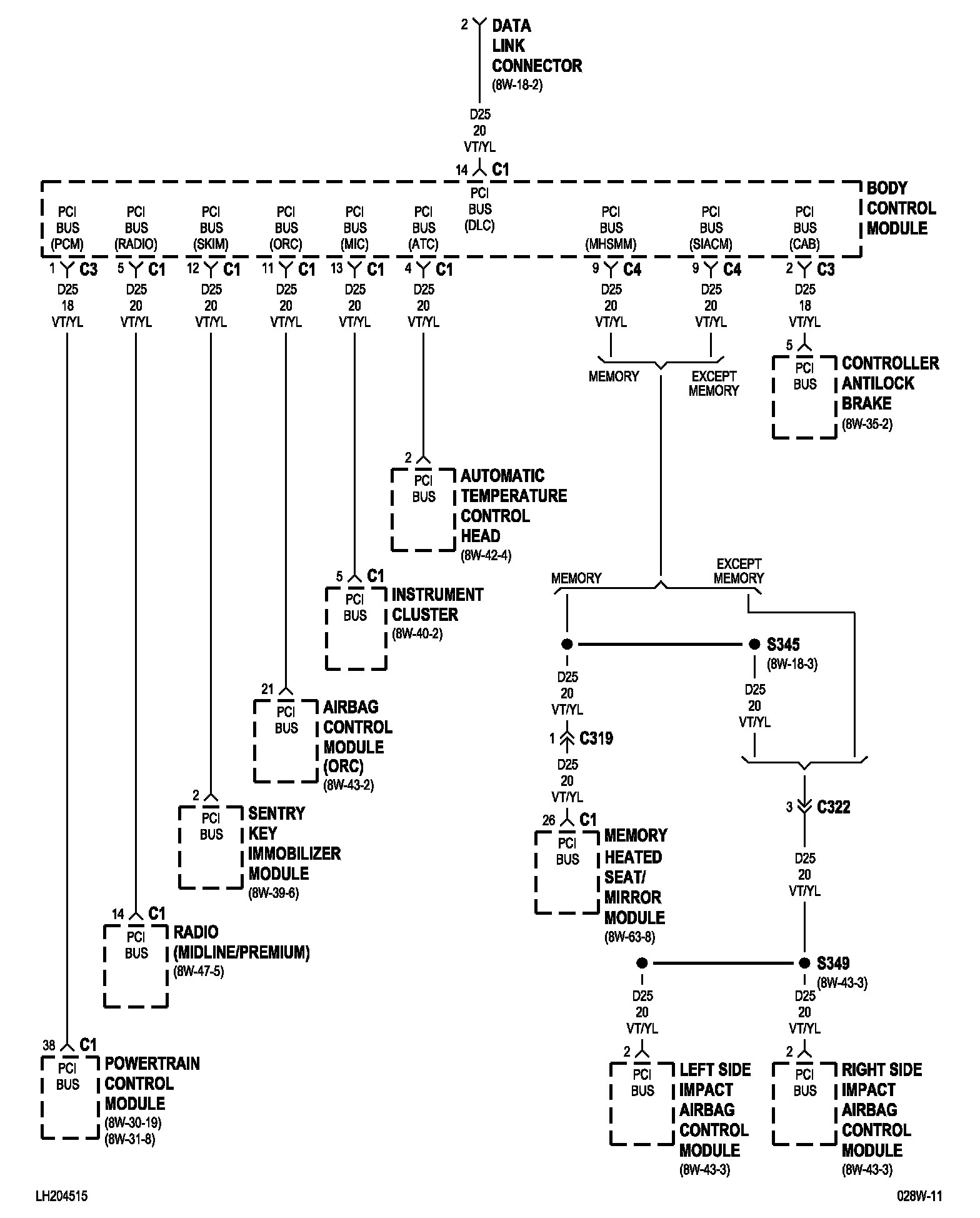
8w-45-4:




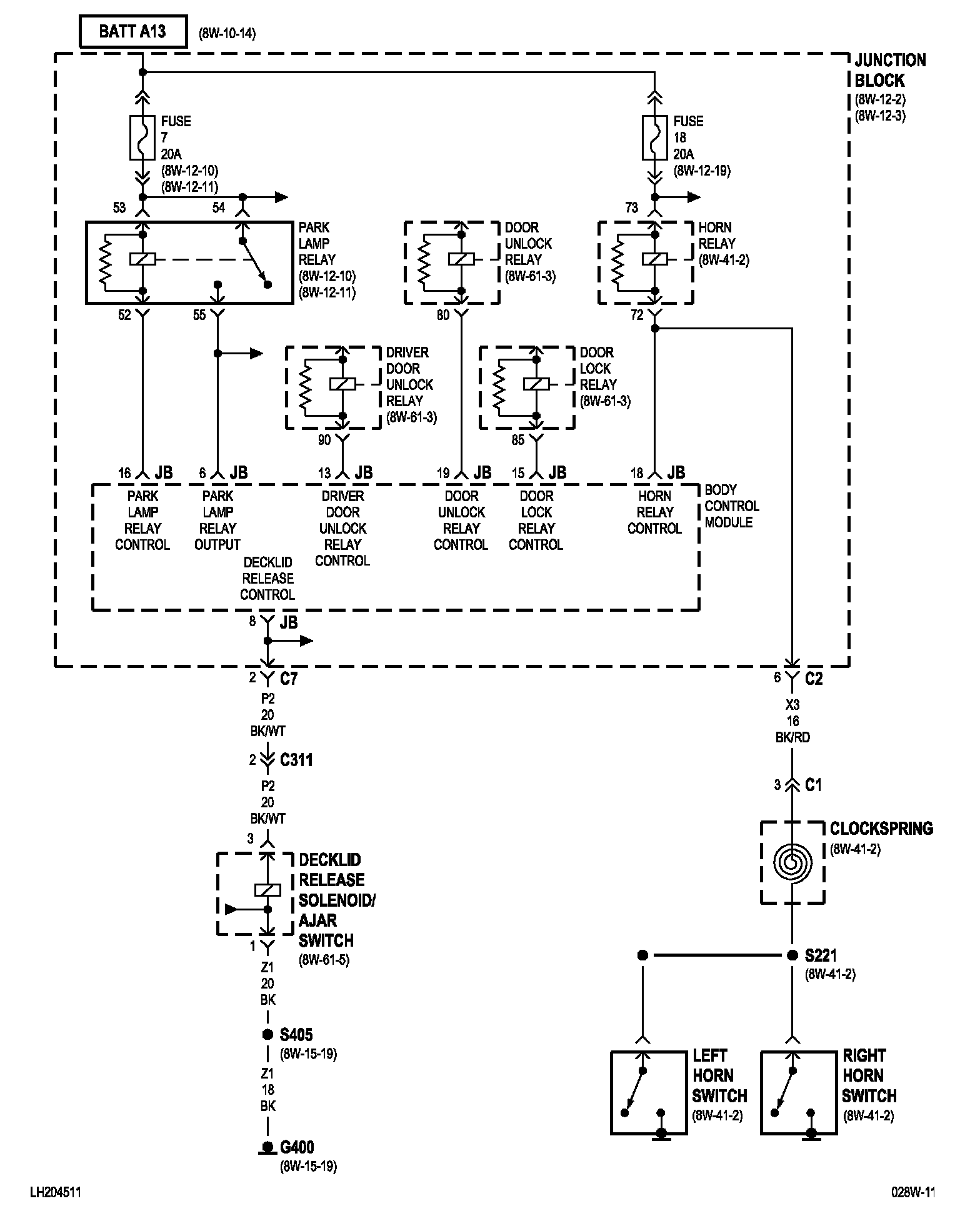
8w-45-5:




8w-45-6:




8w-45-7:




8w-45-8:




8w-45-9:




8w-45-10:




8w-45-11:




8w-45-12:




8w-45-13:




8w-45-14:




8w-45-15:






NOTE: To view sheets referred to in these diagrams, see Complete Body and Chassis Diagrams. Electrical Diagrams