LEMON Manuals: Even more car manuals for everyone: 1960-2025
Home >> Chrysler >> 2002 >> Intrepid (CANADA) V6-3.5L >> Repair and Diagnosis >> Diagrams >> Electrical Diagrams >> Power Distribution Module >> Power Distribution
April 5, 2026: LEMON Manuals is launched! Read the announcement.

Power Distribution

8w-10-7:




8w-10-8:




8w-10-9:




8w-10-10:




8w-10-11:




8w-10-12:




8w-10-13:




8w-10-14:




8w-10-15:




8w-10-16:




8w-10-17:




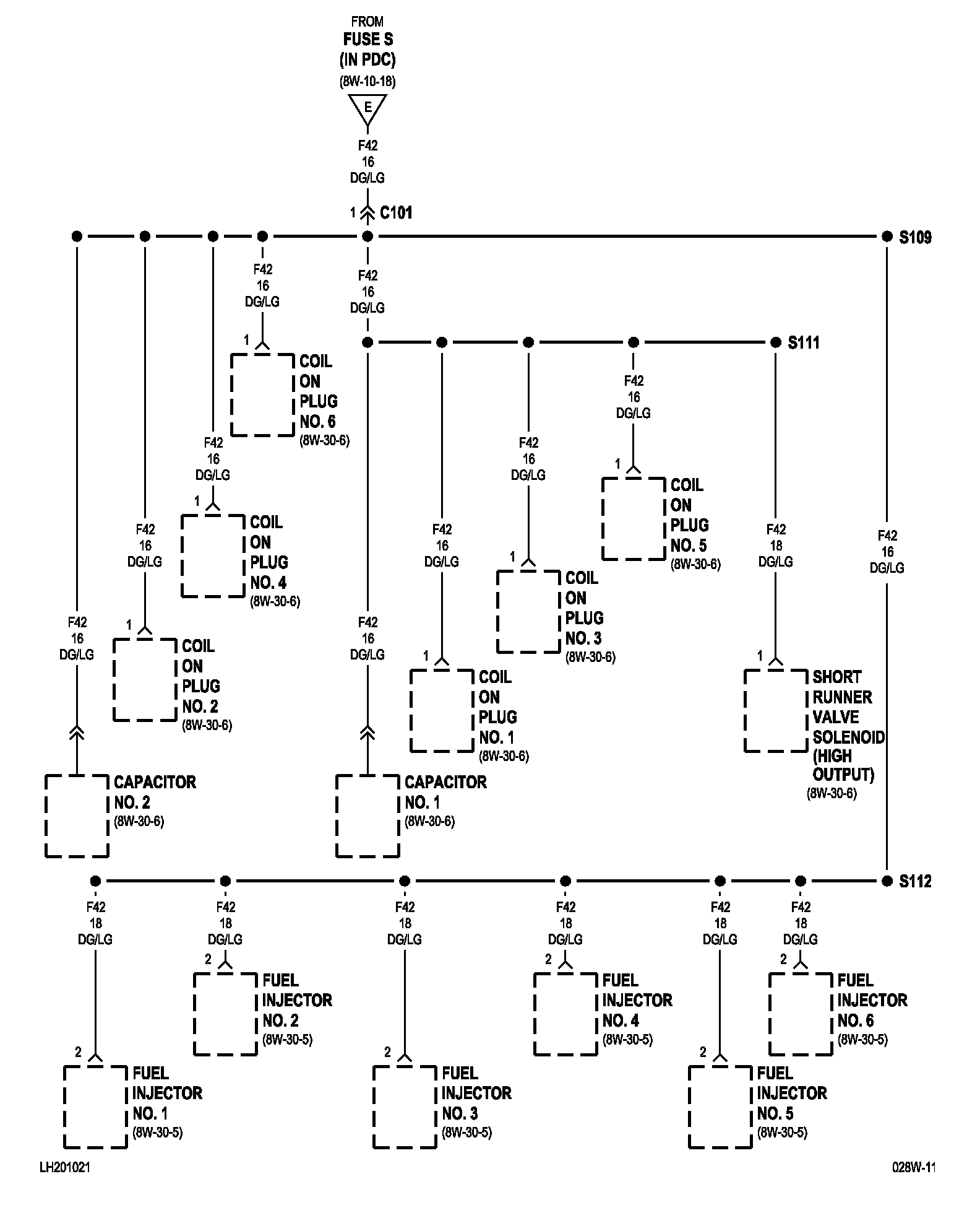
8w-10-18:




8w-10-19:




8w-10-21:




8w-10-22 (Built-Up-Export):




8w-10-23:




8w-10-24 (Built-Up-Export):




8w-10-25:




8w-10-26:




8w-10-27:






NOTE: To view sheets referred to in these diagrams, see Complete Body and Chassis Diagrams.