LEMON Manuals: Even more car manuals for everyone: 1960-2025
Home >> Chrysler >> 2003 >> Intrepid SXT >> Repair and Diagnosis >> Steering >> Steering Control Systems >> Body Diagnostic Procedures >> Schematic Diagram >> Memory System
April 5, 2026: LEMON Manuals is launched! Read the announcement.

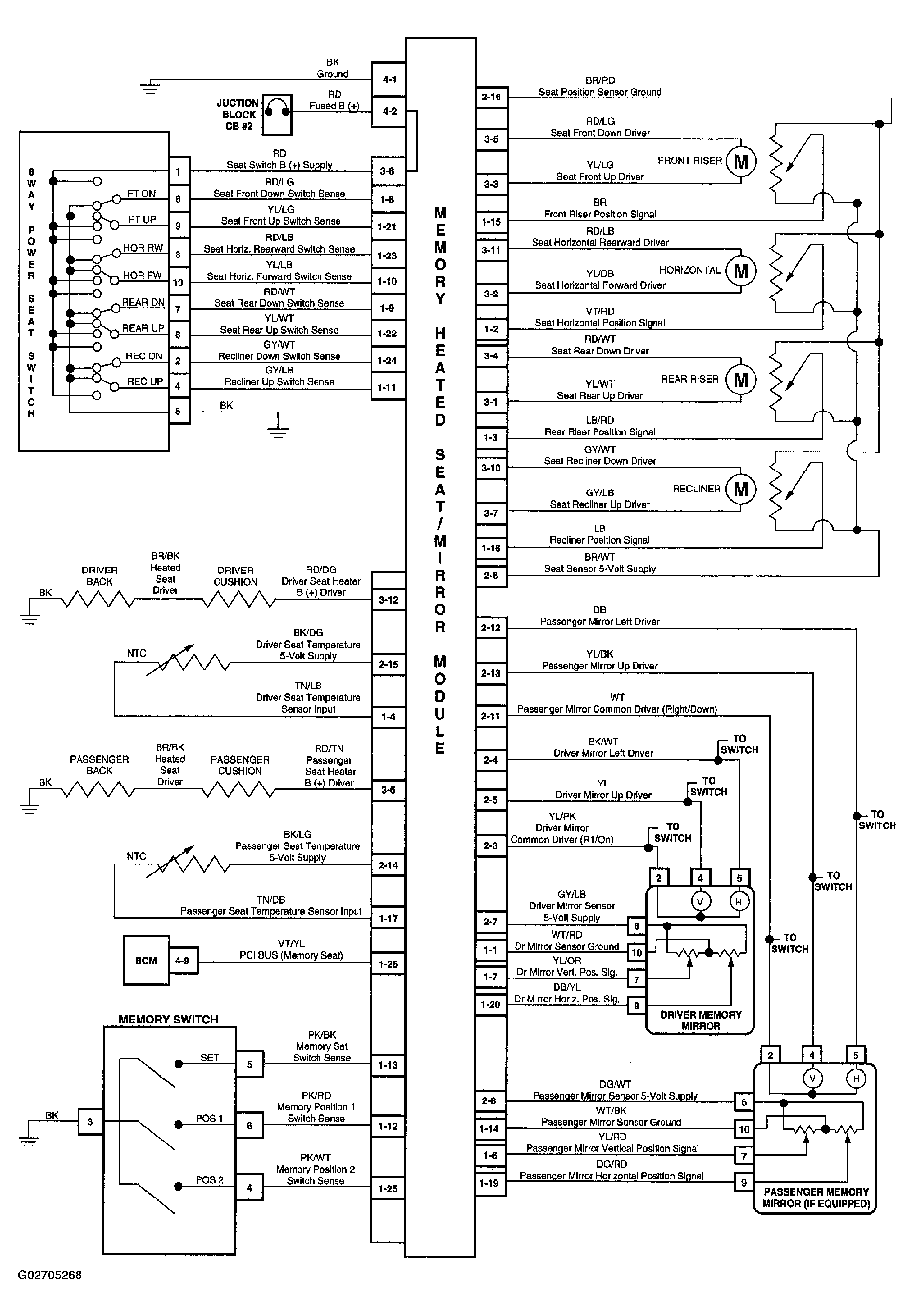
Memory System

Fig 1: Schematic Diagrams - Memory System
G02705268Courtesy of DAIMLERCHRYSLER CORP.