LEMON Manuals: Even more car manuals for everyone: 1960-2025
Home >> Chrysler >> 2004 >> Crossfire Automatic >> Repair and Diagnosis >> Engine Performance >> Testing & Diagnosis >> Engine Controls - Electrical Diagnostics >> Diagnosis And Testing >> DTC P0131: O2 Sensor 1/1 Circuit Low >> Circuit Diagram & Connector Identification
April 5, 2026: LEMON Manuals is launched! Read the announcement.

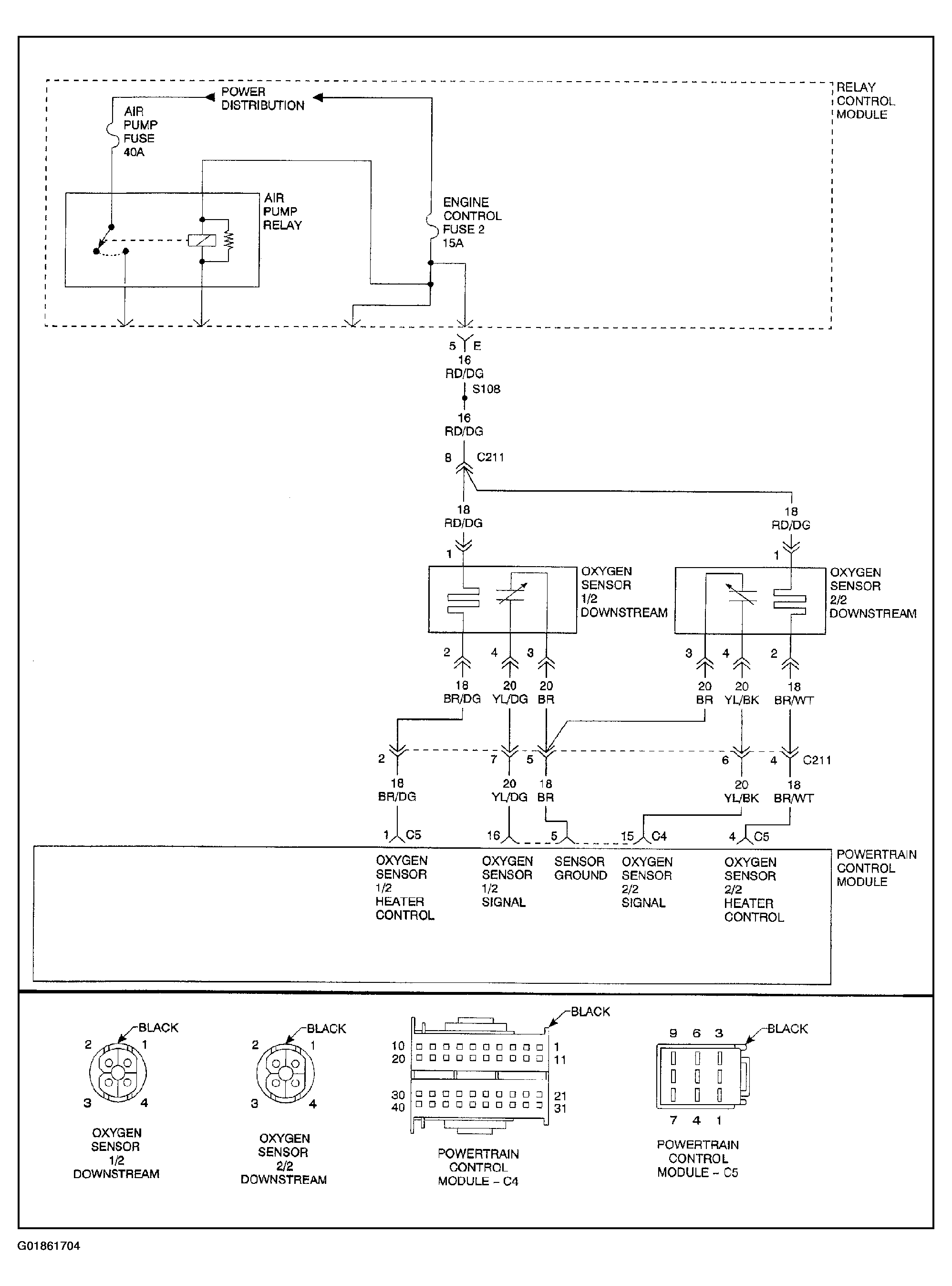
Circuit Diagram & Connector Identification

Fig 1: Identifying DTC P0131 Circuit Diagram & Connector Identification (1 Of 2)
G01861703Courtesy of DAIMLERCHRYSLER CORP.
Fig 2: Identifying DTC P0131 Circuit Diagram & Connector Identification (2 Of 2)
G01861704Courtesy of DAIMLERCHRYSLER CORP.