LEMON Manuals: Even more car manuals for everyone: 1960-2025
Home >> Chrysler >> 2004 >> Crossfire V6-3.2L VIN L >> Repair and Diagnosis >> Powertrain Management >> Computers and Control Systems >> Relays and Modules - Computers and Control Systems >> Engine Control Module >> Diagrams >> Electrical Diagrams
April 5, 2026: LEMON Manuals is launched! Read the announcement.

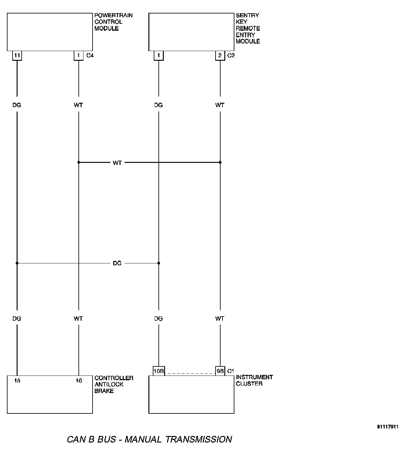
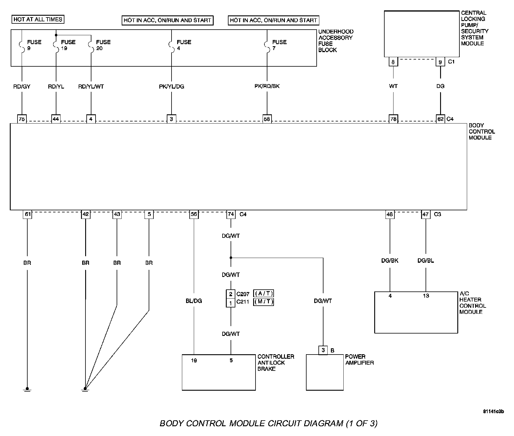
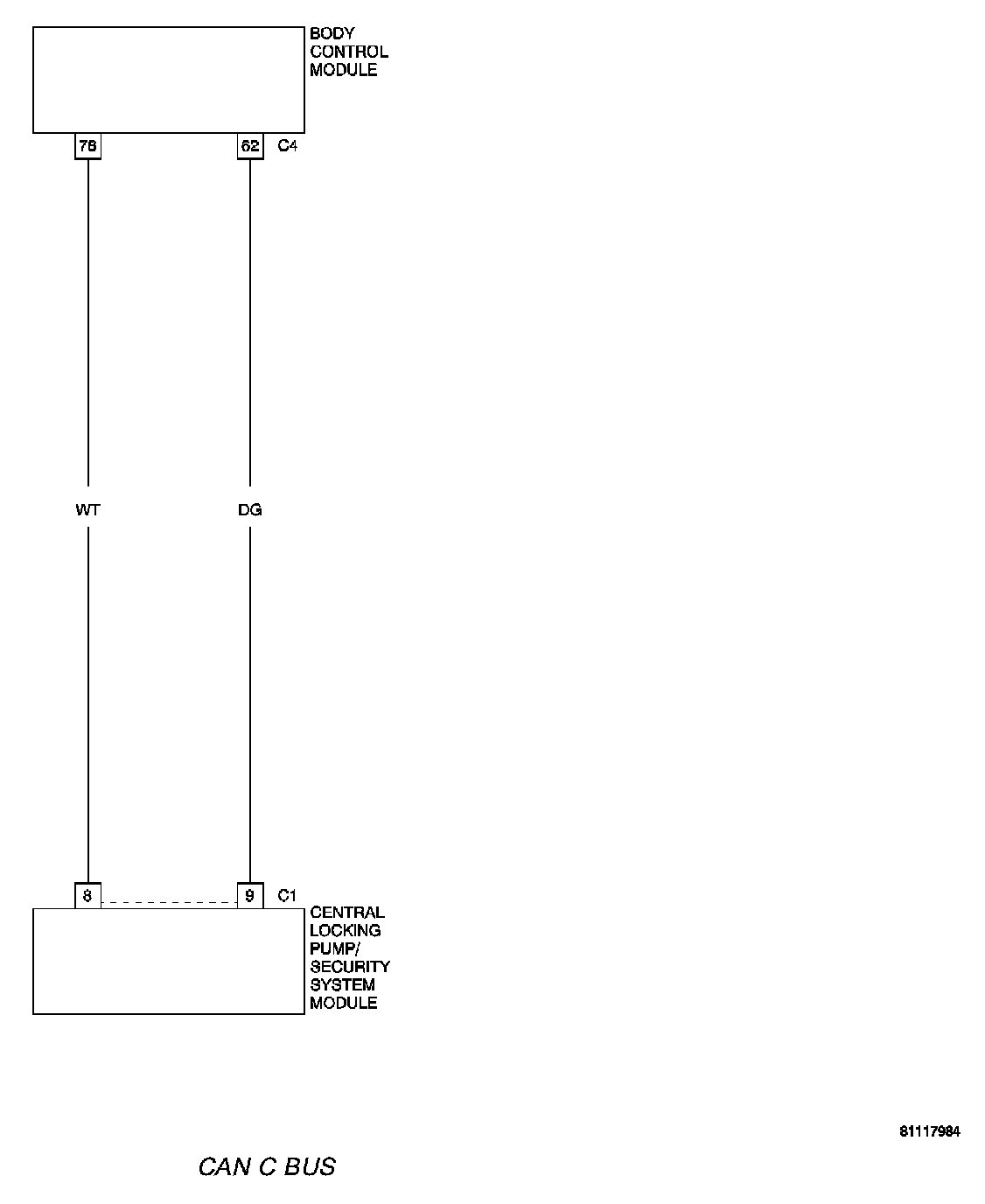
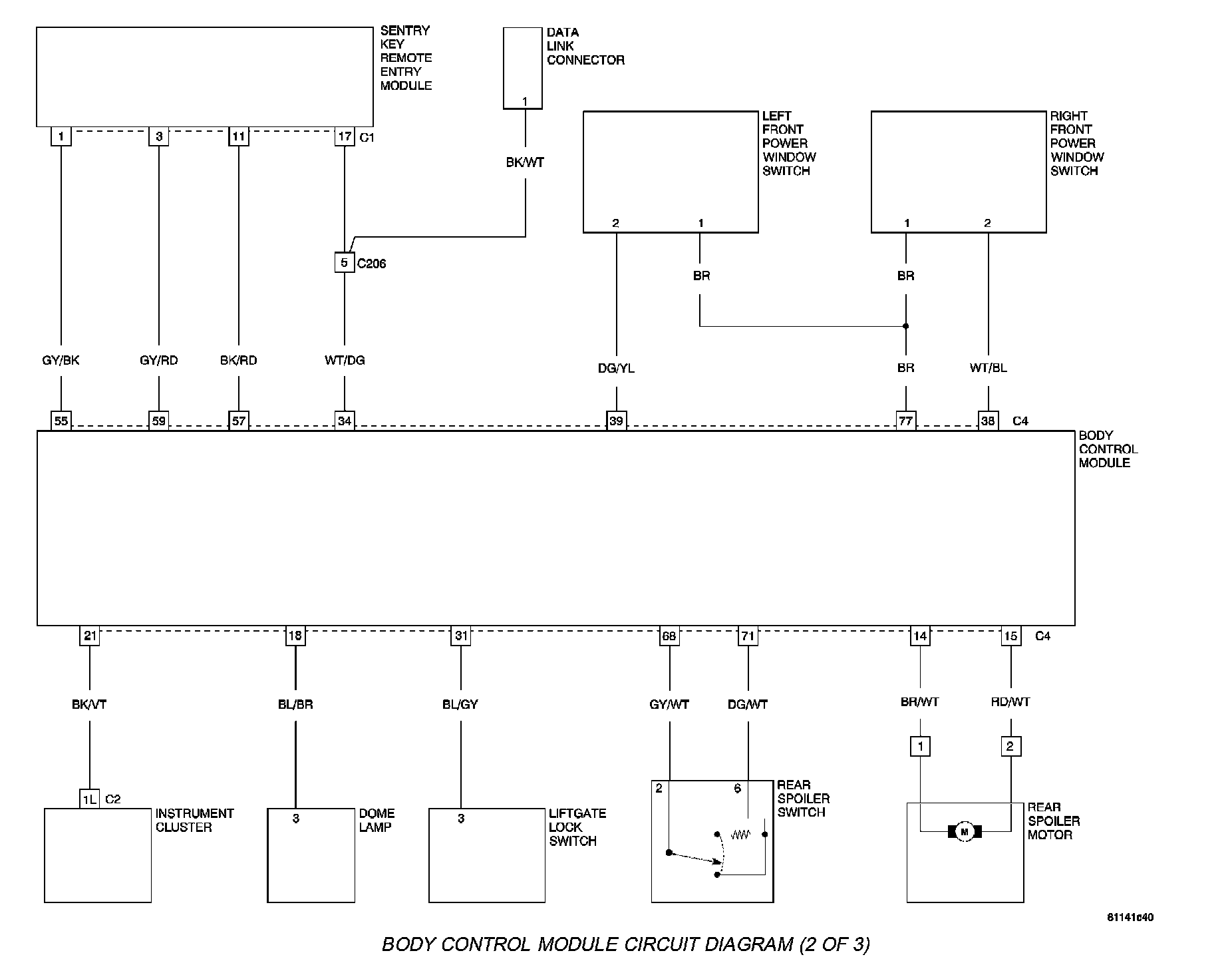
Electrical Diagrams