LEMON Manuals: Even more car manuals for everyone: 1960-2025
Home >> Chrysler >> 2005 >> 300 Base >> Repair and Diagnosis >> General Information >> OEM General Information >> Vehicle Data >> Body Code Plate >> Description >> Location And Decoding
April 5, 2026: LEMON Manuals is launched! Read the announcement.

Location And Decoding

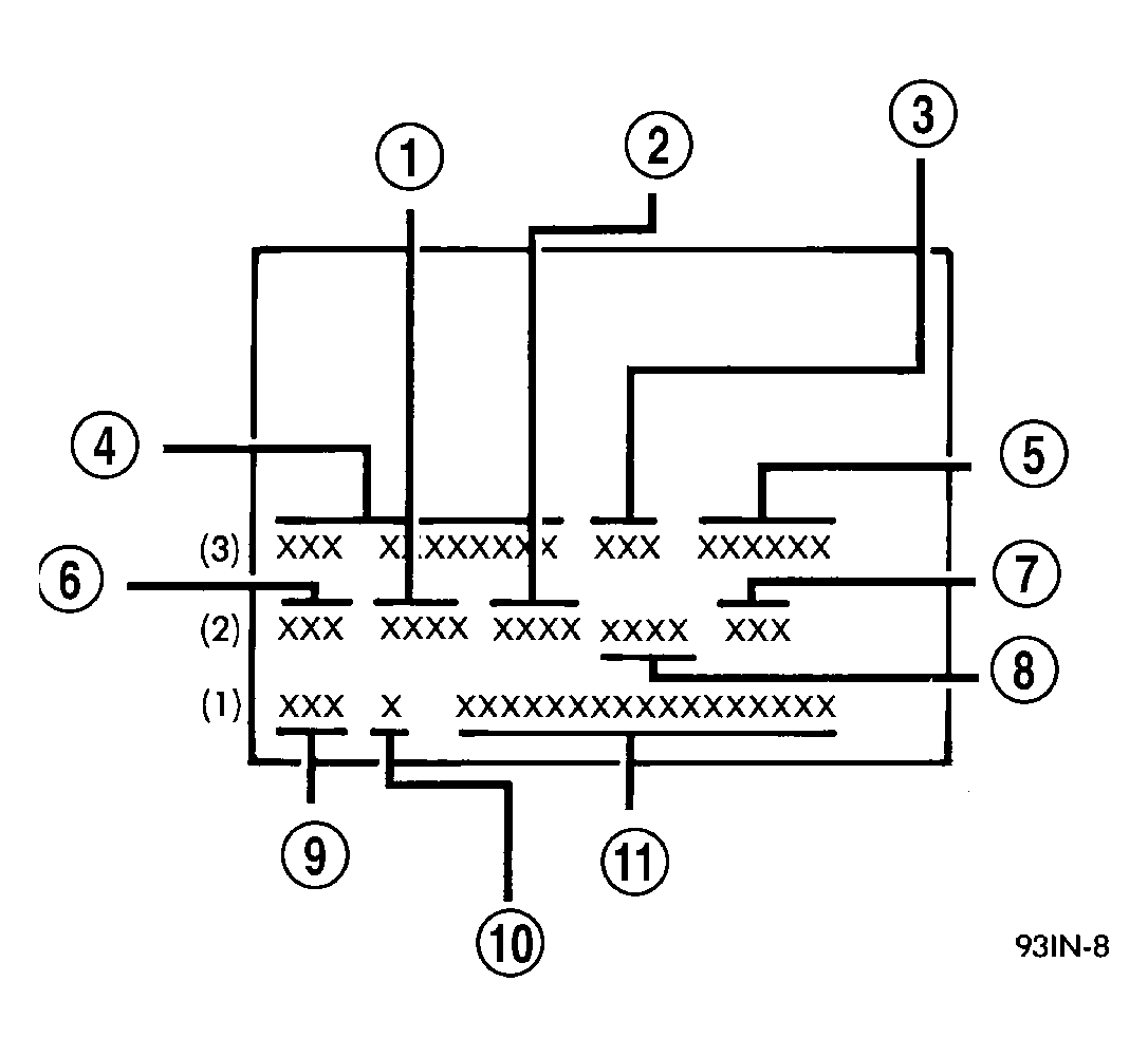
Fig 1: Body Code Plate
GC0016673Courtesy of DAIMLERCHRYSLER CORP.
1 - PRIMARY PAINT
2 - SECONDARY PAINT
3 - VINYL ROOF
4 - VEHICLE ORDER NUMBER
5 - CAR LINE SHELL
6 - PAINT PROCEDURE
7 - ENGINE
8 - TRIM
9 - TRANSMISSION
10 - MARKET
11 - VIN

The Body Code Plate is located in the engine compartment on the front right side shock tower mounting front panel.