LEMON Manuals: Even more car manuals for everyone: 1960-2025
Home >> Chrysler >> 2005 >> Crossfire Base, 2D Convertible >> Repair and Diagnosis (Single Page) >> Accessories & Equipment >> Communication Devices >> Electronic Control Modules - Electrical Diagnostics >> DTC Troubleshooting >> *No Response From Sentry Key Remote Entry Module >> Notes
April 5, 2026: LEMON Manuals is launched! Read the announcement.

*No Response From Sentry Key Remote Entry Module: Notes

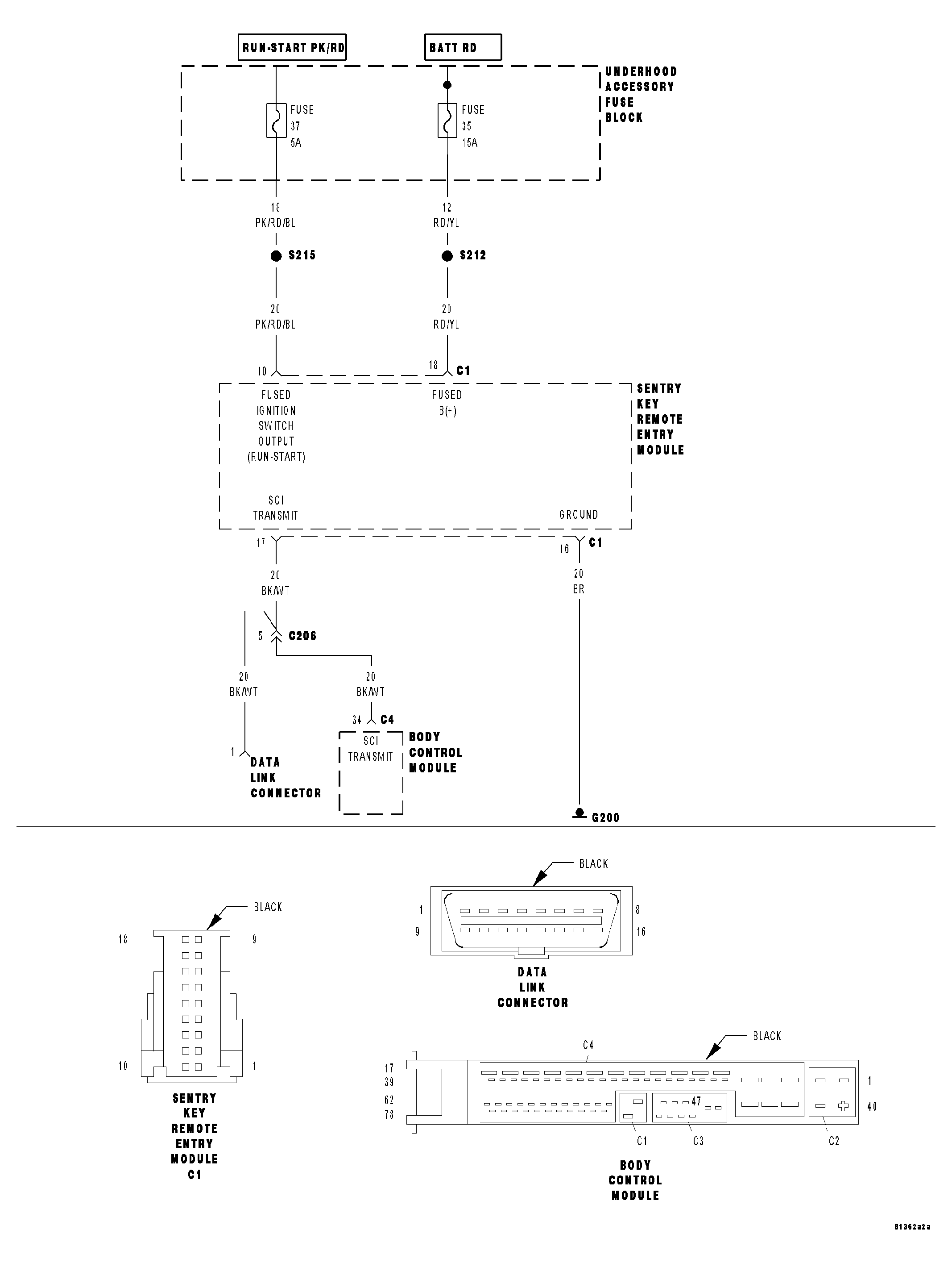
Fig 1: Sentry Key Remote Entry Module SCI, Power & Ground Circuits Schematic
GC0034974Courtesy of DAIMLERCHRYSLER CORP.
POSSIBLE CAUSES 
FUSED B+ CIRCUIT OPEN
FUSED IGNITION SWITCH OUTPUT CIRCUIT OPEN
GROUND CIRCUIT OPEN
SCI TRANSMIT CIRCUIT OPEN
SCI TRANSMIT CIRCUIT SHORTED TO GROUND
SCI TRANSMIT CIRCUIT SHORTED TO VOLTAGE
BODY CONTROL MODULE
SENTRY KEY REMOTE ENTRY MODULE

For a complete Data Link Connector Circuit Diagram, (Refer to ELECTRICAL/ELECTRONIC CONTROL MODULES - SCHEMATICS AND DIAGRAMS) .