LEMON Manuals: Even more car manuals for everyone: 1960-2025
Home >> Chrysler >> 2005 >> PT Cruiser L4-2.4L VIN X >> Repair and Diagnosis >> Powertrain Management >> Computers and Control Systems >> Relays and Modules - Computers and Control Systems >> Body Control Module >> Diagrams >> Electrical Diagrams
April 5, 2026: LEMON Manuals is launched! Read the announcement.

Electrical Diagrams

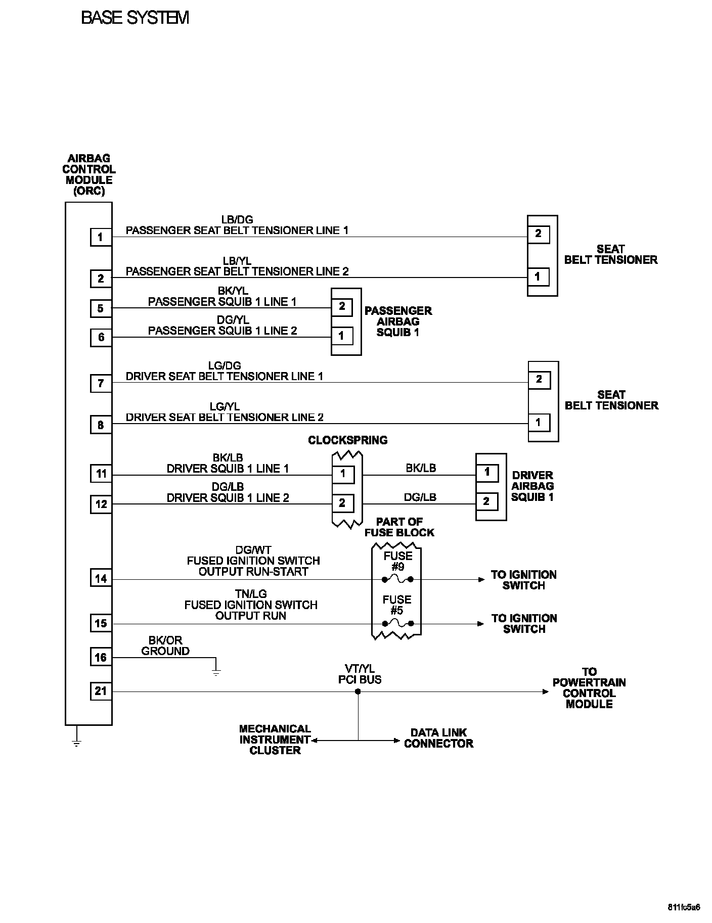
Airbag Base System:



Airbag Premium System:



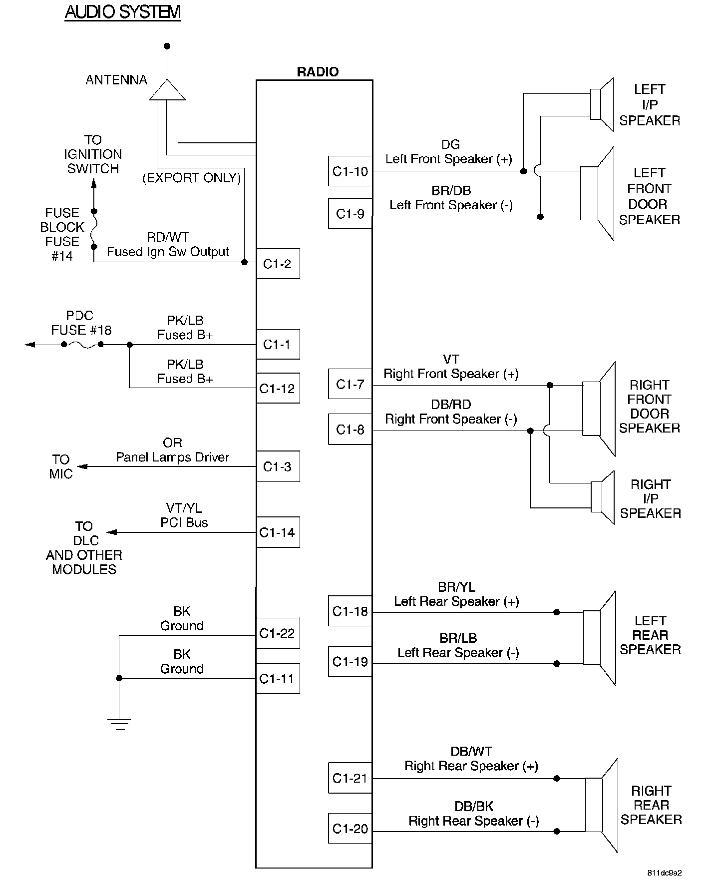
Audio System:



Satellite Digital Audio Receiver System (SDARS):



Satellite Digital Audio Receiver System (SDARS) Equipped With Hands Free Module (HFM):



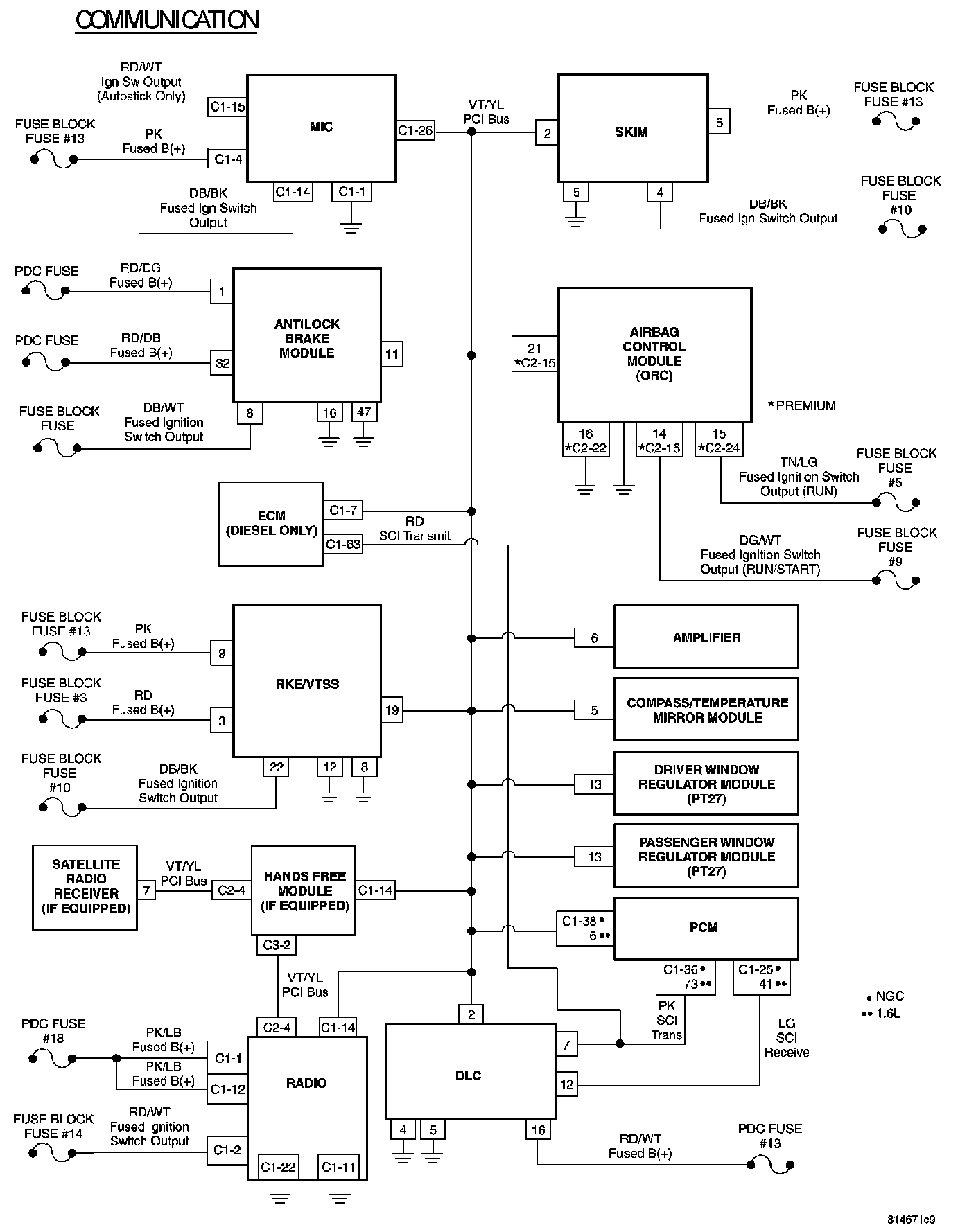
Communication:



Compass/Temperature Module:



Compass/Temperature Mirror Module (PT27):



Instrument Cluster:



Interior Lighting:



Power Door Locks PT44:



Power Door Locks PT27:



Power Top (PT27):



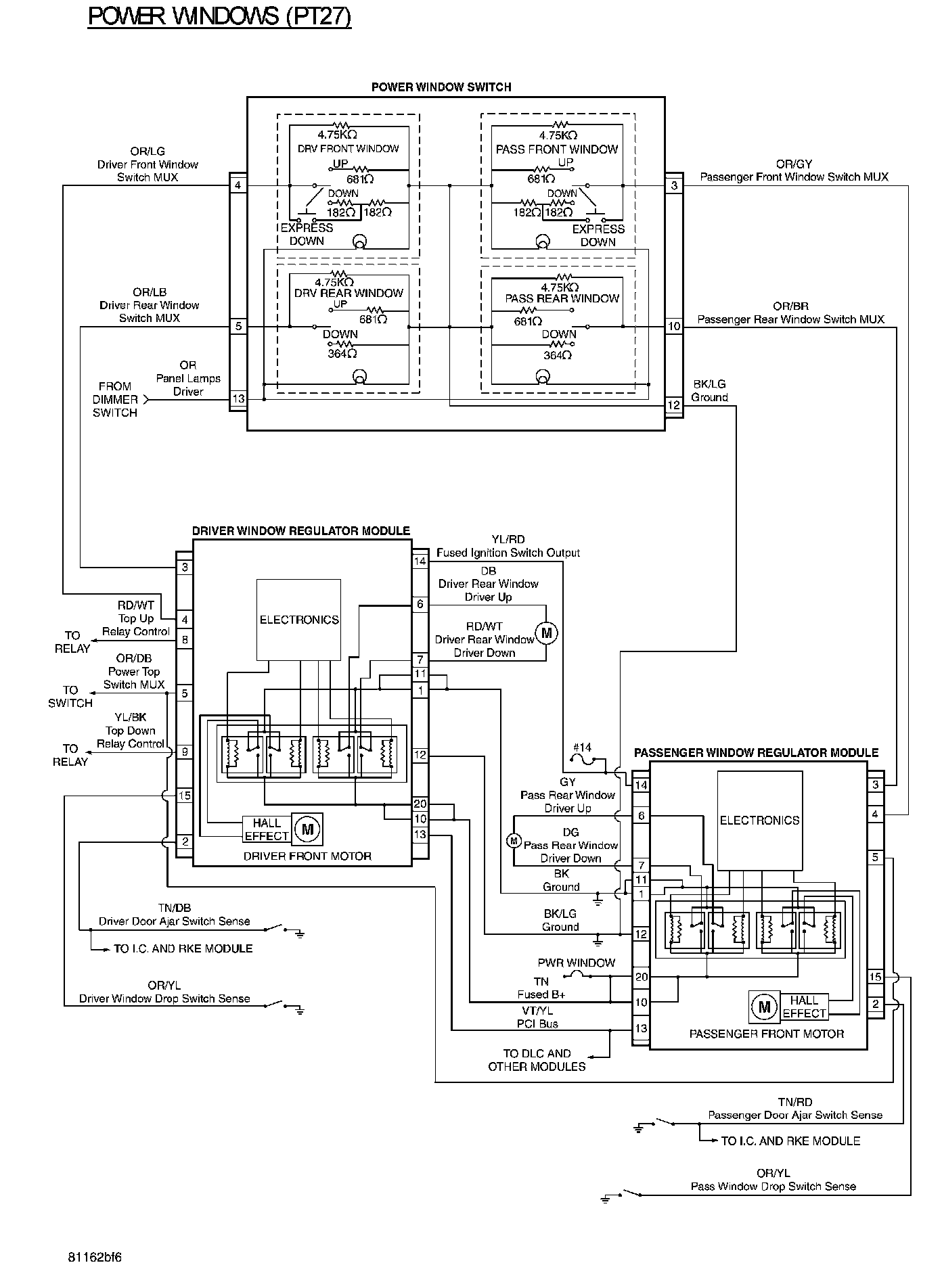
Power Windows (PT27):



Telecommunications - Hands Free Module (HFM):



Vehicle Theft Security System: