LEMON Manuals: Even more car manuals for everyone: 1960-2025
Home >> Chrysler >> 2005 >> Sebring Convertible L4-2.4L VIN X >> Repair and Diagnosis >> Powertrain Management >> Computers and Control Systems >> Relays and Modules - Computers and Control Systems >> Body Control Module >> Diagrams >> Electrical Diagrams >> 8W-45-2
April 5, 2026: LEMON Manuals is launched! Read the announcement.

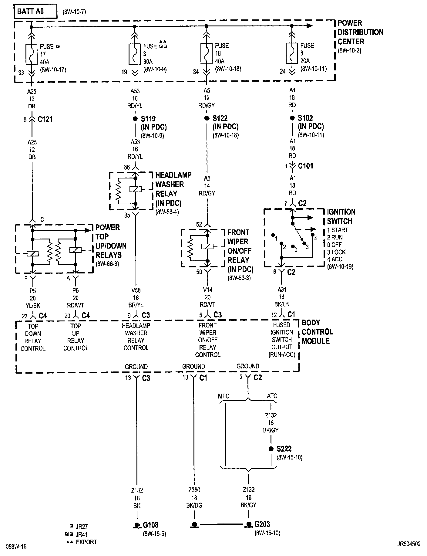
8W-45-2

PLEASE NOTE: Some diagrams may appear to be missing because of gaps in the number sequences. These "gaps" are actually for diagrams that do not apply to the vehicle model selected.

8w-45-2:






Next Diagram 8W-45-3

Other Diagrams: Other diagrams referred to by number (i.e. 8W-70-2, etc.) within these diagrams can be found at the vehicle level under Diagrams by Number Diagrams By Number