LEMON Manuals: Even more car manuals for everyone: 1960-2025
Home >> Chrysler >> 2006 >> Crossfire V6-3.2L VIN L >> Repair and Diagnosis >> Diagrams >> Electrical Diagrams >> Powertrain Management >> Computers and Control Systems >> Engine Control Module
April 5, 2026: LEMON Manuals is launched! Read the announcement.

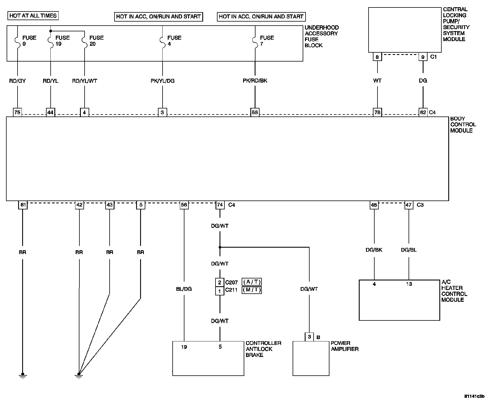
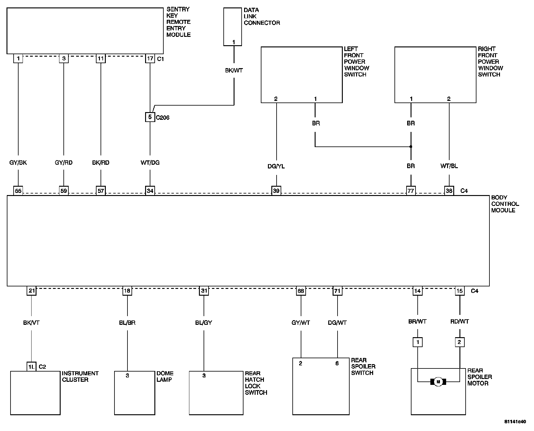
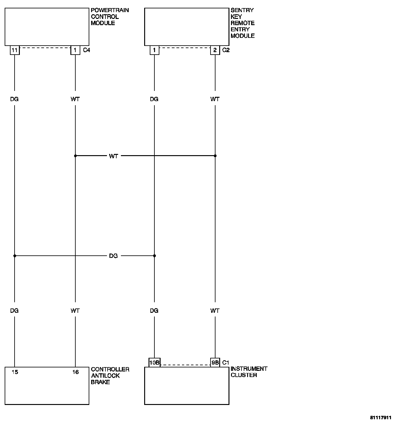
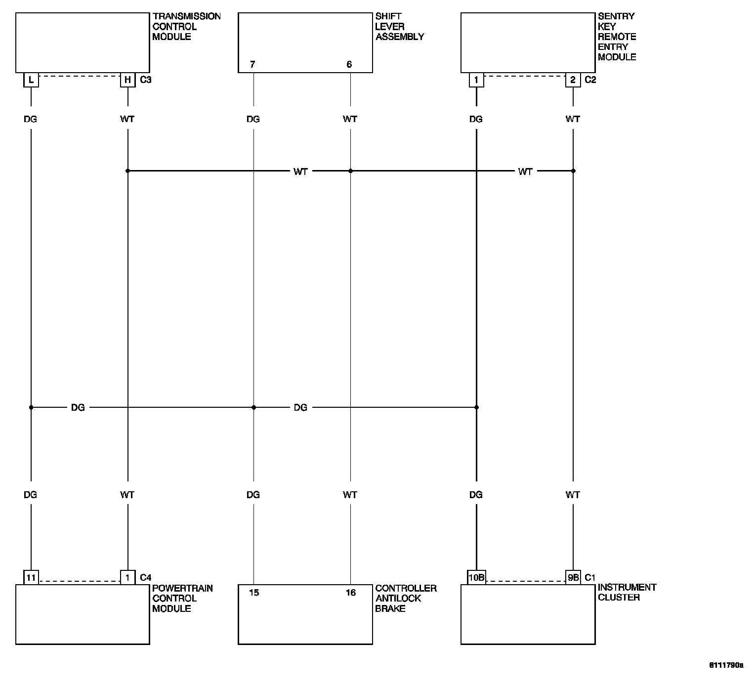
Engine Control Module

SCHEMATICS AND DIAGRAMS











Data Link Connector Circuit Diagram: