LEMON Manuals: Even more car manuals for everyone: 1960-2025
Home >> Chrysler >> 2007 >> 300 Base >> Repair and Diagnosis >> Engine Performance >> System >> DTCS P2181 To P3426 >> P2271-O2 Sensor 1/2 Signal Biased >> Circuit Schematic
April 5, 2026: LEMON Manuals is launched! Read the announcement.

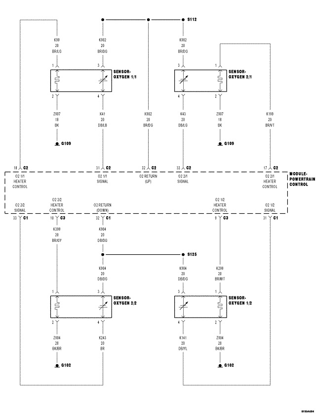
Circuit Schematic

Fig 1: Oxygen Sensor Circuit Schematic
GC0052642Courtesy of CHRYSLER LLC