LEMON Manuals: Even more car manuals for everyone: 1960-2025
Home >> Chrysler >> 2007 >> 300 Base >> Repair and Diagnosis >> External Pages >> Different car >> Section 118 (Vehicle Data) >> Body Code Plate >> Description >> Notes
April 5, 2026: LEMON Manuals is launched! Read the announcement.

Body Code Plate: Description: Notes

WARNING: This page is about a different car, the 2006 Chrysler PT Cruiser. However, it is still accessible from the selected car via links, so may be relevant.

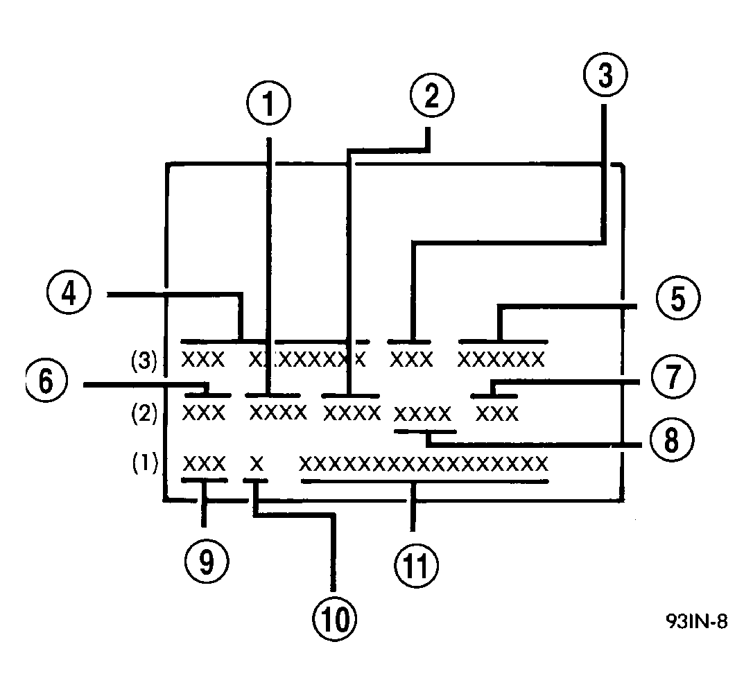
The Body Code Plate is located in the engine compartment on the plenum behind the right side strut tower. See Fig 1.Fig 2. There are seven lines of information on the body code plate. Lines 4, 5, 6, and 7 are not used to define service information. Information reads from left to right, starting with line 3 in the center of the plate to line 1 at the bottom of the plate.

Fig 1: Body Code Plate
GC0023030Courtesy of DAIMLERCHRYSLER CORP.
1 - PRIMARY PAINT
2 - SECONDARY PAINT
3 - VINYL ROOF
4 - VEHICLE ORDER NUMBER
5 - CAR LINE SHELL
6 - PAINT PROCEDURE
7 - ENGINE
8 - TRIM
9 - TRANSMISSION
10 - MARKET
11 - VIN
Fig 2: Body Code Plate 2
GC0023031Courtesy of DAIMLERCHRYSLER CORP.
1 - BODY CODE PLATE
2 - BODY CODE EMBOSS