LEMON Manuals: Even more car manuals for everyone: 1960-2025
Home >> Chrysler >> 2007 >> 300 Base >> Repair and Diagnosis >> External Pages >> Different car >> Section 21 (Electronic Control Modules (Service Information)) >> Module-Antilock Brake - MK25 >> Installation
April 5, 2026: LEMON Manuals is launched! Read the announcement.

Module-Antilock Brake - MK25: Installation

WARNING: This page is about a different car, the 2006 Dodge Magnum, 2006 Dodge Charger, and 2006 Chrysler 300. However, it is still accessible from the selected car via links, so may be relevant.
Fig 1: Removing/Instating ABM
GC0014659Courtesy of DAIMLERCHRYSLER CORP.
  1. Align ABM solenoids and pump/motor wiring connector (4) with HCU valves (2) and connector passage. Slide ABM (1) onto HCU (3).
    Fig 2: Removing/Installing Screws
    GC0014658Courtesy of DAIMLERCHRYSLER CORP.
  2. Install three screws (2) attaching ABM (1) to HCU. Tighten screws to 2 N.m (17 in. lbs.) torque.
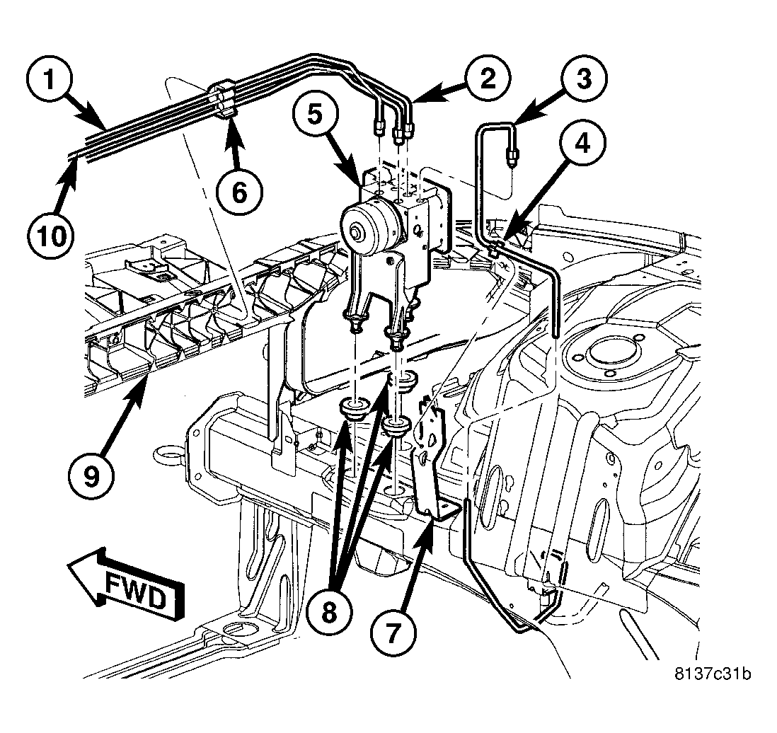
    Fig 3: Removing/Installing Integrated Control Unit And Brake Tubes
    GC0014656Courtesy of DAIMLERCHRYSLER CORP.
  3. Position assembly (5) above mounting grommets (8) and press mounting bracket into place.
  4. Clip brake tube (3) to routing clip (4) below Fuse And Relay Center.
  5. Clip brake tubes (1, 2 and 10) to two routing clips (6) along upper radiator support.
    Fig 4: Disconnecting/Connecting Brake Tubes And Wiring Connector
    GC0014657Courtesy of DAIMLERCHRYSLER CORP.
  6. Connect 47-way wiring connector (5) at ABM (6).
    Fig 5: Disconnecting/Connecting Battery Cables
    GC0012970Courtesy of DAIMLERCHRYSLER CORP.
  7. Connect battery negative cable (2) to battery post. It is important that this is performed properly. (Refer to ELECTRICAL/BATTERY SYSTEM - STANDARD PROCEDURE)
  8. Perform Diagnostic Verification Test and clear any faults. (Refer to BRAKES - DIAGNOSIS AND TESTING)