LEMON Manuals: Even more car manuals for everyone: 1960-2025
Home >> Chrysler >> 2007 >> Crossfire Base, 2D Convertible >> Repair and Diagnosis >> Engine Performance >> System >> DTCS P0153 To P0200 >> P0200-Fuel Injector Circuit >> Notes
April 5, 2026: LEMON Manuals is launched! Read the announcement.

P0200-Fuel Injector Circuit: Notes

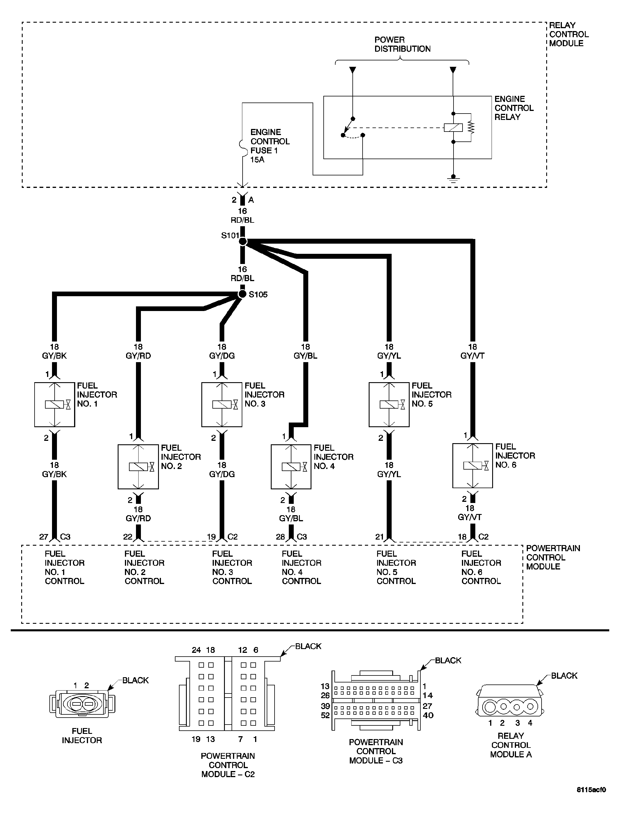
Fig 1: Fuel Injectors Circuit Schematic
GC0034159Courtesy of CHRYSLER LLC
  1. When Monitored  : With battery voltage greater than 10 volts. Engine Control Relay energized. Engine speed less than 3000 RPM.
  2. Set Condition  : No inductive spike is detected after injector turn off. One Trip Fault.
Possible Causes 
INJECTOR CONTROL CIRCUIT OPEN
FUSED ENGINE CONTROL RELAY OUTPUT CIRCUIT OPEN
INJECTOR CONTROL CIRCUIT SHORT TO GROUND
FUSED ENGINE CONTROL RELAY OUTPUT CIRCUIT SHORT TO INJECTOR CONTROL CIRCUIT
FUEL INJECTOR
POWERTRAIN CONTROL MODULE

For a complete Powertrain Control Module Circuit Diagram, refer to SCHEMATICS AND DIAGRAMS .