LEMON Manuals: Even more car manuals for everyone: 1960-2025
Home >> Chrysler >> 2007 >> PT Cruiser Base, 2D Convertible, Automatic >> Repair and Diagnosis >> Restraints >> Restraints Control Systems >> DTCS B1B83 To B2101 >> B2101-Ignition Run/Start Input Circuit Low >> Circuit Schematic
April 5, 2026: LEMON Manuals is launched! Read the announcement.

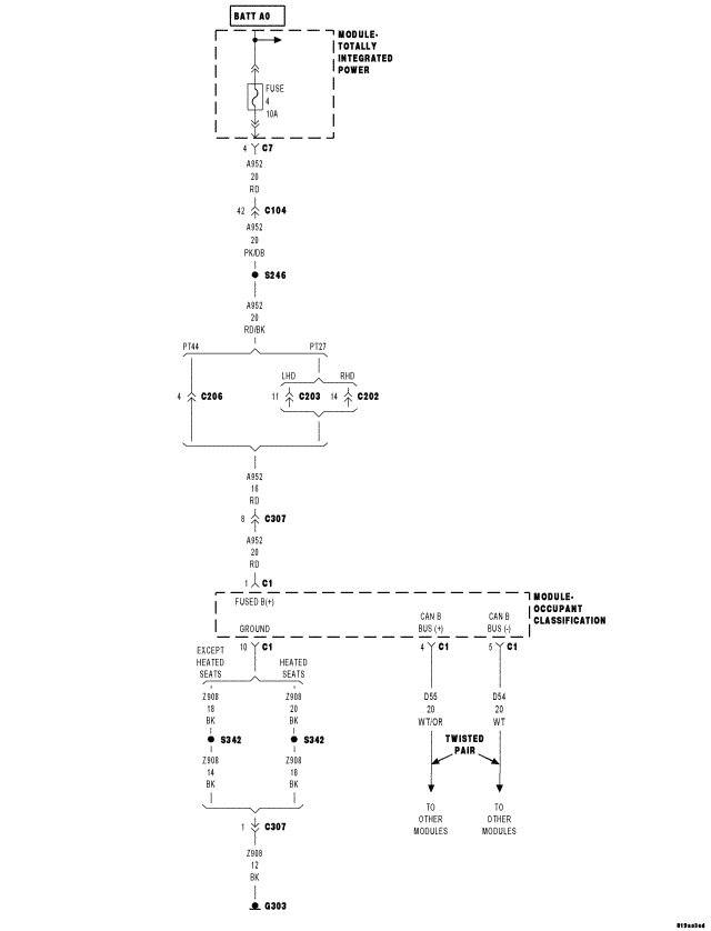
Circuit Schematic

Fig 1: Occupant Classification Module (OCM ) Circuit schematic
GC0058394Courtesy of CHRYSLER LLC