LEMON Manuals: Even more car manuals for everyone: 1960-2025
Home >> Chrysler >> 2007 >> Pacifica Base, 3.8 L >> Repair and Diagnosis >> Engine Performance >> System >> DTCS P0573 To P0643 >> P0622-Generator Field Control Circuit-Open >> Circuit Schematic
April 5, 2026: LEMON Manuals is launched! Read the announcement.

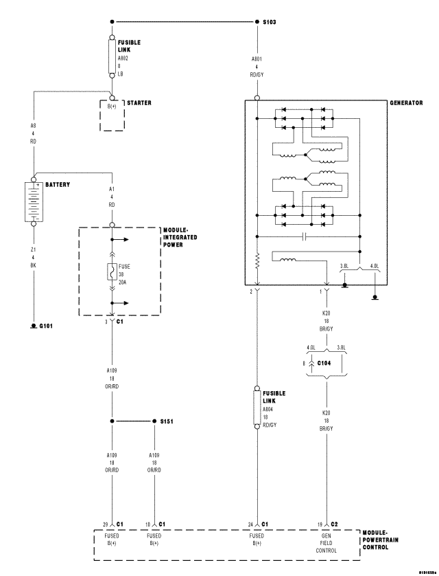
Circuit Schematic

Fig 1: Charging System Circuit Schematic
GC0049620Courtesy of CHRYSLER LLC