LEMON Manuals: Even more car manuals for everyone: 1960-2025
Home >> Chrysler >> 2007 >> Pacifica Limited, AWD >> Repair and Diagnosis >> Engine Performance >> Ignition System >> Ignition Control - Electrical Diagnostics >> Ignition Control-Electrical Diagnostics >> DTC Troubleshooting >> Ignition Run/Start Input Mismatch-IPM >> Circuit Schematic
April 5, 2026: LEMON Manuals is launched! Read the announcement.

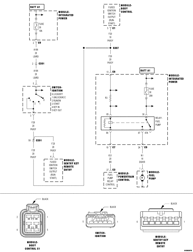
Circuit Schematic

Fig 1: Ignition Run/Start Input Circuit Schematic
GC0048762Courtesy of CHRYSLER LLC