LEMON Manuals: Even more car manuals for everyone: 1960-2025
Home >> Chrysler >> 2007 >> Pacifica Limited, AWD >> Repair and Diagnosis >> Engine Performance >> System >> DTCS P0152 To P0222 >> P0157-O2 Sensor 2/2 Circuit Low >> Circuit Schematic
April 5, 2026: LEMON Manuals is launched! Read the announcement.

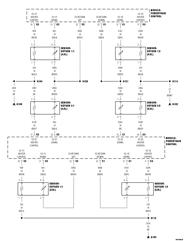
Circuit Schematic

Fig 1: Oxygen Sensor Circuit Schematic
GC0049367Courtesy of CHRYSLER LLC