LEMON Manuals: Even more car manuals for everyone: 1960-2025
Home >> Chrysler >> 2008 >> Crossfire 2D Convertible, Automatic >> Repair and Diagnosis >> Body & Frame >> Windows >> Power Window System - Electrical Diagnostics >> Power Windows - Electrical Diagnostics >> DTC Troubleshooting >> *Left Front Power Window Inoperative >> Notes
April 5, 2026: LEMON Manuals is launched! Read the announcement.

*Left Front Power Window Inoperative: Notes

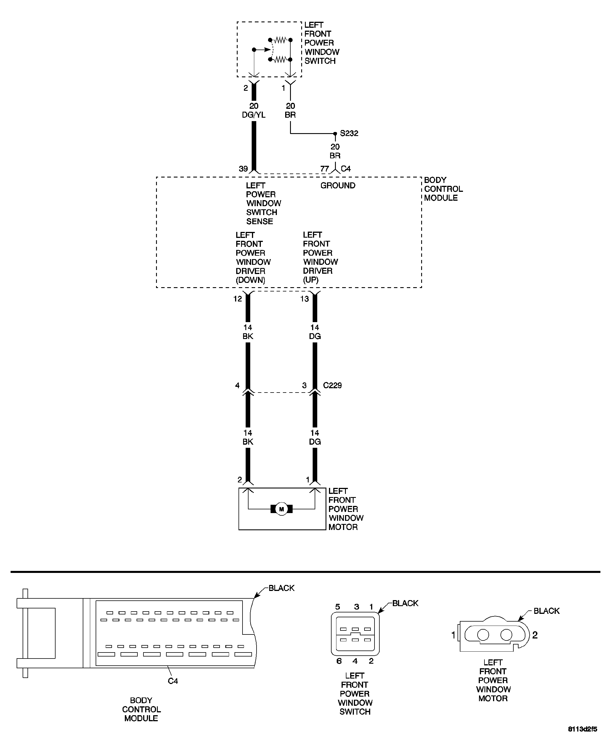
Fig 1: Left Front Power Window Circuit Schematic
GC0035552Courtesy of CHRYSLER LLC
POSSIBLE CAUSES 
LEFT FRONT POWER WINDOW SWITCH
LEFT POWER WINDOW SWITCH SENSE CIRCUIT
GROUND CIRCUIT
LEFT FRONT POWER WINDOW MOTOR
LEFT FRONT POWER WINDOW DRIVER CIRCUIT
BODY CONTROL MODULE

For a complete Power Windows Circuit Diagram, see SCHEMATICS AND DIAGRAMS .