LEMON Manuals: Even more car manuals for everyone: 1960-2025
Home >> Chrysler >> 2008 >> Crossfire 2D Convertible, Standard >> Repair and Diagnosis >> Engine Performance >> System >> DTCS P0341 To P0480 >> P0410-Secondary Air Injection System >> Notes
April 5, 2026: LEMON Manuals is launched! Read the announcement.

P0410-Secondary Air Injection System: Notes

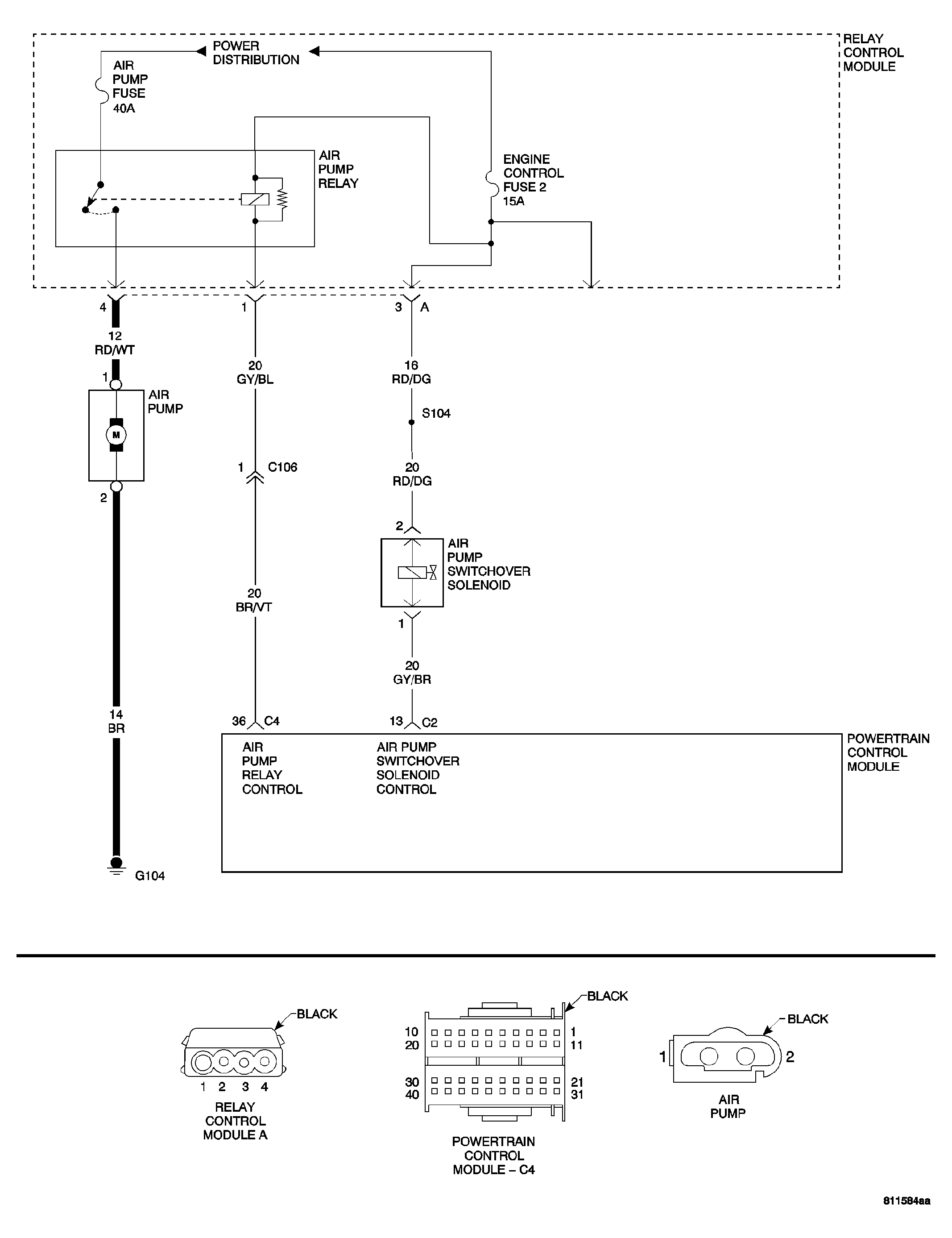
Fig 1: Air Pump System Circuit Schematic
GC0034246Courtesy of CHRYSLER LLC
  1. When Monitored  : Once per driving cycle with the engine at idle, air conditioning is off, barometric pressure is greater than 78 kPa (11 psi), engine coolant temperature is greater than 50°C (122°F) and no other DTC set.
  2. Set Condition  : When the test is enabled, the O2 Sensor must increase by at least 23% (rich).
Possible Causes 
AIR PUMP VOLTAGE SUPPLY CIRCUIT OPEN
AIR PUMP VOLTAGE SUPPLY CIRCUIT SHORT TO GROUND
AIR PUMP GROUND CIRCUIT OPEN
CRACKING, MISSING, MISROUTED, OR PLUGGED VACUUM LINES.
AIR PUMP SWITCHOVER VALVES
AIR PUMP RELAY
AIR PUMP
POWERTRAIN CONTROL MODULE

For a complete Powertrain Control Module Circuit Diagram, refer to SCHEMATICS AND DIAGRAMS .