LEMON Manuals: Even more car manuals for everyone: 1960-2025
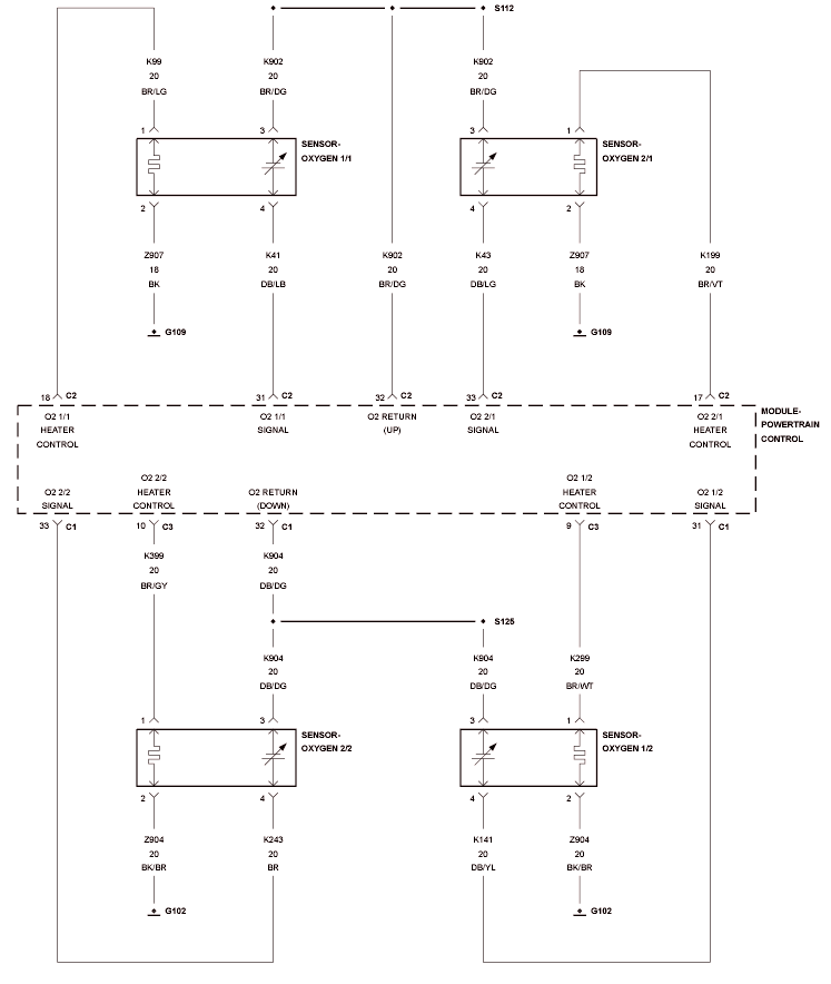
Home >> Chrysler >> 2009 >> 300 C, AWD >> Repair and Diagnosis >> Engine Performance >> System >> DTCS P2107 To P2302 >> P2271-O2 Sensor 1/2 Signal Biased Rich >> Circuit Schematic
April 5, 2026: LEMON Manuals is launched! Read the announcement.

Circuit Schematic

Fig 1: O2 Sensor Signal Circuit Schematic
GC0097678Courtesy of CHRYSLER LLC