LEMON Manuals: Even more car manuals for everyone: 1960-2025
Home >> Chrysler >> 2009 >> PT Cruiser Base, Automatic >> Repair and Diagnosis >> Engine Performance >> Ignition System >> (Totally Integrated Power Module (TIPM) - Electrical Diagnostics) >> DTC Troubleshooting >> B10BA-Cabin Heater 2 Control Circuit Open >> Notes
April 5, 2026: LEMON Manuals is launched! Read the announcement.

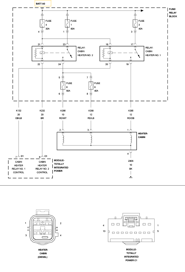
B10BA-Cabin Heater 2 Control Circuit Open: Notes

Fig 1: Cabin Heater Control Circuit
GC0117417Courtesy of CHRYSLER LLC