LEMON Manuals: Even more car manuals for everyone: 1960-2025
Home >> Chrysler >> 2009 >> PT Cruiser Base, Automatic >> Repair and Diagnosis >> Engine Performance >> Ignition System >> (Totally Integrated Power Module (TIPM) - Electrical Diagnostics) >> DTC Troubleshooting >> B1669-Reverse Lamp Control Circuit Open >> Notes
April 5, 2026: LEMON Manuals is launched! Read the announcement.

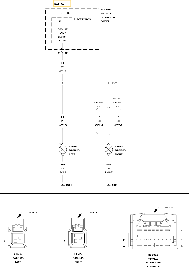
B1669-Reverse Lamp Control Circuit Open: Notes

Fig 1: Reverse Lamp Control Circuit
GC0100161Courtesy of CHRYSLER LLC