LEMON Manuals: Even more car manuals for everyone: 1960-2025
Home >> Chrysler >> 2009 >> PT Cruiser Base, Automatic >> Repair and Diagnosis >> Engine Performance >> Ignition System >> (Totally Integrated Power Module (TIPM) - Electrical Diagnostics) >> DTC Troubleshooting >> P1279-Starter Control Circuit 2 Open >> Notes
April 5, 2026: LEMON Manuals is launched! Read the announcement.

P1279-Starter Control Circuit 2 Open: Notes

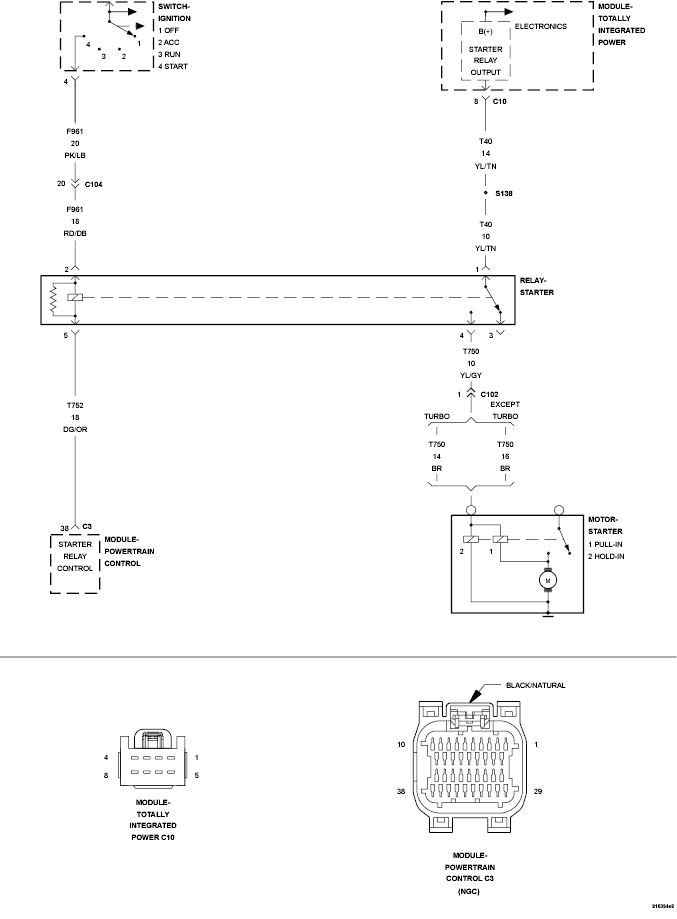
Fig 1: Starting System Circuit
GC0117503Courtesy of CHRYSLER LLC