LEMON Manuals: Even more car manuals for everyone: 1960-2025
Home >> Chrysler >> 2009 >> Sebring Base, 2D Convertible, EDG >> Repair and Diagnosis >> Engine Performance >> System >> DTCS P2016 To P2122 - GPEC >> P2017-Intake Manifold Runner Position Sensor Circuit High >> Notes
April 5, 2026: LEMON Manuals is launched! Read the announcement.

P2017-Intake Manifold Runner Position Sensor Circuit High: Notes

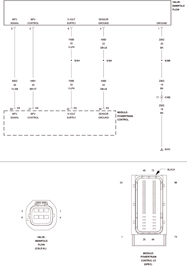
Fig 1: Intake Manifold Runner Control Circuit
GC0123865Courtesy of CHRYSLER LLC