LEMON Manuals: Even more car manuals for everyone: 1960-2025
Home >> Chrysler >> 2009 >> Sebring Convertible L4-2.4L >> Repair and Diagnosis >> Powertrain Management >> Ignition System >> Ignition Coil >> Testing and Inspection
April 5, 2026: LEMON Manuals is launched! Read the announcement.

Ignition Coil: Testing and Inspection






CHECKING THE IGNITION COIL OPERATION - GPEC





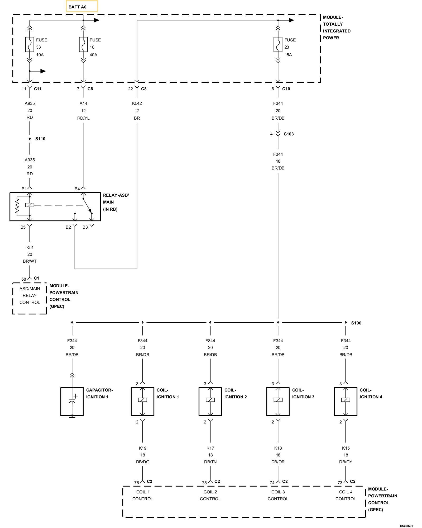
For a complete wiring diagram refer to the wiring information Electrical Diagrams.

1. IGNITION COIL WIRING OR CONNECTORS

NOTE: Diagnose and repair any ignition coil, CMP sensor, or CKP sensor DTCs before proceeding with this test.

1. Turn the ignition off.
2. Using the wiring diagram/schematic as a guide, inspect the wiring and connectors between the Ignition Coil for the cylinder being tested and the PCM.
3. Look for any chafed, pierced, pinched, or partially broken wires.
4. Look for broken, bent, pushed out or corroded terminals.

NOTE: If the vehicle is not equipped with the coil on plug ignition system, check the resistance of the ignition wire(s) before checking the cylinder with a spark tester. The resistance should be below 10k ohms.

Were any problems found?

Yes

- Repair as necessary.
- Perform the PCM Verification Test.PCM Verification Test

No

- Go to 2

2. IGNITION COIL OPERATION

NOTE: Inspect the ignition coil for damage, carbon tracking on the coil or a damaged spark plug insulator boot. If a problem is found, replace the ignition coil.

NOTE: 6.1L coils must have a spark tester installed on both sides of the coil during the following test. During the test, each side of the coil should output a crisp blue spark that is able to jump the gap of the spark tester.

NOTE: On the 2.7 and 3.5 engines, cylinders 1, 3 and 5, it is necessary to remove the upper intake manifold to access the ignition coils. Once the ignition coil has been removed, the intake must be installed in order to crank the engine. Move the ignition coil harness connector through the slots in the upper intake and then connect the coil to the harness connector. Secure the upper intake to the lower intake.

1. Turn the ignition off.
2. If the vehicle is equipped with coil on plug ignition system, remove the ignition coil for the cylinder being tested.
3. Disconnect the fuel injector harness connector for the cylinder being tested.
4. For coil on plug ignition systems, install a spark tester(s) on the ignition coil, otherwise install the spark tester to the ignition wire.
5. While cranking the engine observe the spark coming from the spark tester.

NOTE: A crisp blue spark that jumps the gap of the spark tester should be generated.

Is good spark present?

Yes

- Go to 7

No

- Go to 3

3. MAIN/ASD RELAY OUTPUT CIRCUIT OPEN OR HIGH RESISTANCE
1. Turn the ignition off.
2. Disconnect the Ignition Coil harness connector.
3. Turn the ignition on.
4. With the scan tool, actuate the Main/ASD Relay to on.
5. Using a 12 volt test light connected to ground, check the Main/ASD Relay output circuit in the ignition coil harness connector.

NOTE: The test light should be illuminated and bright. Compare the brightness to that of a direct connection to the battery.

Is the test light illuminated and bright during the actuation?

Yes

- Go to 4

No

- Repair the Main/ASD Relay output circuit for an open circuit or high resistance.
- Perform the PCM Verification Test.PCM Verification Test

4. IGNITION COIL

WARNING: When the engine is operating, do not stand in direct line with the fan. Do not put your hands near the pulleys, belts or fan. Do not wear loose clothing. Failure to follow these instructions may result in possible serious or fatal injury.

1. Using a 12 volt test light connected to 12 volts, check the Ignition Coil control circuit for the cylinder being tested in the Ignition Coil harness connector.
2. Crank the engine for 5 seconds.

NOTE: The test light should blink each time the circuit is activated by the PCM.

Does the test light blink each time the circuit is activated by the PCM?

Yes

- Replace the Ignition Coil.
- Perform the PCM Verification Test.PCM Verification Test

No

- Go to 5

5. IGNITION COIL CONTROL CIRCUIT OPEN OR HIGH RESISTANCE

CAUTION: Do not probe the PCM harness connectors. Probing the PCM harness connectors will damage the PCM terminals, resulting in poor terminal to pin connection. Install PCM Pinout Box 8815 to perform diagnosis.

1. Measure the resistance of the Ignition Coil control circuit for the cylinder being tested between the Ignition Coil harness connector and the appropriate terminal of special tool #8815.

Is the resistance below 5.0 ohms?

Yes

- Go to 6

No

- Repair the Ignition Coil control circuit for an open circuit or high resistance.
- Perform the PCM Verification Test.PCM Verification Test

6. POWERTRAIN CONTROL MODULE (PCM)
1. Using the wiring diagram/schematic as a guide, inspect the wiring and connectors between the Ignition Coil for the cylinder being tested and the PCM.
2. Look for any chafed, pierced, pinched, or partially broken wires.
3. Look for broken, bent, pushed out or corroded terminals.
4. Search for any Technical Service Bulletins that may apply.

Were any problems found?

Yes

- Repair as necessary.
- Perform the PCM Verification Test.PCM Verification Test

No

- Replace and program the Powertrain Control Module (PCM).
- Perform the PCM Verification Test.PCM Verification Test

7. SPARK PLUG(S)
1. Turn the ignition off.
2. Remove the spark plug.

NOTE: Vehicles equipped with 5.7L or 6.1L engines must have both spark plugs (per cylinder) removed and inspected to ensure proper operation.

3. Inspect the spark plug for any of the following conditions:
- Cracks or damage
- Carbon tracking
- Foreign material
- Gap not within specification
- Loose or broken electrode

NOTE: Lightly tap the bottom of the spark plug on a solid surface. The electrode in the spark plug should not move.

Were any problems found?

Yes

- Replace the spark plug.
- Perform the PCM Verification Test.PCM Verification Test

No

- Test Complete.