LEMON Manuals: Even more car manuals for everyone: 1960-2025
Home >> Chrysler >> 2011 >> 300 Base, Gas >> Repair and Diagnosis >> Engine Performance >> System >> DRIVEABILITY - Gas - Non-DTC Based Diagnostics >> Diagnosis and Testing >> Checking The Map Sensor Performance >> Notes
April 5, 2026: LEMON Manuals is launched! Read the announcement.

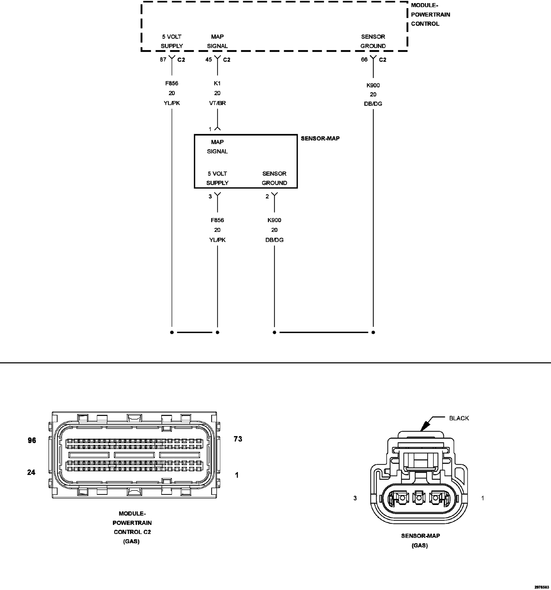
Checking The Map Sensor Performance: Notes

Fig 1: Manifold Absolute Pressure Circuit Wiring Diagram
GC0149238Courtesy of CHRYSLER LLC

For a complete wiring diagram, refer to appropriate SYSTEM WIRING DIAGRAMS article  .