LEMON Manuals: Even more car manuals for everyone: 1960-2025
Home >> Chrysler >> 2023 >> 300 C >> Repair and Diagnosis >> Accessories & Equipment >> Drivers Assistance Systems - ADAS >> Electronic Control Modules (Service Information) >> Module, Powertrain Control (Pcm) >> Installation
April 5, 2026: LEMON Manuals is launched! Read the announcement.

Module, Powertrain Control (Pcm): Installation

GC0144878Courtesy of CHRYSLER GROUP, LLC
  1. If removed, position the Powertrain Control Module (PCM) mounting bracket (1) onto the PCM (4), install the two retaining nuts (2) and tighten to the proper torque specification. TORQUE SPECIFICATIONS. 
  2. If removed, install the noise plug (3) onto the PCM.
    GC0144877Courtesy of CHRYSLER GROUP, LLC
    NOTE:

    Prior to reconnecting the electrical connectors to the PCM, check the pins in the electrical connectors for misalignment and/or damage. Repair as necessary.

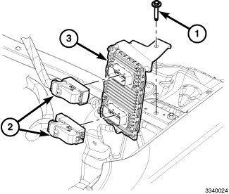
  3. Position the PCM (3) into the vehicle.
  4. Connect the PCM harness connectors (2).
  5. Position the PCM bracket to the cross support, install the retaining bolt (1) and tighten to the proper torque specification. Refer to TORQUE SPECIFICATIONS. 
  6. Install the cowl plenum cover/grille panel over the wiper linkage module. Refer to COVER, COWL PANEL, INSTALLATION .
  7. Connect the negative battery cable.
    NOTE:

    If a new PCM is installed, it must be programed with the original Vehicle Identification Number (VIN) and mileage. If this is not done, a Diagnostic Trouble Code (DTC) may set.

    NOTE:

    If a new PCM is installed. Refer to MODULE, POWERTRAIN CONTROL (PCM), MODULE PROGRAMMING .

  8. If a new PCM is being installed, use a scan tool and program the new PCM with the original VIN and vehicle mileage.