LEMON Manuals: Even more car manuals for everyone: 1960-2025
Home >> Dodge and Ram >> 2004 >> Viper >> Repair and Diagnosis >> Body & Frame >> Windows >> Power Window System >> Power Window Switch >> Diagnosis And Testing - Power Window Switch >> Notes
April 5, 2026: LEMON Manuals is launched! Read the announcement.

Diagnosis And Testing - Power Window Switch: Notes

Any diagnosis of the Power Windows system should begin with the use of scan tool and  BODY DIAGNOSTIC PROCEDURES  . 

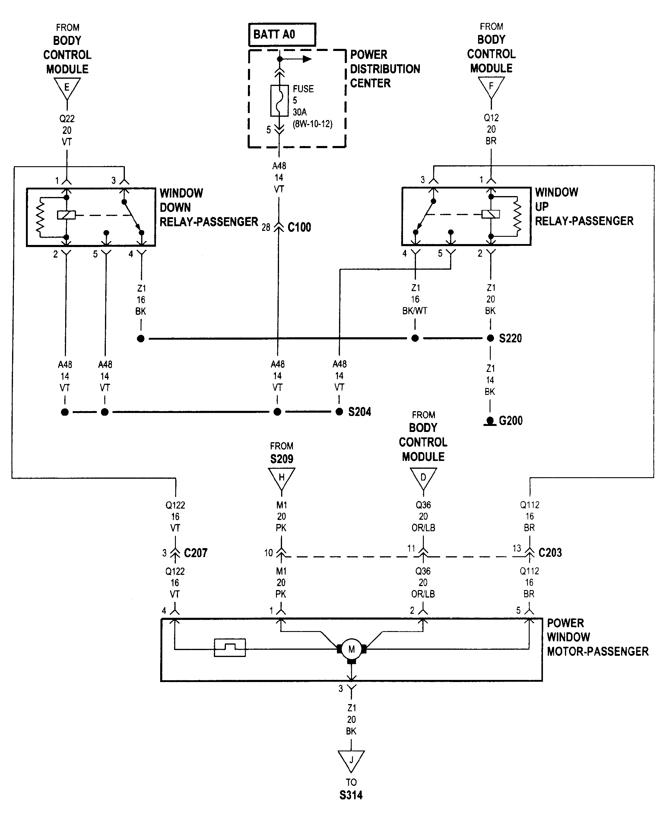
Refer to Figure -Figure . Also refer to POWER DISTRIBUTION (COMPONENT LOCATIONS) and CONNECTOR/GROUND/SPLICE LOCATION . The wiring information includes wiring diagrams, proper wire and connector repair procedures, details of wire harness routing and retention, connector pin-out information and location views for the various wire harness connectors, splices and grounds.

Remove the switch (Refer to REMOVAL  ). Using an ohmmeter, refer to the POWER WINDOW SWITCH CONTINUITY  table to determine if resistance is correct. If the correct results are not obtained, replace the switch.