LEMON Manuals: Even more car manuals for everyone: 1960-2025
Home >> Dodge and Ram >> 2017 >> Viper Base >> Repair and Diagnosis >> Steering >> Steering Control Systems >> (Steering Control Module (SCM) - Electrical Diagnostics) >> DTC Troubleshooting >> U1009-00-Lin 2 Bus >> Notes
April 5, 2026: LEMON Manuals is launched! Read the announcement.

U1009-00-Lin 2 Bus: Notes

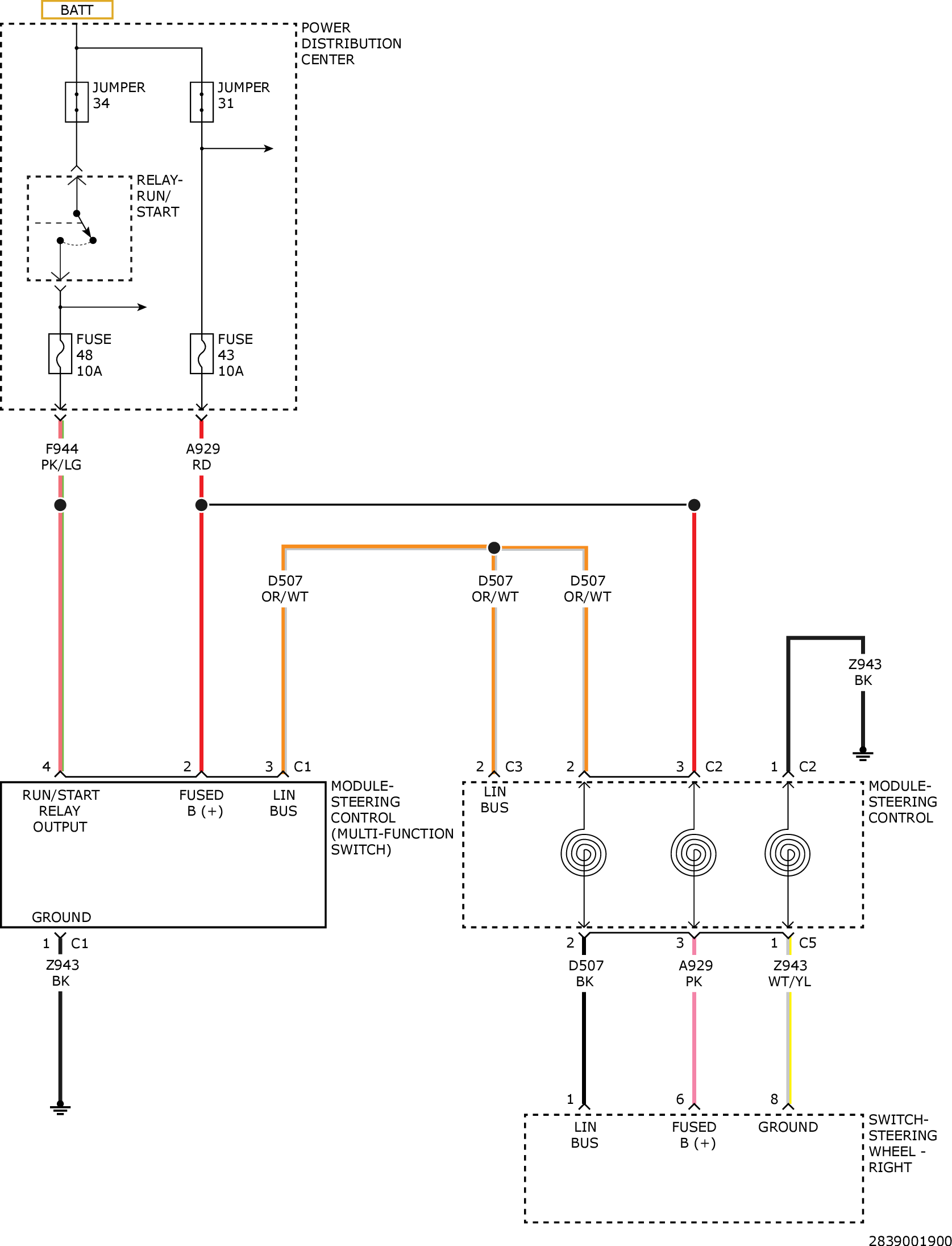
For a complete wiring diagram, refer to appropriate SYSTEM WIRING DIAGRAMS article  .

GC0157021Courtesy of CHRYSLER GROUP, LLC