LEMON Manuals: Even more car manuals for everyone: 1960-2025
Home >> Dodge and Ram >> 2017 >> Viper Base >> Repair and Diagnosis >> Transmission >> Automatic Trans >> Engine Cooling System >> Engine >> Radiator, Engine Cooling >> Removal
April 5, 2026: LEMON Manuals is launched! Read the announcement.

Radiator, Engine Cooling: Removal

GC0154683Courtesy of CHRYSLER GROUP, LLC
  1. Disconnect the battery negative cable (4).
  2. Drain the cooling system. Refer to DRAINING COOLING SYSTEM  .
    GC0156787Courtesy of CHRYSLER GROUP, LLC
  3. Disconnect the throttle body air inlet hose, remove the air cleaner housing assembly (1). Refer to BODY, AIR CLEANER, REMOVAL .
    NOTE:

    Oil cooler shown with out the oil lines for clarity.

    GC0156487Courtesy of CHRYSLER GROUP, LLC
  4. Remove the oil cooler (2) from the mounting bracket. Do Not  disconnect oil cooler lines. Reposition oil cooler.
    GC0156673Courtesy of CHRYSLER GROUP, LLC
  5. Disconnect the upper radiator hose (2).
    GC0156656Courtesy of CHRYSLER GROUP, LLC
  6. Disconnect the lower radiator hose (1).
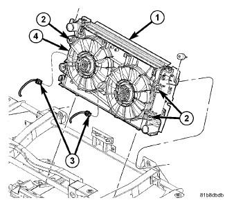
    GC0135231Courtesy of CHRYSLER GROUP, LLC
  7. Remove the cooling fan assembly (4). Refer to FAN, COOLING, ELECTRIC, REMOVAL .
    GC0156484Courtesy of CHRYSLER GROUP, LLC
  8. Remove the radiator mounting bolts (1).
  9. Remove the A/C condenser mounting bolts (2).
  10. Remove the radiator from the engine compartment.Care should be taken not to damage radiator cooling fins during removal.