LEMON Manuals: Even more car manuals for everyone: 1960-2025
Home >> Dodge and Ram >> 2021 >> ProMaster 2500 >> Repair and Diagnosis (Single Page) >> Accessories & Equipment >> Drivers Assistance Systems - ADAS >> Electronic Control Modules (Service Information) >> Module, Powertrain Control (Pcm) >> Installation
April 5, 2026: LEMON Manuals is launched! Read the announcement.

Module, Powertrain Control (Pcm): Installation

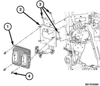
GC0160470Courtesy of CHRYSLER GROUP, LLC
  1. If removed install the PCM bracket (2) and tighten the fasteners (3) to 18 N-m (13 ft lbs).
  2. Position the Powertrain Control Module (PCM) (1) to the PCM bracket (2) and tighten the three nuts (4) to 8 N.m (71 in. lbs.).
  3. Connect and lock the wire harness connectors (1) to the PCM.
  4. Connect the negative battery cable.
    NOTE:

    If a new PCM is installed, it must be programed with the original Vehicle Identification Number (VIN) and mileage. If this is not done, a Diagnostic Trouble Code (DTC) may set.

    NOTE:

    If a new PCM is installed. Refer to appropriate DTC information .

  5. If a new PCM is being installed, use a scan tool to program the new PCM with the original VIN and vehicle mileage.