LEMON Manuals: Even more car manuals for everyone: 1960-2025
Home >> Eagle >> 1992 >> Summit L4-1468cc 1.5L SOHC >> Repair and Diagnosis >> Powertrain Management >> Ignition System >> Ignition Control Module >> Description and Operation
April 5, 2026: LEMON Manuals is launched! Read the announcement.

Ignition Control Module: Description and Operation

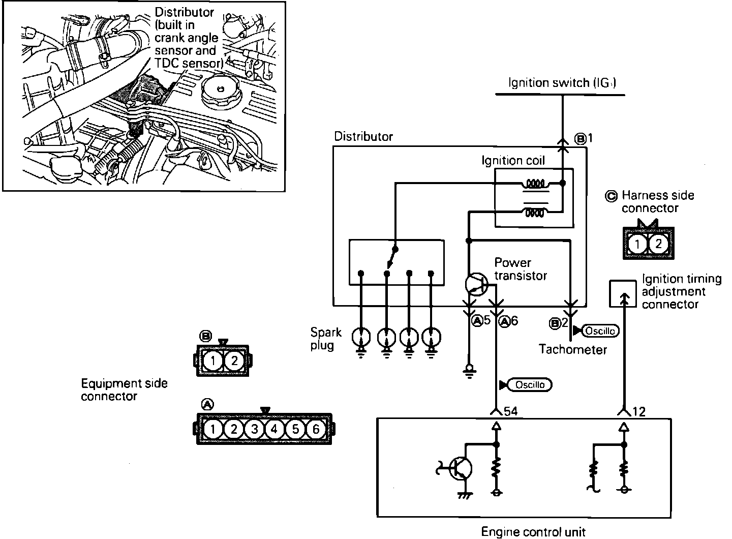
Ignition Coil And Power Transistor Circuit:






LOCATION
The power transistor is located on the intake manifold.

PURPOSE
The power transistor controls ignition current by interrupting the ignition coil primary ground causing secondary circuit discharge.

OPERATION
The ECU controls ignition timing through the power transistor. The power transistor is a type of switch that allows a very low voltage (from the ECU) to control a larger amount of voltage (negative side of coil). During engine cranking, the ignition timing is fixed at 5°BTDC