LEMON Manuals: Even more car manuals for everyone: 1960-2025
Home >> Ford >> 1974 >> Thunderbird >> Repair and Diagnosis >> Body & Frame >> Windows >> Electric Window Controls >> Testing >> Power Window Master Switch
April 5, 2026: LEMON Manuals is launched! Read the announcement.

Power Window Master Switch

With switch removed from door, use a self powered test light or ohmmeter to perform following tests. See illustration for pin numbers. 

  1. Clip one test lead probe on switch pin No. 3 which is grounded. With all switches in neutral position, pins No. 4 through 11 should have continuity to pin No. 3.
  2. Push any one or all four of the switches forward. All odd numbered pins of the switches pushed forward should lose continuity to pin No. 3.
    Fig 1: Power Window Multiple Master Switch Pin Connections & Numbers
    G09328755Courtesy of FORD MOTOR CO.
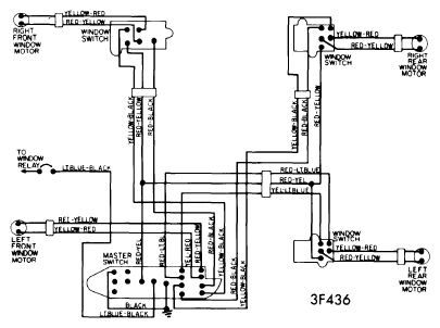
    Fig 2: Lincoln Continental Power Window Wiring
    G09328756Courtesy of FORD MOTOR CO.
  3. Push any one or all four switches rearward and all even numbered pins (4 through 11) of the switches pushed rearward should lose continuity to pin No. 3.
  4. Remove test lead clip from pin No. 3 and connect it to pin No. 2. With all switches in neutral position, only pin No. 1 should have continuity to pin No. 2.
  5. Push any one or all four switches forward and hold in that position. All odd numbered pins of switches pushed forward should have continuity to pin No. 2.
  6. Pull any one or all four switches rearward and hold in that position. All even numbered pins of the switches pulled rearward should have continuity to pin No. 2.
  7. If any one switch does not test as above, replace switch.