LEMON Manuals: Even more car manuals for everyone: 1960-2025
Home >> Ford >> 1988 >> Taurus L4-153 2.5L HSC >> Repair and Diagnosis >> Powertrain Management >> Computers and Control Systems >> Relays and Modules - Computers and Control Systems >> Integrated Control Relay Module >> Diagrams >> Connector Views >> Manual Transaxle
April 5, 2026: LEMON Manuals is launched! Read the announcement.

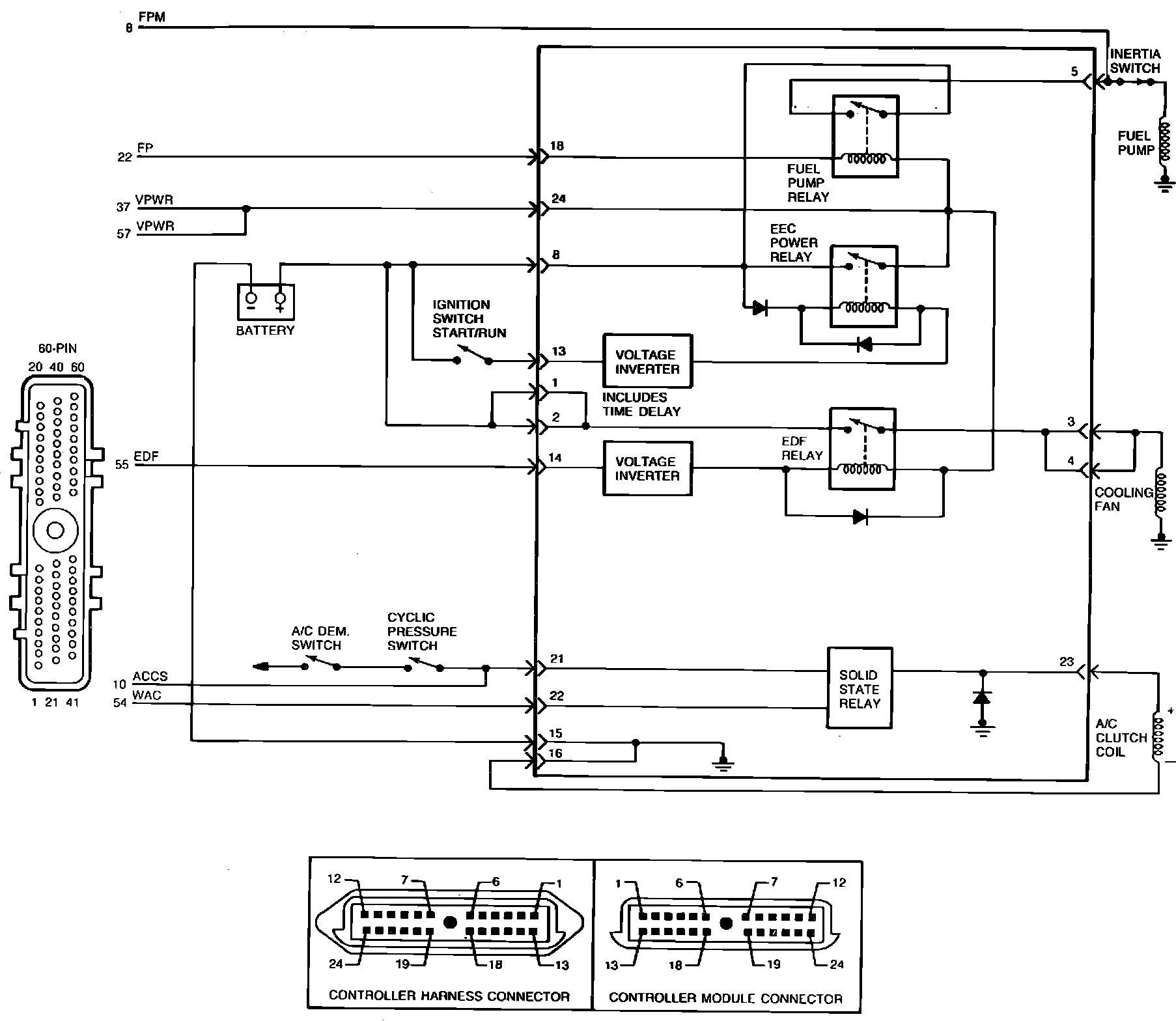
Manual Transaxle

Wiring Schematic - Integrated Controller:



Pin Usage - Integrated Controller: